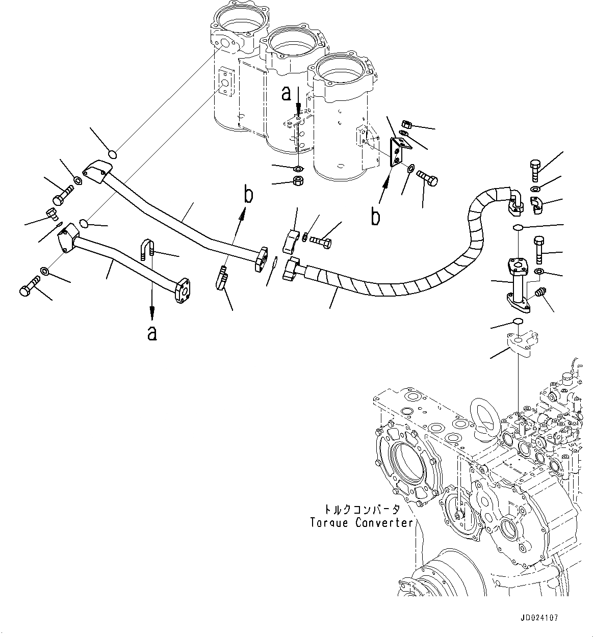
Запчасти Komatsu D475A-5E0 СИЛОВАЯ ПЕРЕДАЧА, ПОДАЮЩ. ТРУБЫ (/) (№7-) СИЛОВАЯ ПЕРЕДАЧА

Схема запчастей Komatsu D475A-5E0 - СИЛОВАЯ ПЕРЕДАЧА, ПОДАЮЩ. ТРУБЫ (/) (№7-) СИЛОВАЯ ПЕРЕДАЧА
20
5
6
8
9
10
11
12
13
14
15
16
17
18
19
23
24
25
26
27
29
22
23
24
22
21
21
28
7
2
1
4
3
30
FIT
1:1
100%

Артикул

Название

Примечание

Количество

|$0

198-22-60002

Power Train Assembly

SN: 30147-UP

1шт.

1

198-49-62231

Tube

SN: 30147-UP

1шт.

2

07000-E3035

O-ring

SN: 30147-UP

1шт.

3

07040-11007

Plug

SN: 30147-UP

1шт.

4

07002-21023

O-ring

SN: 30147-UP

1шт.

5

01010-81065

Bolt

SN: 30147-UP

2шт.

6

01643-31032

Washer

SN: 30147-UP

2шт.

7

07283-33442

Clip, Pipe

SN: 30147-UP

1шт.

8

01597-01009

Nut

SN: 30147-UP

2шт.

9

01643-31032

Washer

SN: 30147-UP

2шт.

10

198-49-62221

Tube

SN: 30147-UP

1шт.

11

07000-E3035

O-ring

SN: 30147-UP

1шт.

12

01010-81065

Bolt

SN: 30147-UP

2шт.

13

01643-31032

Washer

SN: 30147-UP

2шт.

14

198-49-62910

Bracket

SN: 30147-UP

1шт.

15

01010-81225

Bolt

SN: 30147-UP

2шт.

16

01643-31232

Washer

SN: 30147-UP

2шт.

17

07283-33442

Clip, Pipe

SN: 30147-UP

1шт.

18

01597-01009

Nut

SN: 30147-UP

2шт.

19

01643-31032

Washer

SN: 30147-UP

2шт.

20

198-49-62540

Hose

SN: 30147-UP

1шт.

21

07000-E3038

O-ring

SN: 30147-UP

2шт.

22

07371-31255

Flange, Split

SN: 30147-UP

4шт.

23

07372-21035

Bolt

SN: 30147-UP

8шт.

24

01643-51032

Washer

SN: 30147-UP

8шт.

25

198-49-62930

Tube

SN: 30147-UP

1шт.

26

01010-81085

Bolt

SN: 30147-UP

2шт.

27

01643-31032

Washer

SN: 30147-UP

2шт.

28

07042-70108

Plug

SN: 30147-UP

1шт.

29

07000-E3035

O-ring

SN: 30147-UP

1шт.

30

198-22-66270

Block

SN: UP

-1шт.

Выбрано товаров: 0