Запчасти Komatsu D475A-5E0 СИЛОВАЯ ПЕРЕДАЧА, КРЕПЛЕНИЕ (№7-) СИЛОВАЯ ПЕРЕДАЧА

Схема запчастей Komatsu D475A-5E0 - СИЛОВАЯ ПЕРЕДАЧА, КРЕПЛЕНИЕ (№7-) СИЛОВАЯ ПЕРЕДАЧА
9
8
4
5
6
3
1
2
6
5
4
8
9
4
7
4
7
10
13
12
11
14
FIT
1:1
100%

Артикул

Название

Примечание

Количество

|$0

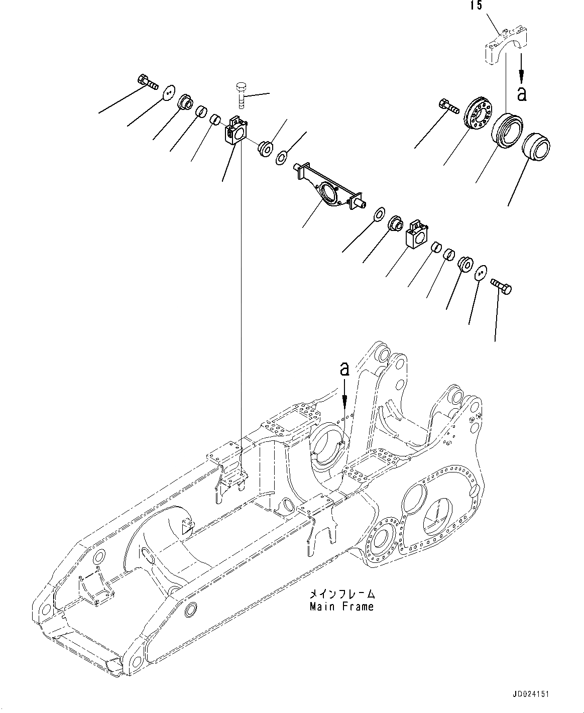
198-22-60002

Power Train Assembly

SN: 30147-UP

1шт.

1

198-21-66111

Bracket

SN: 30147-UP

1шт.

2

198-01-31191

Cap

SN: 30147-UP

1шт.

3

198-21-61230

Cap

SN: 30147-UP

1шт.

4

198-01-31121

Cushion

SN: 30147-UP

4шт.

5

198-01-31220

Cushion

SN: 30147-UP

2шт.

6

198-01-31230

Spacer

SN: 30147-UP

2шт.

7

198-01-31150

Spacer

SN: 30147-UP

2шт.

8

198-21-32160

Plate

SN: 30147-UP

2шт.

9

01010-62040

Bolt

SN: 30147-UP

4шт.

10

198-21-32131

Bushing

SN: 30147-UP

2шт.

11

198-21-32151

Cushion

SN: 30147-UP

2шт.

12

198-21-32140

Flange

SN: 30147-UP

2шт.

13

01010-81235

Bolt

SN: 30147-UP

20шт.

14

198-09-31750

Bolt

SN: UP

-1шт.

Выбрано товаров: 0