Запчасти Komatsu D475A-5E0 РЫХЛИТЕЛЬ СИСТЕМА ТРУБ СТОПОРН. ПАЛЬЦА (№7-) РЫХЛИТЕЛЬ СИСТЕМА ТРУБ СТОПОРН. ПАЛЬЦА, ДЛЯ РЕГУЛИР. ГИГАНТСК. РЫХЛИТ

Схема запчастей Komatsu D475A-5E0 - РЫХЛИТЕЛЬ СИСТЕМА ТРУБ СТОПОРН. ПАЛЬЦА (№7-) РЫХЛИТЕЛЬ СИСТЕМА ТРУБ СТОПОРН. ПАЛЬЦА, ДЛЯ РЕГУЛИР. ГИГАНТСК. РЫХЛИТ
15
14
2
2
21
20
19
18
17
16
15
14
13
12
11
10
9
8
7
6
1
4
3
5
FIT
1:1
100%

Артикул

Название

Примечание

Количество

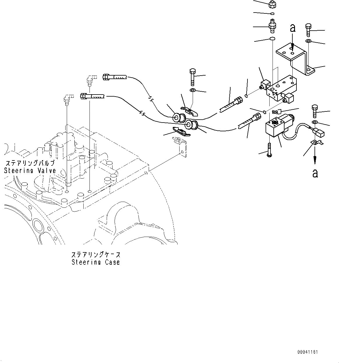
1

198-78-61191

Block

SN: 30147-UP

1шт.

2

02896-21009

O-ring

SN: 30147-UP

2шт.

3

01010-81025

Bolt

SN: 30147-UP

3шт.

4

01643-31032

Washer

SN: 30147-UP

3шт.

5

08193-21012

Clip

SN: 30147-UP

1шт.

6

198-06-56580

Valve

SN: 30147-UP

1шт.

7

07000-F1009

O-ring

SN: 30147-UP

4шт.

8

01220-40545

Screw, Philips Head

SN: 30147-UP

4шт.

9

198-78-61210

Bracket

SN: 30147-UP

1шт.

10

01010-81230

Bolt

SN: 30147-UP

2шт.

11

01643-31232

Washer

SN: 30147-UP

2шт.

12

02762-003A8

Hose, Face Seal Type

SN: 30147-UP

1шт.

13

02762-003A9

Hose, Face Seal Type

SN: 30147-UP

1шт.

14

07094-20315

Clamp

SN: 30147-UP

2шт.

15

07095-00314

Cushion

SN: 30147-UP

2шт.

16

01010-81260

Bolt

SN: 30147-UP

1шт.

17

01643-31232

Washer

SN: 30147-UP

1шт.

18

02781-0031D

Nipple

SN: 30147-UP

2шт.

19

02896-21009

O-ring

SN: 30147-UP

2шт.

20

07002-21423

O-ring

SN: 30147-UP

2шт.

21

02789-10315

Plug

SN: 30147-UP

2шт.

Выбрано товаров: 0