Запчасти Komatsu D475A-5E0 ВЕНТИЛЯТОР ОХЛАЖДЕНИЯ ПРИВОД ТРУБЫ, ВНУТР. ЧАСТИ, НАСОС ВЕНТИЛЯТОРА (/) (№7-) ВЕНТИЛЯТОР ОХЛАЖДЕНИЯ ПРИВОД ТРУБЫ, MINING СПЕЦ-ЯIFICATION, OPERATOR COMДЛЯT IMPROVEMENT ДЛЯ KAL

Схема запчастей Komatsu D475A-5E0 - ВЕНТИЛЯТОР ОХЛАЖДЕНИЯ ПРИВОД ТРУБЫ, ВНУТР. ЧАСТИ, НАСОС ВЕНТИЛЯТОРА (/) (№7-) ВЕНТИЛЯТОР ОХЛАЖДЕНИЯ ПРИВОД ТРУБЫ, MINING СПЕЦ-ЯIFICATION, OPERATOR COMДЛЯT IMPROVEMENT ДЛЯ KAL
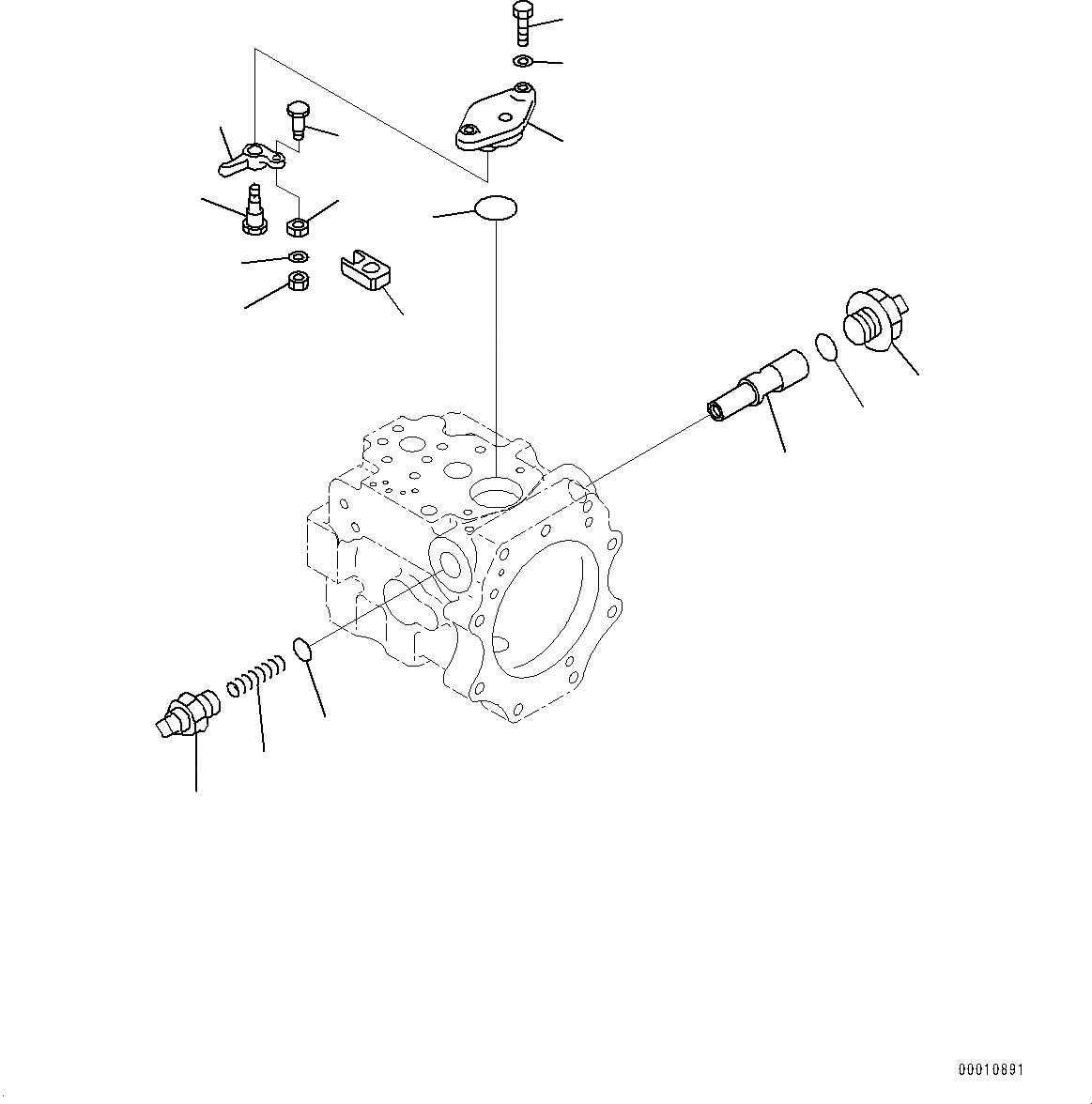
9
14
8
5
16
17
3
11
1
4
12
13
10
2
6
7
15
FIT
1:1
100%

Артикул

Название

Примечание

Количество

|$0

708-1W-90600

Pump Assembly

SN: 30147-UP

1шт.

|$1

708-1W-90631

Pump Assembly

SN: 30147-UP

1шт.

|$2

708-1W-01632

Pump Subassembly

SN: 30147-UP

1шт.

1

708-1W-24160

Piston, Servo

SN: 30147-UP

1шт.

2

708-1W-24450

Slider

SN: 30147-UP

1шт.

3

708-1W-24250

Bolt, Adjusting

SN: 30147-UP

1шт.

4

07002-63334

O-ring

SN: 30147-UP

1шт.

5

708-1W-24311

Bolt, Adjusting

SN: 30147-UP

1шт.

6

07002-62434

O-ring

SN: 30147-UP

1шт.

7

708-1W-24350

Spring

SN: 30147-UP

1шт.

8

708-1W-25840

Lever

SN: 30147-UP

1шт.

9

708-1W-26132

Pin

SN: 30147-UP

1шт.

10

708-1W-26113

Cover

SN: 30147-UP

1шт.

11

07000-B3045

O-ring

SN: 30147-UP

1шт.

12

01010-80830

Bolt

SN: 30147-UP

2шт.

13

01643-30823

Washer

SN: 30147-UP

2шт.

14

708-1W-26210

Pin

SN: 30147-UP

1шт.

15

708-1W-26221

Slider

SN: 30147-UP

1шт.

16

708-1W-26230

Washer

SN: 30147-UP

1шт.

17

01580-10605

Nut

SN: 30147-UP

1шт.

Выбрано товаров: 20