Запчасти Komatsu D475A-5E0 КАБИНА, ЧАСТИ ОБШИВКИ (/) (№7-) КАБИНА, С AM-FM STEREO РАДИО, CASSETTE, СЕВ. АМЕРИКА, КОЗЫРЕК, ДВИГАТЕЛЬ ЭКСТРЕНН. SHUT, MINING СПЕЦ-ЯIFICATION

Схема запчастей Komatsu D475A-5E0 - КАБИНА, ЧАСТИ ОБШИВКИ (/) (№7-) КАБИНА, С AM-FM STEREO РАДИО, CASSETTE, СЕВ. АМЕРИКА, КОЗЫРЕК, ДВИГАТЕЛЬ ЭКСТРЕНН. SHUT, MINING СПЕЦ-ЯIFICATION
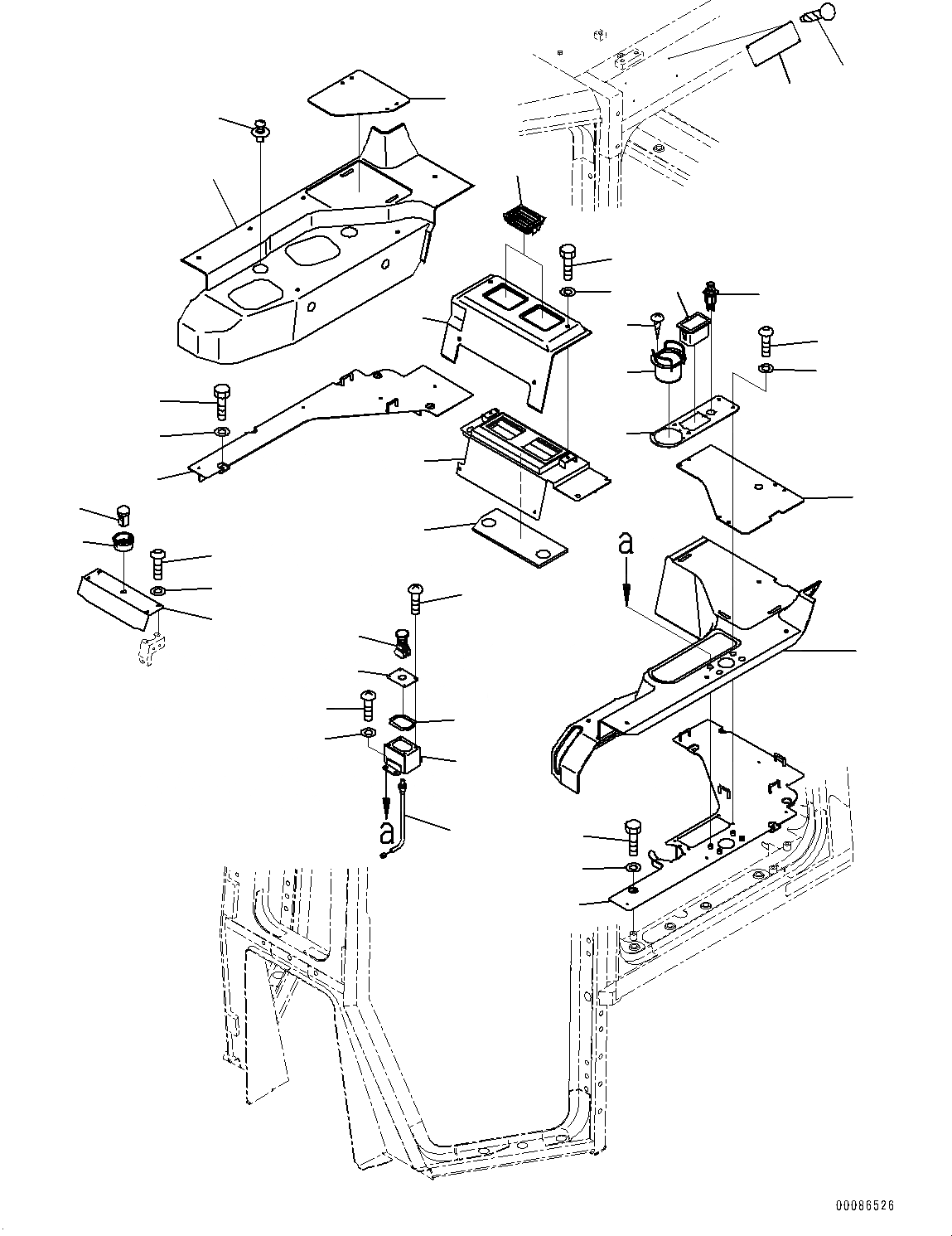
20
18
17
10
16
7
8
9
33
34
15
11
14
28
26
27
25
29
31
32
30
5
4
1
23
19
24
3
2
6
4
5
22
12
13
1
5
4
21
FIT
1:1
100%

Артикул

Название

Примечание

Количество

1

198-Z11-7271

Bracket

SN: 30147-UP

1шт.

|$1

198-Z11-6190

Bracket

SN: 30147-UP

1шт.

2

198-Z11-6150

Duct

SN: 30147-UP

1шт.

3

198-Z11-6250

Sheet

SN: 30147-UP

1шт.

4

01010-D0820

Bolt

SN: 30147-UP

13шт.

5

01643-70823

Washer

SN: 30147-UP

13шт.

6

201-979-7820

Grille

SN: 30147-UP

2шт.

7

17A-Z11-3180

Holder

SN: 30147-UP

1шт.

8

01370-40408

Screw

SN: 30147-UP

2шт.

9

20Y-06-21751

Ashtray

SN: 30147-UP

2шт.

10

20Y-06-23472

Cigarette Lighter

SN: 30147-UP

1шт.

11

198-Z11-6281

Cover

SN: 30147-UP

1шт.

12

20Y-979-6161

Sensor

SN: 30147-UP

1шт.

13

20Y-54-65310

Adapter

SN: 30147-UP

1шт.

14

01245-00616

Screw

SN: 30147-UP

4шт.

15

01643-70623

Washer

SN: 30147-UP

4шт.

16

198-Z11-6160

Plate

SN: 30147-UP

1шт.

17

01245-00616

Screw

SN: 30147-UP

4шт.

18

01643-70623

Washer

SN: 30147-UP

4шт.

19

198-Z11-6230

Sheet

SN: 30147-UP

1шт.

20

198-Z11-6241

Sheet

SN: 30147-UP

1шт.

21

198-54-77730

Cover

SN: 30147-UP

1шт.

22

198-54-61521

Cover

SN: 30147-UP

1шт.

23

198-54-61531

Cover

SN: 30147-UP

1шт.

24

23D-950-4450

Button

SN: 30147-UP

20шт.

25

198-06-73391

Bracket

SN: 30147-UP

1шт.

26

198-06-73411

Bracket

SN: 30147-UP

1шт.

27

198-06-73430

Sheet

SN: 30147-UP

1шт.

28

42C-Z89-2610

Switch

SN: 30147-UP

1шт.

29

198-06-73471

Wiring Harness

SN: 30147-UP

1шт.

30

01023-70414

Screw

SN: 30147-UP

4шт.

31

01245-00612

Screw

SN: 30147-UP

4шт.

32

01643-70623

Washer

SN: 30147-UP

4шт.

33

09620-C2000

Plate, Warning, FOPS

SN: 30147-UP

1шт.

34

04418-13060

Screw

SN: 30147-UP

4шт.

Выбрано товаров: 35