Запчасти Komatsu D475A-5E0 ОСНОВН. КОНСТРУКЦИЯ, ТРУБКИ КОНДИЦИОНЕРА (/) (№7-) ОСНОВН. КОНСТРУКЦИЯ, ДЛЯ РЕГУЛИР. DIGGING ANGLE ГИГАНТСК. РЫХЛИТ, ОТВАЛ С ДВОЙН. ПЕРЕКОСОМ, SHOE КОНТРОЛЬ ПРОСКАЛЬЗ-Я, MINING СПЕЦ-ЯIFICATION

Схема запчастей Komatsu D475A-5E0 - ОСНОВН. КОНСТРУКЦИЯ, ТРУБКИ КОНДИЦИОНЕРА (/) (№7-) ОСНОВН. КОНСТРУКЦИЯ, ДЛЯ РЕГУЛИР. DIGGING ANGLE ГИГАНТСК. РЫХЛИТ, ОТВАЛ С ДВОЙН. ПЕРЕКОСОМ, SHOE КОНТРОЛЬ ПРОСКАЛЬЗ-Я, MINING СПЕЦ-ЯIFICATION
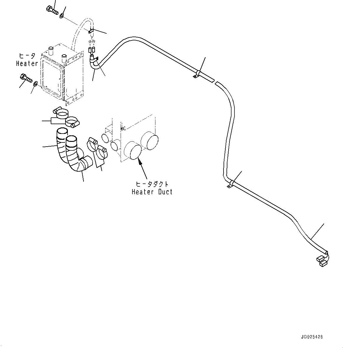
2
4
3
3
4
1
5
6
9
8
7
6
6
5
FIT
1:1
100%

Артикул

Название

Примечание

Количество

1

01010-81020

Bolt

SN: 30147-UP

4шт.

2

01643-31032

Washer

SN: 30147-UP

4шт.

3

09485-06503

Hose, Air

SN: 30147-UP

2шт.

4

07281-00709

Clamp

SN: 30147-UP

4шт.

5

198-911-7810

Wiring Harness

SN: 30147-UP

1шт.

6

04434-51010

Clip

SN: 30147-UP

3шт.

7

04434-50610

Clip

SN: 30147-UP

1шт.

8

01010-80816

Bolt

SN: 30147-UP

1шт.

9

01643-30823

Washer

SN: 30147-UP

1шт.

Выбрано товаров: 9