Запчасти Komatsu D475A-5E0 ЗАЩИТА РАДИАТОРА, ВЕНТИЛЯТОР КРЕПЛЕНИЕ (№7-) ЗАЩИТА РАДИАТОРА, HINGED ПЕРФОРИРОВАНН. ЗАСЛОНКА РАДИАТОРА, ОТВАЛ С ДВОЙН. ПЕРЕКОСОМ, SITE GAUGE, MINING СПЕЦ-ЯIFICATION

Схема запчастей Komatsu D475A-5E0 - ЗАЩИТА РАДИАТОРА, ВЕНТИЛЯТОР КРЕПЛЕНИЕ (№7-) ЗАЩИТА РАДИАТОРА, HINGED ПЕРФОРИРОВАНН. ЗАСЛОНКА РАДИАТОРА, ОТВАЛ С ДВОЙН. ПЕРЕКОСОМ, SITE GAUGE, MINING СПЕЦ-ЯIFICATION
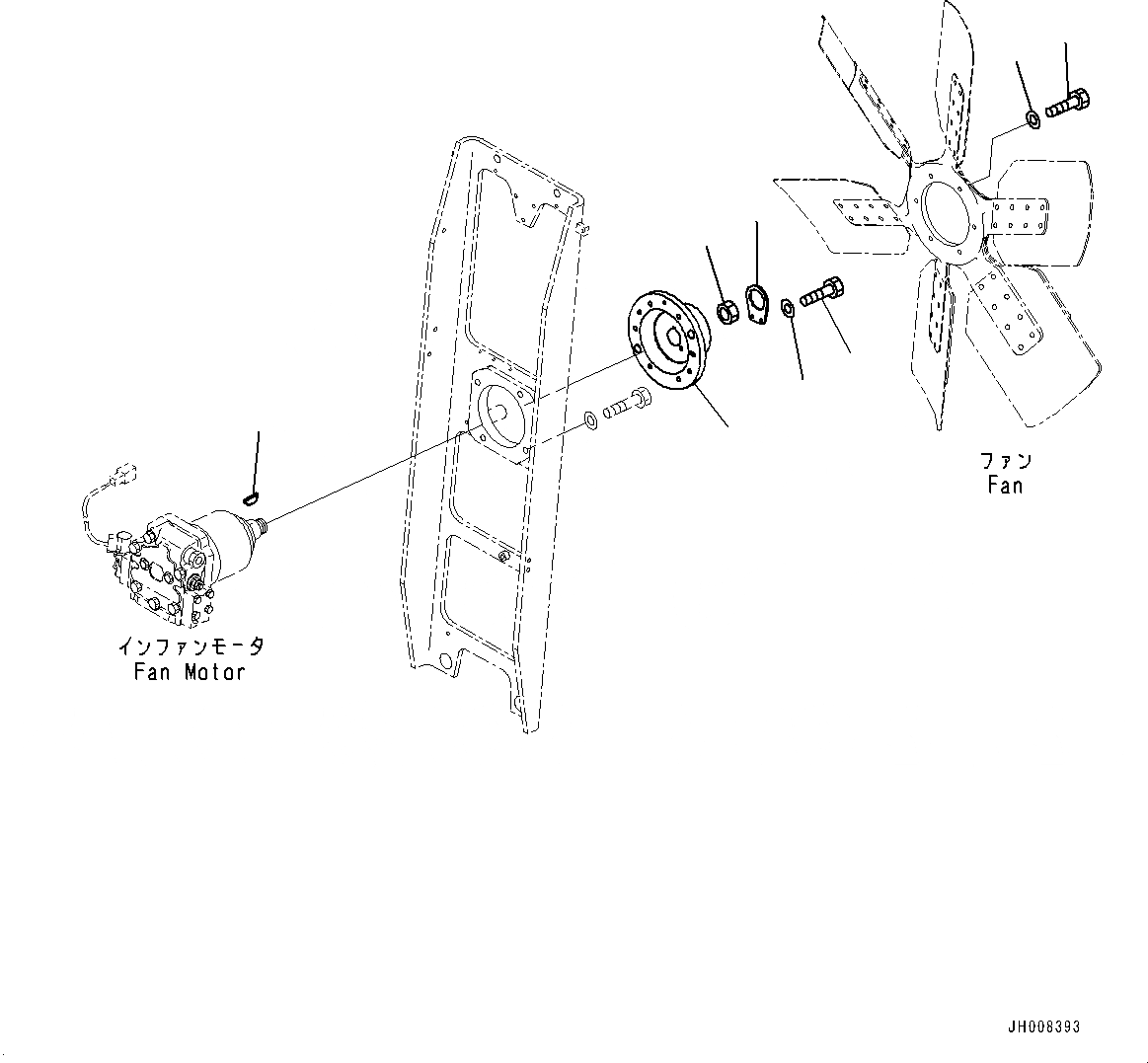
6
5
8
1
2
3
4
7
FIT
1:1
100%

Артикул

Название

Примечание

Количество

1

01010-81240

Bolt

SN: 30147-UP

6шт.

2

01643-31232

Washer

SN: 30147-UP

6шт.

3

01583-14225

Nut

SN: 30147-UP

1шт.

4

04010-01045

Key, Woodruff

SN: 30147-UP

1шт.

5

01010-81025

Bolt

SN: 30147-UP

1шт.

6

01643-31032

Washer

SN: 30147-UP

1шт.

7

198-03-71560

Lock

SN: 30147-UP

1шт.

8

198-03-71531

Boss

SN: 30147-UP

1шт.

Выбрано товаров: 8