Запчасти Komatsu D475A-5E0 КРЫЛО, КОМПОНЕНТЫ (/) (№7-) КРЫЛО, ДВИГАТЕЛЬ PRE-СМАЗКА СИСТЕМА, ВЫСОК. ЕМК. АККУМУЛЯТОР, ИЗОЛЯТОР АККУМУЛЯТОРОВ, УРОВЕНЬ ДАТЧИК, ГИДР. БАК., ДЛЯ ДВОЙН. НАКЛОН. DOZ

Схема запчастей Komatsu D475A-5E0 - КРЫЛО, КОМПОНЕНТЫ (/) (№7-) КРЫЛО, ДВИГАТЕЛЬ PRE-СМАЗКА СИСТЕМА, ВЫСОК. ЕМК. АККУМУЛЯТОР, ИЗОЛЯТОР АККУМУЛЯТОРОВ, УРОВЕНЬ ДАТЧИК, ГИДР. БАК., ДЛЯ ДВОЙН. НАКЛОН. DOZ
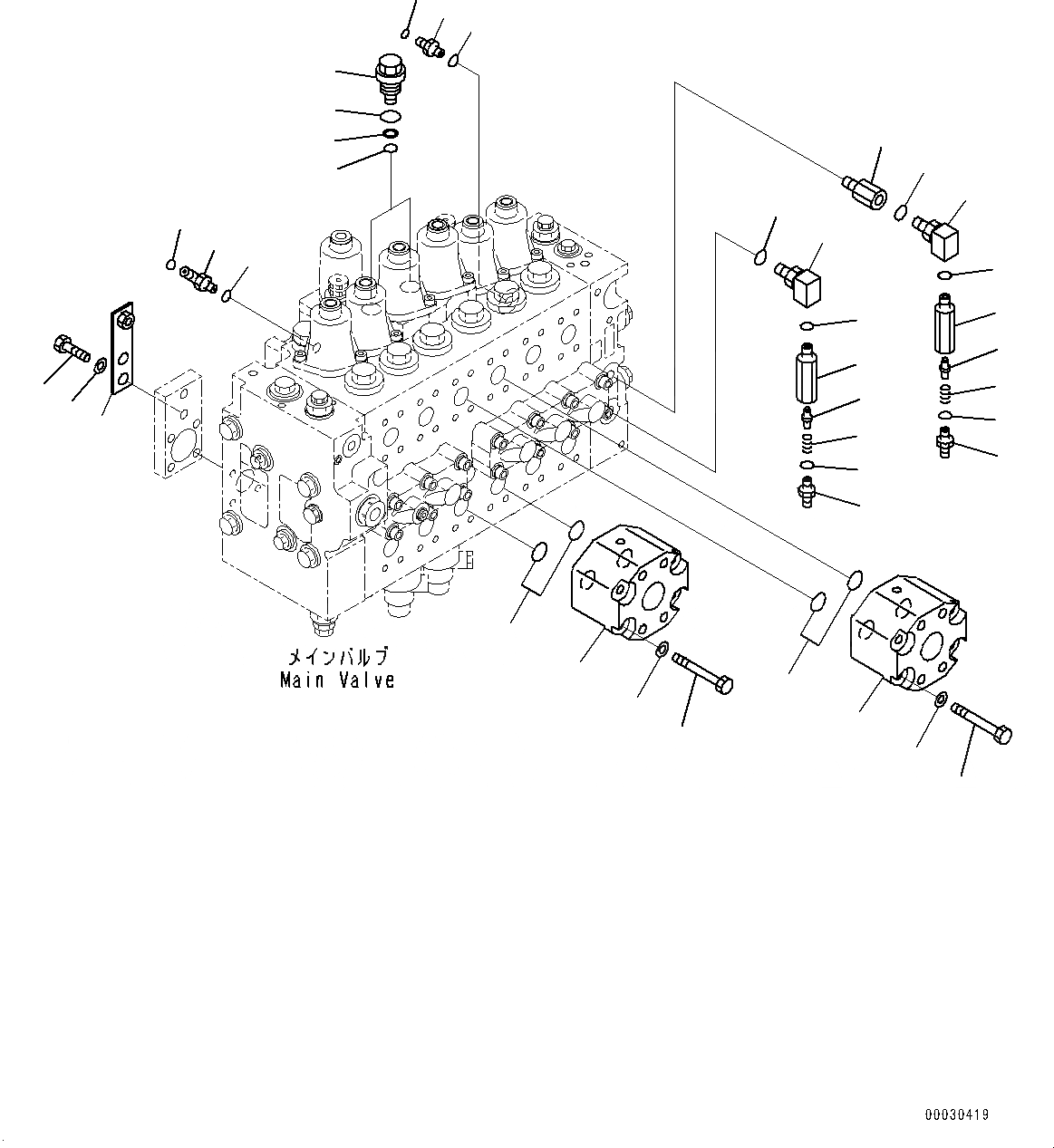
34
33
32
31
26
25
20
19
18
17
16
15
14
13
12
11
10
9
8
7
6
5
4
3
2
1
34
33
32
31
21
22
23
24
27
28
30
29
FIT
1:1
100%

Артикул

Название

Примечание

Количество

1

07002-21423

O-ring

SN: 30147-UP

1шт.

2

11Y-62-12230

Union

SN: 30147-UP

1шт.

3

02896-21008

O-ring

SN: 30147-UP

1шт.

4

07002-21423

O-ring

SN: 30147-UP

1шт.

5

02782-10210

Elbow

SN: 30147-UP

1шт.

6

02896-21008

O-ring

SN: 30147-UP

1шт.

7

198-61-61850

Plate

SN: 30147-UP

1шт.

8

01010-81225

Bolt

SN: 30147-UP

2шт.

9

01643-31232

Washer

SN: 30147-UP

2шт.

10

20Y-62-22160

Adapter

SN: 30147-UP

1шт.

11

20Y-62-23541

Elbow

SN: 30147-UP

1шт.

|$11

20Y-62-41701

Valve Assembly

SN: 30147-UP

1шт.

12

Body

SN: 30147-UP

1шт.

13

20Y-60-22270

Poppet

SN: 30147-UP

1шт.

14

701-20-61230

Spring

SN: 30147-UP

1шт.

15

07002-11423

O-ring

SN: 30147-UP

1шт.

16

20Y-62-47630

Nipple

SN: 30147-UP

1шт.

17

02896-21008

O-ring

SN: 30147-UP

1шт.

18

07002-21423

O-ring

SN: 30147-UP

3шт.

19

20Y-62-23541

Elbow

SN: 30147-UP

1шт.

|$20

20Y-62-41701

Valve Assembly

SN: 30147-UP

1шт.

20

Body

SN: 30147-UP

1шт.

21

20Y-60-22270

Poppet

SN: 30147-UP

1шт.

22

701-20-61230

Spring

SN: 30147-UP

1шт.

23

07002-11423

O-ring

SN: 30147-UP

1шт.

24

20Y-62-47630

Nipple

SN: 30147-UP

1шт.

25

02896-21008

O-ring

SN: 30147-UP

1шт.

26

07002-21423

O-ring

SN: 30147-UP

2шт.

27

709-74-91510

Plug

SN: 30147-UP

2шт.

28

07000-13024

O-ring

SN: 30147-UP

2шт.

29

07000-11009

O-ring

SN: 30147-UP

2шт.

30

07001-01009

Ring, Back-up

SN: 30147-UP

2шт.

31

198-61-61131

Block

SN: 30147-UP

2шт.

32

07000-F3035

O-ring

SN: 30147-UP

4шт.

33

01010-81085

Bolt

SN: 30147-UP

8шт.

34

01643-31032

Washer

SN: 30147-UP

8шт.

Выбрано товаров: 36