Запчасти Komatsu D475A-5E0 КРЫЛО, КОМПОНЕНТЫ (/) (№7-) КРЫЛО, ВЫСОК. ЕМК. АККУМУЛЯТОР, ДЛЯ ОТВАЛ С ДВОЙН. ПЕРЕКОСОМ

Схема запчастей Komatsu D475A-5E0 - КРЫЛО, КОМПОНЕНТЫ (/) (№7-) КРЫЛО, ВЫСОК. ЕМК. АККУМУЛЯТОР, ДЛЯ ОТВАЛ С ДВОЙН. ПЕРЕКОСОМ
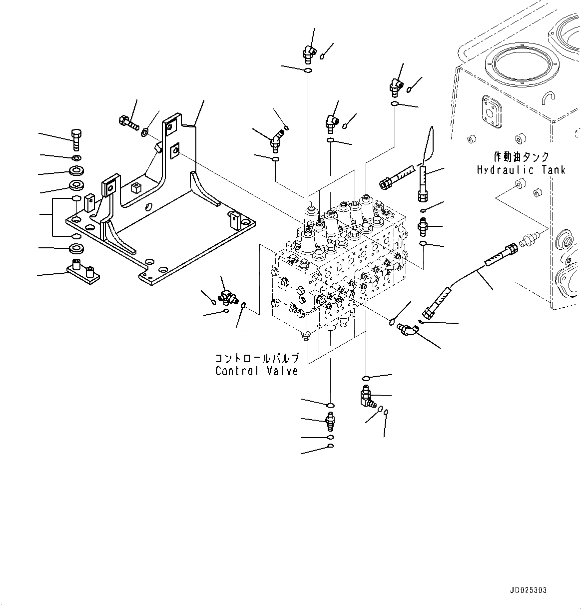
1
2
3
4
5
6
7
8
10
11
12
13
14
15
16
17
18
19
20
21
22
23
25
26
27
28
29
30
31
32
33
34
35
36
37
12
13
26
8
9
32
24
FIT
1:1
100%

Артикул

Название

Примечание

Количество

1

198-60-61211

Bracket

SN: 30147-UP

1шт.

2

01010-81650

Bolt

SN: 30147-UP

3шт.

3

01643-31645

Washer

SN: 30147-UP

3шт.

4

01010-81280

Bolt

SN: 30147-UP

8шт.

5

01643-31232

Washer

SN: 30147-UP

8шт.

6

561-74-61750

Washer

SN: 30147-UP

8шт.

7

198-60-61220

Bracket

SN: 30147-UP

4шт.

8

14X-60-12120

Cushion

SN: 30147-UP

16шт.

9

07000-03025

O-ring

SN: 30147-UP

16шт.

10

02782-10210

Elbow

SN: 30147-UP

3шт.

11

14X-62-32430

Elbow

SN: 30147-UP

1шт.

12

02896-21008

O-ring

SN: 30147-UP

4шт.

13

07002-21423

O-ring

SN: 30147-UP

4шт.

14

02782-10311

Elbow

SN: 30147-UP

1шт.

15

02896-21009

O-ring

SN: 30147-UP

1шт.

16

07002-21423

O-ring

SN: 30147-UP

1шт.

17

198-61-62380

Elbow

SN: 30147-UP

1шт.

18

02896-21008

O-ring

SN: 30147-UP

1шт.

19

07002-21423

O-ring

SN: 30147-UP

1шт.

20

20Y-62-22271

Elbow

SN: 30147-UP

4шт.

21

201-60-11390

O-ring

SN: 30147-UP

1шт.

22

20Y-62-19560

O-ring

SN: 30147-UP

1шт.

23

20Y-62-16630

Nipple

SN: 30147-UP

1шт.

24

201-60-11390

O-ring

SN: 30147-UP

1шт.

25

20Y-62-19560

O-ring

SN: 30147-UP

1шт.

26

07002-21423

O-ring

SN: 30147-UP

5шт.

27

02762-00305

Hose, Face Seal Type

SN: 30147-UP

1шт.

28

02782-10311

Elbow

SN: 30147-UP

1шт.

29

02896-21009

O-ring

SN: 30147-UP

1шт.

30

07002-21423

O-ring

SN: 30147-UP

1шт.

31

21W-62-45140

Elbow

SN: 30147-UP

1шт.

32

02896-21009

O-ring

SN: 30147-UP

2шт.

33

07002-21423

O-ring

SN: 30147-UP

1шт.

34

02781-0031D

Nipple

SN: 30147-UP

1шт.

35

02896-21009

O-ring

SN: 30147-UP

1шт.

36

07002-21423

O-ring

SN: 30147-UP

1шт.

37

02763-003A5

Hose, Face Seal Type

SN: 30147-UP

1шт.

Выбрано товаров: 37