Запчасти Komatsu D475A-5E0 КРЫЛО, КОМПОНЕНТЫ (/) (№7-) КРЫЛО, ДВИГАТЕЛЬ PRE-СМАЗКА СИСТЕМА, EXTRA BAD ТОПЛИВН. И ПЛОХ. ТОПЛИВО СПЕЦ-ЯIFICATION, ВОДН.+DUST, ДОПОЛН. ФИЛЬТР., ВЫСОК. ЕМК.

Схема запчастей Komatsu D475A-5E0 - КРЫЛО, КОМПОНЕНТЫ (/) (№7-) КРЫЛО, ДВИГАТЕЛЬ PRE-СМАЗКА СИСТЕМА, EXTRA BAD ТОПЛИВН. И ПЛОХ. ТОПЛИВО СПЕЦ-ЯIFICATION, ВОДН.+DUST, ДОПОЛН. ФИЛЬТР., ВЫСОК. ЕМК.
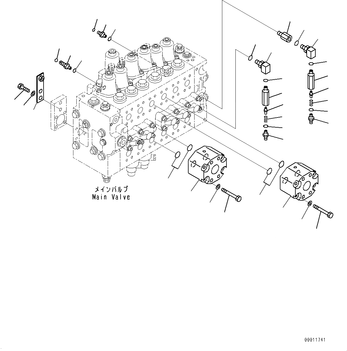
30
29
28
27
26
25
20
19
18
17
16
15
14
13
12
11
10
9
8
7
6
5
4
3
2
1
30
29
28
27
21
22
23
24
FIT
1:1
100%

Артикул

Название

Примечание

Количество

1

07002-21423

O-ring

SN: 30147-UP

1шт.

2

11Y-62-12230

Union

SN: 30147-UP

1шт.

3

02896-21008

O-ring

SN: 30147-UP

1шт.

4

07002-21423

O-ring

SN: 30147-UP

1шт.

5

02782-10210

Elbow

SN: 30147-UP

1шт.

6

02896-21008

O-ring

SN: 30147-UP

1шт.

7

198-61-61850

Plate

SN: 30147-UP

1шт.

8

01010-81225

Bolt

SN: 30147-UP

2шт.

9

01643-31232

Washer

SN: 30147-UP

2шт.

10

20Y-62-22160

Adapter

SN: 30147-UP

1шт.

11

20Y-62-23541

Elbow

SN: 30147-UP

1шт.

|$11

20Y-62-41701

Valve Assembly

SN: 30147-UP

1шт.

12

Body

SN: 30147-UP

1шт.

13

20Y-60-22270

Poppet

SN: 30147-UP

1шт.

14

701-20-61230

Spring

SN: 30147-UP

1шт.

15

07002-11423

O-ring

SN: 30147-UP

1шт.

16

20Y-62-47630

Nipple

SN: 30147-UP

1шт.

17

02896-21008

O-ring

SN: 30147-UP

1шт.

18

07002-21423

O-ring

SN: 30147-UP

3шт.

19

20Y-62-23541

Elbow

SN: 30147-UP

1шт.

|$20

20Y-62-41701

Valve Assembly

SN: 30147-UP

1шт.

20

Body

SN: 30147-UP

1шт.

21

20Y-60-22270

Poppet

SN: 30147-UP

1шт.

22

701-20-61230

Spring

SN: 30147-UP

1шт.

23

07002-11423

O-ring

SN: 30147-UP

1шт.

24

20Y-62-47630

Nipple

SN: 30147-UP

1шт.

25

02896-21008

O-ring

SN: 30147-UP

1шт.

26

07002-21423

O-ring

SN: 30147-UP

2шт.

27

198-61-61131

Block

SN: 30147-UP

2шт.

28

07000-F3035

O-ring

SN: 30147-UP

4шт.

29

01010-81085

Bolt

SN: 30147-UP

8шт.

30

01643-31032

Washer

SN: 30147-UP

8шт.

Выбрано товаров: 32