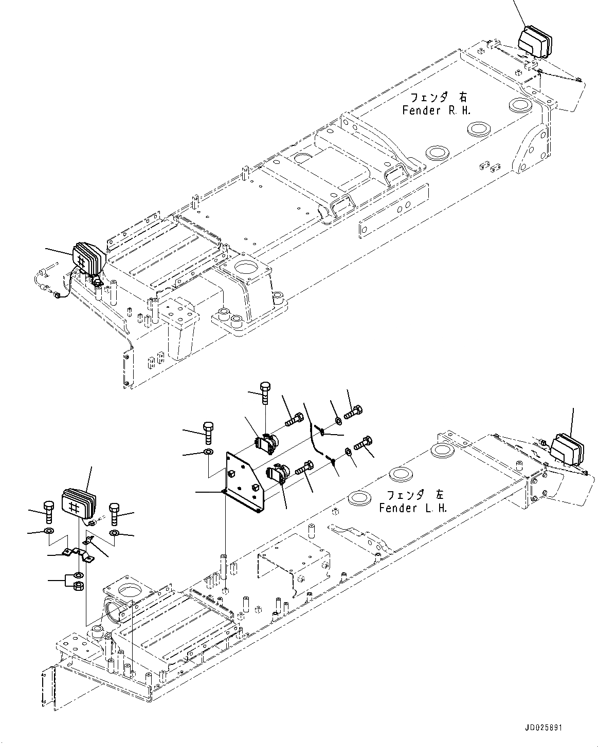
Запчасти Komatsu D475A-5E0 КРЫЛО, ЛАМПА РАБОЧ. ОСВЕЩЕНИЯ (№7-) КРЫЛО, ЕС ARRANGEMENT, ВЫСОК. ЕМК. АККУМУЛЯТОР

Схема запчастей Komatsu D475A-5E0 - КРЫЛО, ЛАМПА РАБОЧ. ОСВЕЩЕНИЯ (№7-) КРЫЛО, ЕС ARRANGEMENT, ВЫСОК. ЕМК. АККУМУЛЯТОР
11
18
15
11
12
11
17
16
1
14
13
18
2
3
4
4
5
5
8
9
10
7
9
8
10
6
FIT
1:1
100%

Артикул

Название

Примечание

Количество

1

198-54-77360

Bracket

SN: 30147-UP

1шт.

2

01010-81230

Bolt

SN: 30147-UP

2шт.

3

01643-31232

Washer

SN: 30147-UP

2шт.

4

08088-40000

Relay

SN: 30147-UP

2шт.

5

01010-80830

Bolt

SN: 30147-UP

4шт.

6

01010-80820

Bolt

SN: 30147-UP

4шт.

7

195-06-54550

Wire

SN: 30147-UP

1шт.

8

209-06-19680

Wire

SN: 30147-UP

2шт.

9

01010-80816

Bolt

SN: 30147-UP

2шт.

10

01643-30823

Washer

SN: 30147-UP

2шт.

11

17A-06-17931

Lamp

SN: 30147-UP

2шт.

|$11

17A-06-17970

Bulb, 70watt

SN: 30147-UP

1шт.

|$12

17A-06-17980

Sleeve

SN: 30147-UP

1шт.

12

195-06-41150

Bracket

SN: 30147-UP

2шт.

13

01010-81230

Bolt

SN: 30147-UP

4шт.

14

01643-31232

Washer

SN: 30147-UP

4шт.

15

08193-21012

Clip

SN: 30147-UP

2шт.

16

01010-81220

Bolt

SN: 30147-UP

2шт.

17

01643-31232

Washer

SN: 30147-UP

2шт.

18

17A-06-17931

Lamp

SN: 30147-UP

2шт.

18

17A-06-17970

Bulb, 70watt

SN: 30147-UP

1шт.

18

17A-06-17980

Sleeve

SN: 30147-UP

1шт.

Выбрано товаров: 0