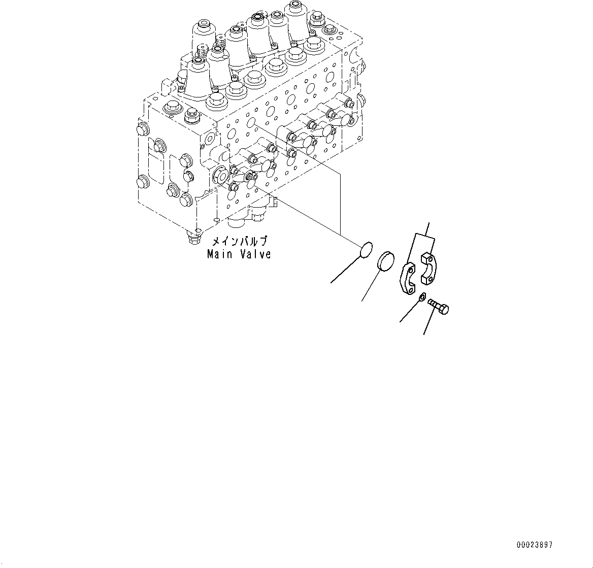
Запчасти Komatsu D475A-5E0 КРЫЛО, ЗАГЛУШКА (/) (№7-) КРЫЛО, ЕС ARRANGEMENT, ВЫСОК. ЕМК. АККУМУЛЯТОР

Схема запчастей Komatsu D475A-5E0 - КРЫЛО, ЗАГЛУШКА (/) (№7-) КРЫЛО, ЕС ARRANGEMENT, ВЫСОК. ЕМК. АККУМУЛЯТОР
4
5
1
2
3
FIT
1:1
100%

Артикул

Название

Примечание

Количество

1

07378-11000

Head

SN: 30147-UP

2шт.

2

07000-F3032

O-ring

SN: 30147-UP

2шт.

3

07371-31049

Flange, Split

SN: 30147-UP

4шт.

4

07372-21035

Bolt

SN: 30147-UP

8шт.

5

01643-51032

Washer

SN: 30147-UP

8шт.

Выбрано товаров: 5