Запчасти Komatsu D475A-5E0 СИЛОВАЯ ПЕРЕДАЧА, РУЛЕВ. УПРАВЛЕНИЕ УПРАВЛ-Е (№7-) СИЛОВАЯ ПЕРЕДАЧА

Схема запчастей Komatsu D475A-5E0 - СИЛОВАЯ ПЕРЕДАЧА, РУЛЕВ. УПРАВЛЕНИЕ УПРАВЛ-Е (№7-) СИЛОВАЯ ПЕРЕДАЧА
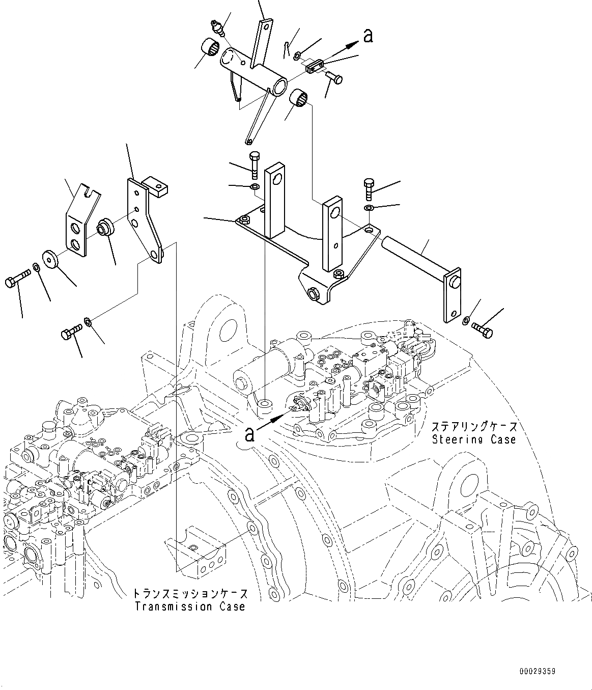
1
2
3
4
5
6
7
8
9
10
11
12
13
20
21
22
23
7
15
16
17
19
18
14
FIT
1:1
100%

Артикул

Название

Примечание

Количество

|$0

198-22-60002

Power Train Assembly

SN: 30147-UP

1шт.

1

04213-20625

Yoke

SN: 30147-UP

1шт.

2

04205-10618

Pin

SN: 30147-UP

2шт.

3

04050-11612

Pin, Cotter

SN: 30147-UP

2шт.

4

01641-20608

Washer

SN: 30147-UP

2шт.

5

198-43-61320

Lever

SN: 30147-UP

1шт.

6

198-43-61330

Shaft

SN: 30147-UP

1шт.

7

06123-03018

Bearing, Needle

SN: 30147-UP

2шт.

8

198-43-61310

Bracket

SN: 30147-UP

1шт.

9

01010-81230

Bolt

SN: 30147-UP

1шт.

10

01643-31232

Washer

SN: 30147-UP

1шт.

11

07020-00000

Fitting, Grease

SN: 30147-UP

1шт.

12

01010-81665

Bolt

SN: 30147-UP

2шт.

13

01643-31645

Washer

SN: 30147-UP

2шт.

14

198-43-61360

Bracket

SN: 30147-UP

1шт.

15

198-43-61870

Bracket

SN: 30147-UP

1шт.

16

195-03-41380

Cushion

SN: 30147-UP

2шт.

17

178-60-12250

Collar

SN: 30147-UP

2шт.

18

01010-81050

Bolt

SN: 30147-UP

2шт.

19

01643-31032

Washer

SN: 30147-UP

2шт.

20

01011-61690

Bolt

SN: 30147-UP

1шт.

21

01643-31645

Washer

SN: 30147-UP

1шт.

22

01010-61670

Bolt

SN: 30147-UP

1шт.

23

01643-31645

Washer

SN: 30147-UP

1шт.

Выбрано товаров: 0