Запчасти Komatsu D475A-5E0 ГУСЕНИЧНАЯ РАМА, БАЛКА БАЛАНСИРА СМАЗКА, ЛЕВ. (№7-) ГУСЕНИЧНАЯ РАМА, С ЗАЩИТА ОПОРНЫХ КАТКОВ, ДЛЯ ХОЛОДН. AREA СПЕЦ-ЯIFICATION A (- DEG C), CHINA

Схема запчастей Komatsu D475A-5E0 - ГУСЕНИЧНАЯ РАМА, БАЛКА БАЛАНСИРА СМАЗКА, ЛЕВ. (№7-) ГУСЕНИЧНАЯ РАМА, С ЗАЩИТА ОПОРНЫХ КАТКОВ, ДЛЯ ХОЛОДН. AREA СПЕЦ-ЯIFICATION A (- DEG C), CHINA
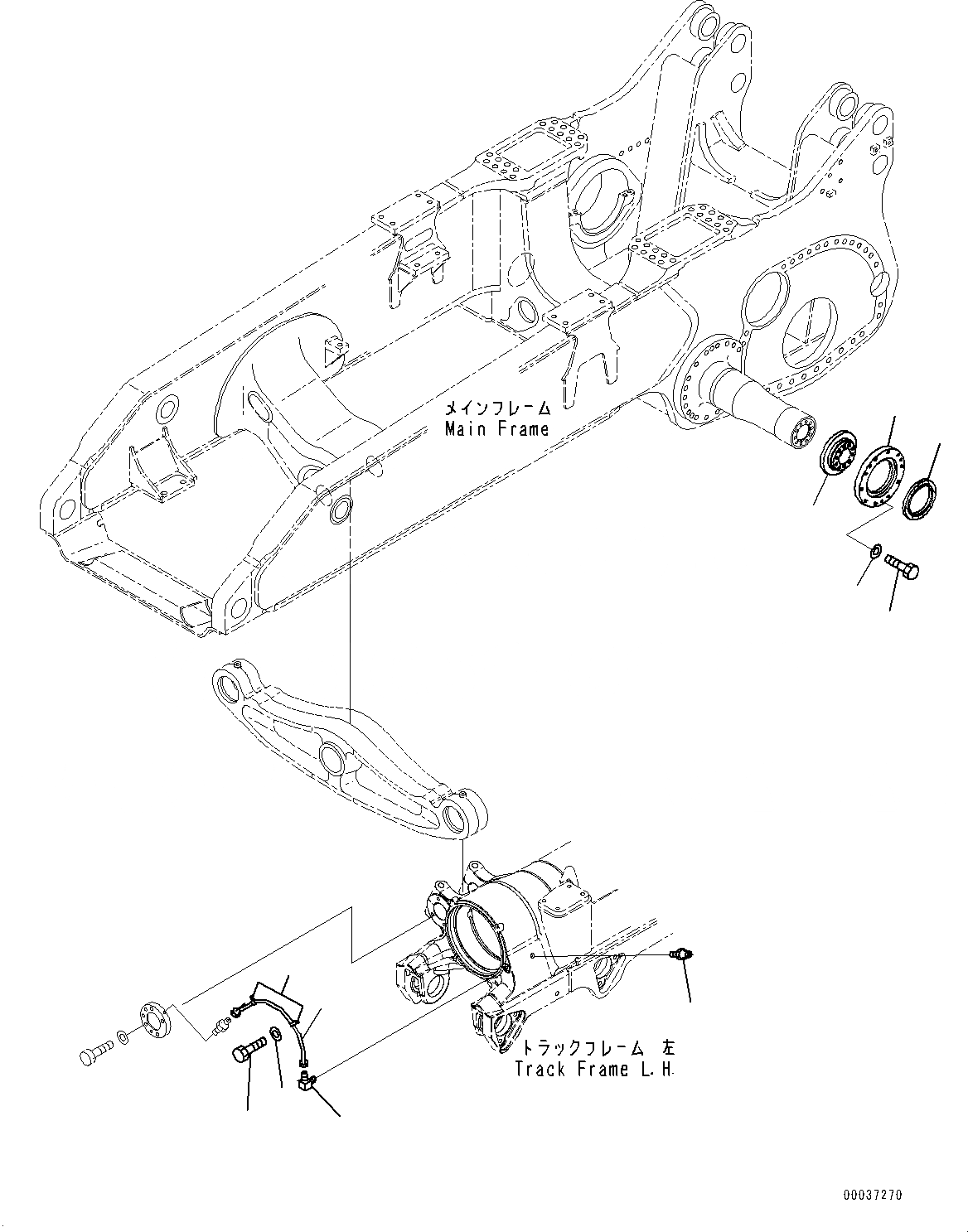
3
4
6
1
2
5
7
8
9
10
11
FIT
1:1
100%

Артикул

Название

Примечание

Количество

1

198-50-62331

Tube

SN: 30147-30163

1шт.

2

566-16-11970

Clip

SN: 30147-30163

2шт.

3

01010-81020

Bolt

SN: 30147-30163

2шт.

4

01643-31032

Washer

SN: 30147-30163

2шт.

5

20D-68-11780

Elbow

SN: 30147-30163

1шт.

6

07020-00000

Fitting, Grease

SN: 30147-30163

1шт.

7

198-50-31160

Washer

SN: 30147-30163

1шт.

8

198-50-52171

Washer

SN: 30147-30163

1шт.

9

198-50-31241

Seal

SN: 30147-30163

1шт.

10

01010-81665

Bolt

SN: 30147-30163

3шт.

11

01643-31645

Washer

SN: 30147-30163

3шт.

Выбрано товаров: 11