Запчасти Komatsu D475A-5E0 ГУСЕНИЧНАЯ РАМА, БАЛКА БАЛАНСИРА СМАЗКА, ПРАВ. (№7-) ГУСЕНИЧНАЯ РАМА, С ЗАЩИТА ОПОРНЫХ КАТКОВ, ДЛЯ ХОЛОДН. AREA СПЕЦ-ЯIFICATION A (- DEG C), ОТВАЛ С ДВОЙН. ПЕРЕКОСОМ, WEAR RESISTING ВТУЛКА

Схема запчастей Komatsu D475A-5E0 - ГУСЕНИЧНАЯ РАМА, БАЛКА БАЛАНСИРА СМАЗКА, ПРАВ. (№7-) ГУСЕНИЧНАЯ РАМА, С ЗАЩИТА ОПОРНЫХ КАТКОВ, ДЛЯ ХОЛОДН. AREA СПЕЦ-ЯIFICATION A (- DEG C), ОТВАЛ С ДВОЙН. ПЕРЕКОСОМ, WEAR RESISTING ВТУЛКА
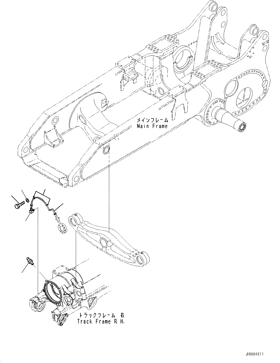
3
4
1
2
5
6
FIT
1:1
100%

Артикул

Название

Примечание

Количество

1

198-50-62341

Tube

SN: 30147-UP

1шт.

2

566-16-11970

Clip

SN: 30147-UP

2шт.

3

01010-81020

Bolt

SN: 30147-UP

2шт.

4

01643-31032

Washer

SN: 30147-UP

2шт.

5

20D-68-11780

Elbow

SN: 30147-UP

1шт.

6

07020-00000

Fitting, Grease

SN: 30147-UP

1шт.

Выбрано товаров: 6