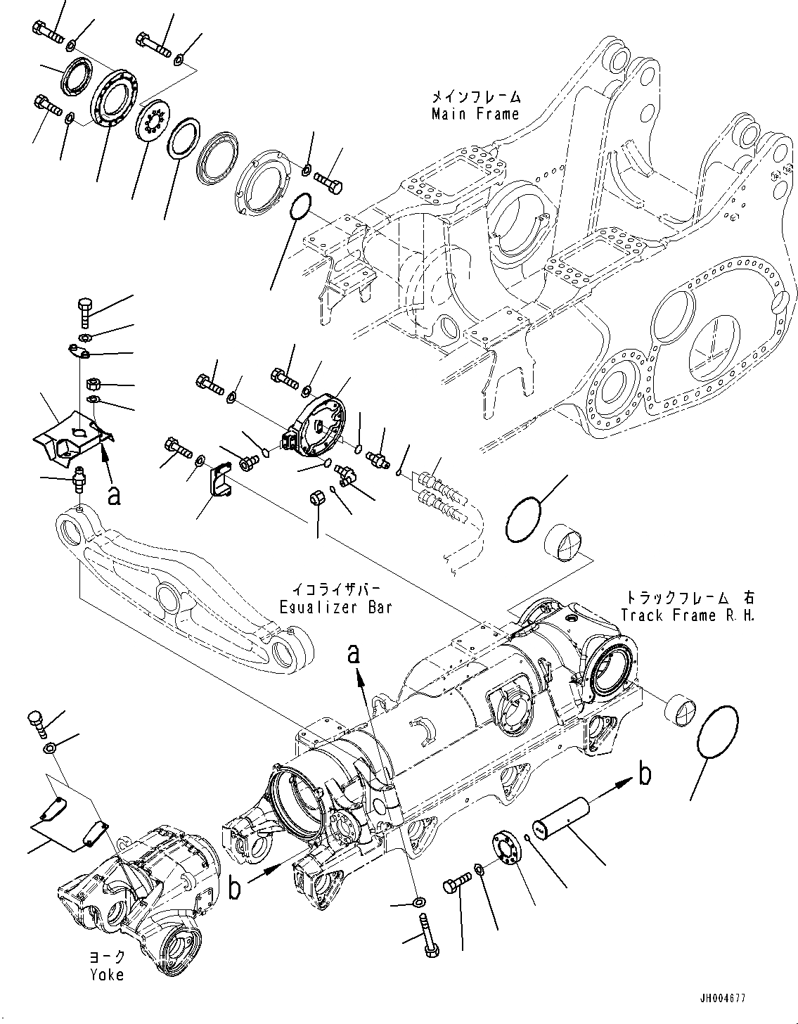
Запчасти Komatsu D475A-5E0 ГУСЕНИЧНАЯ РАМА, PIVOT, ПРАВ. (№-7) ГУСЕНИЧНАЯ РАМА, С ПОЛН. LENGTH ЗАЩИТА ОПОРНЫХ КАТКОВ

Схема запчастей Komatsu D475A-5E0 - ГУСЕНИЧНАЯ РАМА, PIVOT, ПРАВ. (№-7) ГУСЕНИЧНАЯ РАМА, С ПОЛН. LENGTH ЗАЩИТА ОПОРНЫХ КАТКОВ
13
11
9
15
16
12
14
30
28
29
25
26
27
19
17
18
22
21
24
23
20
48
47
36
37
46
35
41
39
40
38
34
32
33
49
45
44
42
43
31
7
8
6
5
4
11
10
2
3
1
FIT
1:1
100%

Артикул

Название

Примечание

Количество

1

198-30-69322

Plate

SN: 30164-30170

2шт.

2

01010-62040

Bolt

SN: 30164-30170

4шт.

3

01643-32060

Washer

SN: 30164-30170

4шт.

4

198-50-61150

Shaft

SN: 30164-30170

1шт.

5

198-50-61370

Cover

SN: 30164-30170

1шт.

6

07000-72020

O-ring

SN: 30164-30170

1шт.

7

01010-82070

Bolt

SN: 30164-30170

4шт.

8

01643-32060

Washer

SN: 30164-30170

4шт.

9

198-50-62321

Cover

SN: 30164-30170

1шт.

10

198-50-61410

Bolt

SN: 30164-30170

2шт.

11

01643-33380

Washer

SN: 30164-30170

4шт.

12

19M-09-12890

Nut

SN: 30164-30170

2шт.

13

07020-00000

Fitting, Grease

SN: 30164-30170

1шт.

14

198-50-61350

Cover

SN: 30164-30170

1шт.

15

01010-81225

Bolt

SN: 30164-30170

2шт.

16

01643-31232

Washer

SN: 30164-30170

2шт.

17

01010-81640

Bolt

SN: 30164-30170

6шт.

18

01643-31645

Washer

SN: 30164-30170

6шт.

19

07000-05190

O-ring

SN: 30164-30170

1шт.

20

198-50-31270

Spacer

SN: 30164-30170

1шт.

21

01011-82005

Bolt

SN: 30164-30170

10шт.

22

01643-32060

Washer

SN: 30164-30170

10шт.

23

01010-81665

Bolt

SN: 30164-30170

3шт.

24

01643-31645

Washer

SN: 30164-30170

3шт.

25

198-50-31160

Washer

SN: 30164-30170

1шт.

26

198-50-52171

Washer

SN: 30164-30170

1шт.

27

198-50-31241

Seal

SN: 30164-30170

1шт.

28

01010-81665

Bolt

SN: 30164-30170

3шт.

29

01643-31645

Washer

SN: 30164-30170

3шт.

30

07000-15355

O-ring

SN: 30164-30170

1шт.

31

07000-15315

O-ring

SN: 30164-30170

1шт.

32

02781-00628

Union

SN: 30164-30170

2шт.

33

02896-21018

O-ring

SN: 30164-30170

2шт.

34

07002-22434

O-ring

SN: 30164-30170

2шт.

35

198-50-51390

Cover

SN: 30164-30170

1шт.

36

07040-12412

Plug

SN: 30164-30170

2шт.

37

07002-22434

O-ring

SN: 30164-30170

2шт.

38

02782-1062A

Elbow

SN: 30164-30170

2шт.

39

02896-21018

O-ring

SN: 30164-30170

2шт.

40

07002-22434

O-ring

SN: 30164-30170

2шт.

41

02789-10628

Plug

SN: 30164-30170

2шт.

42

01010-81695

Bolt

SN: 30164-30170

9шт.

43

01643-31645

Washer

SN: 30164-30170

9шт.

44

01011-81625

Bolt

SN: 30164-30170

1шт.

45

01643-31645

Washer

SN: 30164-30170

1шт.

46

198-30-51440

Cover

SN: 30164-30170

1шт.

47

01010-81635

Bolt

SN: 30164-30170

3шт.

48

01643-31645

Washer

SN: 30164-30170

3шт.

49

198-61-61532

Hose

SN: UP

-1шт.

Выбрано товаров: 49