Запчасти Komatsu D475A-5E0 РЫХЛИТЕЛЬ (№7-) РЫХЛИТЕЛЬ, УДЛИНН. ПРОТЕКТОР

Схема запчастей Komatsu D475A-5E0 - РЫХЛИТЕЛЬ (№7-) РЫХЛИТЕЛЬ, УДЛИНН. ПРОТЕКТОР
5
10
6
7
8
9
1
2
3
4
5
10
9
1
2
3
4
6
7
8
FIT
1:1
100%

Артикул

Название

Примечание

Количество

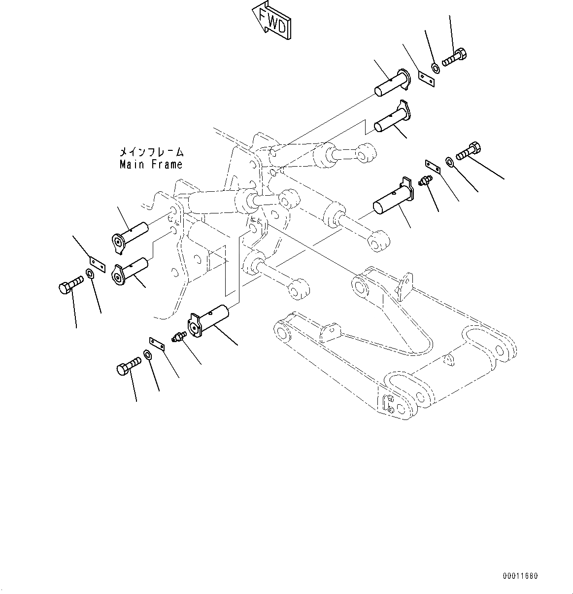
1

198-78-21180

Pin

SN: 30147-UP

2шт.

2

205-70-61560

Plate

SN: 30147-UP

2шт.

3

01010-82045

Bolt

SN: 30147-UP

4шт.

4

01643-32060

Washer

SN: 30147-UP

4шт.

5

198-78-21140

Pin

SN: 30147-UP

2шт.

6

195-78-21171

Plate

SN: 30147-UP

2шт.

7

01010-82040

Bolt

SN: 30147-UP

4шт.

8

01643-32060

Washer

SN: 30147-UP

4шт.

9

198-78-21180

Pin

SN: 30147-UP

2шт.

10

07020-00000

Fitting, Grease

SN: 30147-UP

2шт.

Выбрано товаров: 10