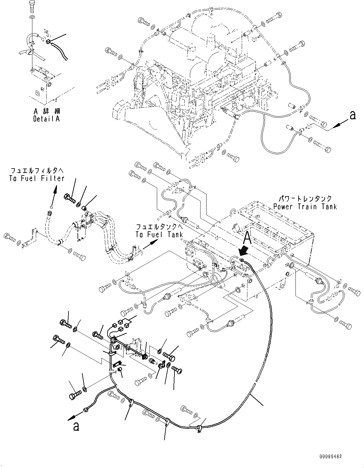
Запчасти Komatsu D475A-5E0 ХЛАДАГЕНТ И ОБОГРЕВ. МАСЛ. ПОДДОНА, ОСНОВН. РАМА ПРОВОДКА (№7-7) ХЛАДАГЕНТ И ОБОГРЕВ. МАСЛ. ПОДДОНА

Схема запчастей Komatsu D475A-5E0 - ХЛАДАГЕНТ И ОБОГРЕВ. МАСЛ. ПОДДОНА, ОСНОВН. РАМА ПРОВОДКА (№7-7) ХЛАДАГЕНТ И ОБОГРЕВ. МАСЛ. ПОДДОНА
4
8
6
2
3
1
4
19
19
19
7
13
15
14
5
10
11
16
17
9
18
12
4
21
20
22
FIT
1:1
100%

Артикул

Название

Примечание

Количество

1

175-06-39830

Cap

SN: 30147-30173

1шт.

2

01220-40312

Screw

SN: 30147-30173

1шт.

3

01601-20307

Washer

SN: 30147-30173

1шт.

4

198-06-51610

Wiring Harness

SN: 30147-30173

1шт.

5

22U-06-11270

Fusible Link, 65Amp.

SN: 30147-30173

2шт.

6

01220-40312

Screw

SN: 30147-30173

4шт.

7

01601-20307

Washer

SN: 30147-30173

4шт.

8

01023-10610

Screw

SN: 30147-30173

1шт.

9

154-Z11-5340

Bracket

SN: 30147-30173

1шт.

10

01010-81225

Bolt

SN: 30147-30173

1шт.

11

01643-31232

Washer

SN: 30147-30173

1шт.

12

08034-20414

Band

SN: 30147-30173

1шт.

13

04434-52312

Clip

SN: 30147-30173

2шт.

14

01010-81225

Bolt

SN: 30147-30173

1шт.

15

01643-31232

Washer

SN: 30147-30173

1шт.

16

01010-81245

Bolt

SN: 30147-30173

1шт.

17

01643-31232

Washer

SN: 30147-30173

1шт.

18

195-33-11220

Spacer

SN: 30147-30173

1шт.

19

04434-51512

Clip

SN: 30147-30173

3шт.

20

20Y-03-11220

Collar

SN: 30147-30173

1шт.

21

01010-81260

Bolt

SN: 30147-30173

1шт.

22

01643-31232

Washer

SN: 30147-30173

1шт.

Выбрано товаров: 22