Запчасти Komatsu D475A-5E0 ХЛАДАГЕНТ И ОБОГРЕВ. МАСЛ. ПОДДОНА, ПРОВОДКА, ДВИГАТЕЛЬ (№7-) ХЛАДАГЕНТ И ОБОГРЕВ. МАСЛ. ПОДДОНА

Схема запчастей Komatsu D475A-5E0 - ХЛАДАГЕНТ И ОБОГРЕВ. МАСЛ. ПОДДОНА, ПРОВОДКА, ДВИГАТЕЛЬ (№7-) ХЛАДАГЕНТ И ОБОГРЕВ. МАСЛ. ПОДДОНА
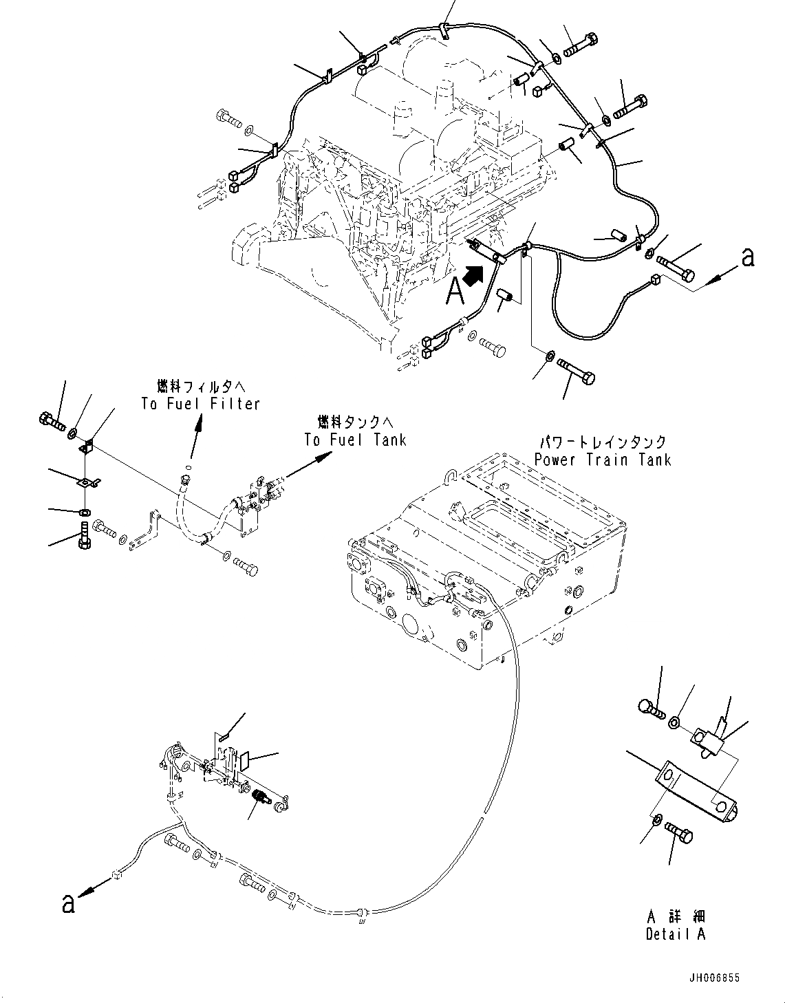
22
24
1
18
20
19
25
23
18
20
11
9
10
9
8
19
26
10
22
11
8
21
21
4
3
2
5
6
7
27
23
16
17
15
12
13
14
1
FIT
1:1
100%

Артикул

Название

Примечание

Количество

1

198-06-71190

Wiring Harness

SN: 30174-UP

1шт.

2

17M-49-15260

Bracket

SN: 30174-UP

1шт.

3

01010-81230

Bolt

SN: 30174-UP

1шт.

4

01643-31232

Washer

SN: 30174-UP

1шт.

5

01010-81220

Bolt

SN: 30174-UP

1шт.

6

01643-31232

Washer

SN: 30174-UP

1шт.

7

08193-21012

Clip

SN: 30174-UP

2шт.

8

04434-52110

Clip

SN: 30174-UP

2шт.

9

01010-81075

Bolt

SN: 30174-UP

2шт.

10

01643-31032

Washer

SN: 30174-UP

2шт.

11

6152-51-5520

Spacer

SN: 30174-UP

2шт.

12

203-06-61730

Bracket

SN: 30174-UP

1шт.

13

01010-81220

Bolt

SN: 30174-UP

1шт.

14

01643-31232

Washer

SN: 30174-UP

1шт.

15

04434-52110

Clip

SN: 30174-UP

2шт.

16

01010-81020

Bolt

SN: 30174-UP

2шт.

17

01643-31032

Washer

SN: 30174-UP

2шт.

18

04434-52110

Clip

SN: 30174-UP

2шт.

19

01010-81060

Bolt

SN: 30174-UP

2шт.

20

01643-31032

Washer

SN: 30174-UP

2шт.

21

206-01-44320

Collar

SN: 30174-UP

2шт.

22

04434-52110

Clip

SN: 30174-UP

3шт.

23

08034-20414

Band

SN: 30174-UP

2шт.

24

04434-52110

Clip

SN: 30174-UP

1шт.

25

175-06-37871

Plug

SN: 30174-UP

1шт.

26

195-98-14780

Plate, Caution

SN: 30174-UP

1шт.

27

09804-10480

Plate, Safety

SN: 30174-UP

1шт.

Выбрано товаров: 27