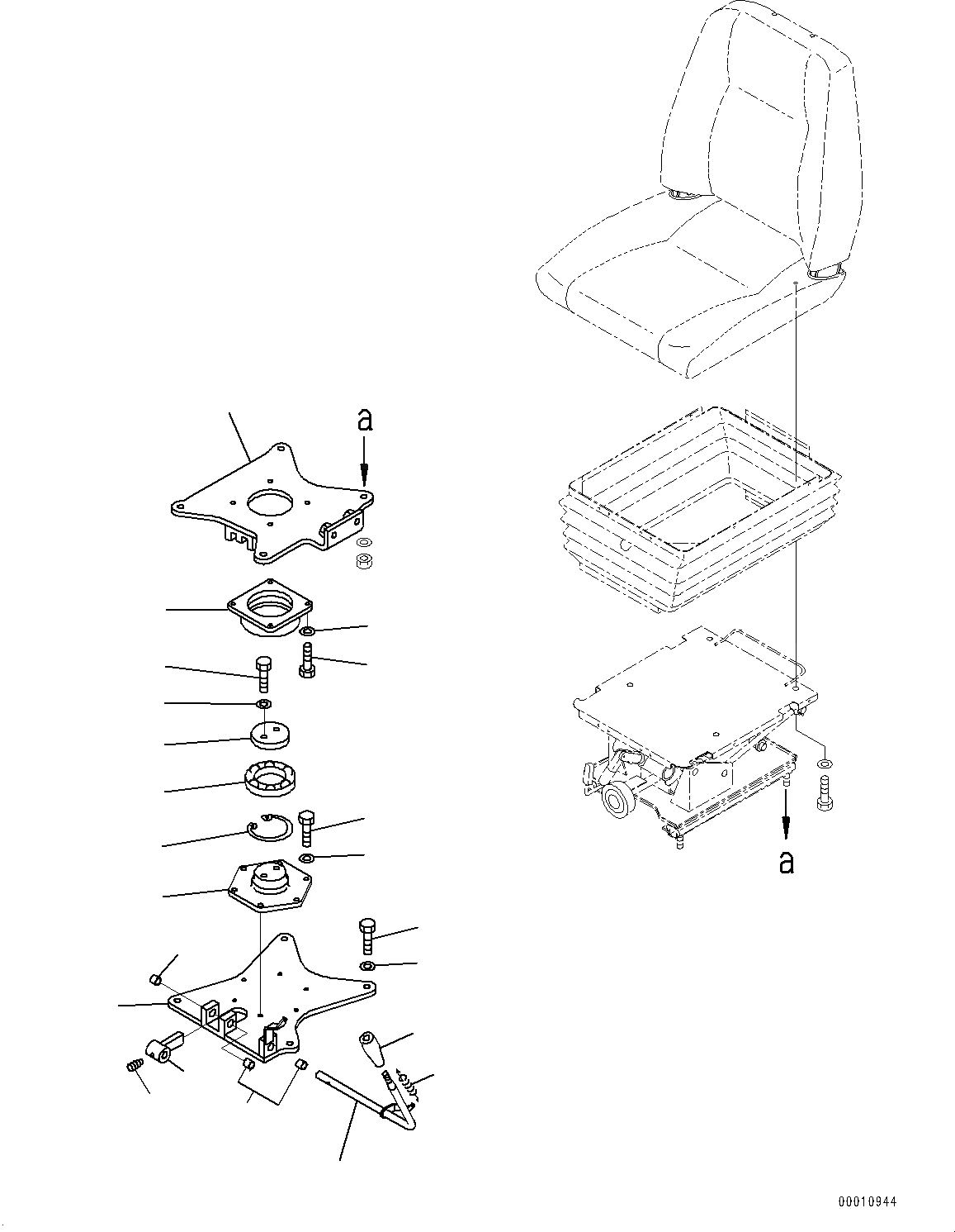
Запчасти Komatsu D475A-5E0 СИДЕНЬЕ ОПЕРАТОРА TURN TABLE (№7-) СИДЕНЬЕ ОПЕРАТОРА TURN TABLE

Схема запчастей Komatsu D475A-5E0 - СИДЕНЬЕ ОПЕРАТОРА TURN TABLE (№7-) СИДЕНЬЕ ОПЕРАТОРА TURN TABLE
17
16
13
7
1
4
11
10
8
6
5
3
2
19
18
14
15
14
12
9
6
5
FIT
1:1
100%

Артикул

Название

Примечание

Количество

1

19M-57-31743

Plate

SN: 30147-UP

1шт.

2

198-57-61120

Cage

SN: 30147-UP

1шт.

3

06304-06014

Bearing

SN: 30147-UP

1шт.

4

04065-01104

Ring, Snap

SN: 30147-UP

1шт.

5

01010-81025

Bolt

SN: 30147-UP

10шт.

6

01643-31032

Washer

SN: 30147-UP

10шт.

7

198-57-61150

Plate

SN: 30147-UP

1шт.

8

198-57-61130

Holder

SN: 30147-UP

1шт.

9

198-57-61140

Boss

SN: 30147-UP

1шт.

10

01010-81440

Bolt

SN: 30147-UP

2шт.

11

01643-31445

Washer, Flat

SN: 30147-UP

2шт.

12

19M-57-31770

Lever

SN: 30147-UP

1шт.

13

19M-57-31791

Lever

SN: 30147-UP

1шт.

14

09350-01615

Bushing

SN: 30147-UP

3шт.

15

01312-20616

Screw

SN: 30147-UP

1шт.

16

154-44-12460

Spring

SN: 30147-UP

1шт.

17

14Z-43-11310

Knob

SN: 30147-UP

1шт.

18

01010-81240

Bolt

SN: 30257-UP

4шт.

18

01010-81235

Bolt

SN: 30147-30256

4шт.

19

01643-31232

Washer

SN: 30147-UP

4шт.

Выбрано товаров: 0