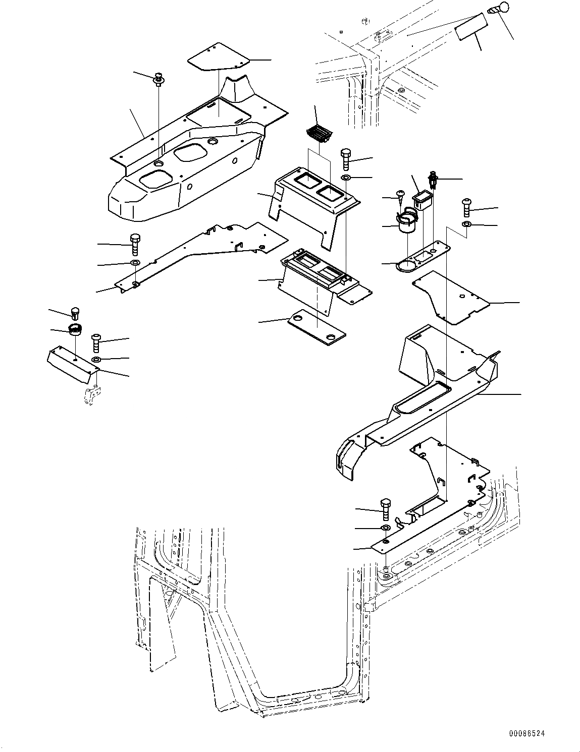
Запчасти Komatsu D475A-5E0 КАБИНА, ЧАСТИ ОБШИВКИ (/) (№7-) КАБИНА, С КОЗЫРЕК, ДВОЙН. ОКНА ДВОРНИКИ, ДЛЯ СТРАН ЕС БЕЗОПАСН. REGULATION

Схема запчастей Komatsu D475A-5E0 - КАБИНА, ЧАСТИ ОБШИВКИ (/) (№7-) КАБИНА, С КОЗЫРЕК, ДВОЙН. ОКНА ДВОРНИКИ, ДЛЯ СТРАН ЕС БЕЗОПАСН. REGULATION
14
11
15
22
2
1
5
4
21
3
20
18
12
17
10
16
7
8
9
5
4
6
19
23
4
5
1
24
25
26
13
FIT
1:1
100%

Артикул

Название

Примечание

Количество

1

198-Z11-6170

Bracket

SN: 30147-UP

1шт.

|$1

198-Z11-6190

Bracket

SN: 30147-UP

1шт.

2

198-Z11-6150

Duct

SN: 30147-UP

1шт.

3

198-Z11-6250

Sheet

SN: 30147-UP

1шт.

4

01010-D0820

Bolt

SN: 30147-UP

13шт.

5

01643-70823

Washer

SN: 30147-UP

13шт.

6

201-979-7820

Grille

SN: 30147-UP

2шт.

7

17A-Z11-3180

Holder

SN: 30147-UP

1шт.

8

01370-40408

Screw

SN: 30147-UP

2шт.

9

20Y-06-21751

Ashtray

SN: 30147-UP

2шт.

10

20Y-06-23472

Cigarette Lighter

SN: 30147-UP

1шт.

11

198-Z11-6281

Cover

SN: 30147-UP

1шт.

12

20Y-979-6161

Sensor

SN: 30147-UP

1шт.

13

20Y-54-65310

Adapter

SN: 30147-UP

1шт.

14

01245-00616

Screw

SN: 30147-UP

4шт.

15

01643-70623

Washer

SN: 30147-UP

4шт.

16

198-Z11-6160

Plate

SN: 30147-UP

1шт.

17

01245-00616

Screw

SN: 30147-UP

4шт.

18

01643-70623

Washer

SN: 30147-UP

4шт.

19

198-Z11-6230

Sheet

SN: 30147-UP

1шт.

20

198-Z11-6241

Sheet

SN: 30147-UP

1шт.

21

198-54-61511

Cover

SN: 30147-UP

1шт.

22

198-54-61521

Cover

SN: 30147-UP

1шт.

23

198-54-61531

Cover

SN: 30147-UP

1шт.

24

23D-950-4450

Button

SN: 30147-UP

20шт.

25

09620-C2000

Plate, Warning, FOPS

SN: 30147-UP

1шт.

26

04418-13060

Screw

SN: 30147-UP

4шт.

Выбрано товаров: 27