Запчасти Komatsu D475A-5E0 ОСНОВН. КОНСТРУКЦИЯ, ПРИБОРНАЯ ПАНЕЛЬ ВОЗДУХОВОДЫ (№7-) ОСНОВН. КОНСТРУКЦИЯ, PROVISION МНОГОСТОЕЧН. РЫХЛИТ., С КОНТРОЛЕМ ПРОСКАЛЬЗ-Я ГУСЕНИЦ, ОТВАЛ С ДВОЙН. ПЕРЕКОСОМ СПЕЦ-ЯIFICATION

Схема запчастей Komatsu D475A-5E0 - ОСНОВН. КОНСТРУКЦИЯ, ПРИБОРНАЯ ПАНЕЛЬ ВОЗДУХОВОДЫ (№7-) ОСНОВН. КОНСТРУКЦИЯ, PROVISION МНОГОСТОЕЧН. РЫХЛИТ., С КОНТРОЛЕМ ПРОСКАЛЬЗ-Я ГУСЕНИЦ, ОТВАЛ С ДВОЙН. ПЕРЕКОСОМ СПЕЦ-ЯIFICATION
7
4
3
1
2
3
3
7
10
7
4
4
3
17
16
17
16
5
9
8
6
5
6
13
15
4
4
4
4
6
5
4
11
12
15
14
24
27
26
25
22
23
19
21
20
22
18
27
14
FIT
1:1
100%

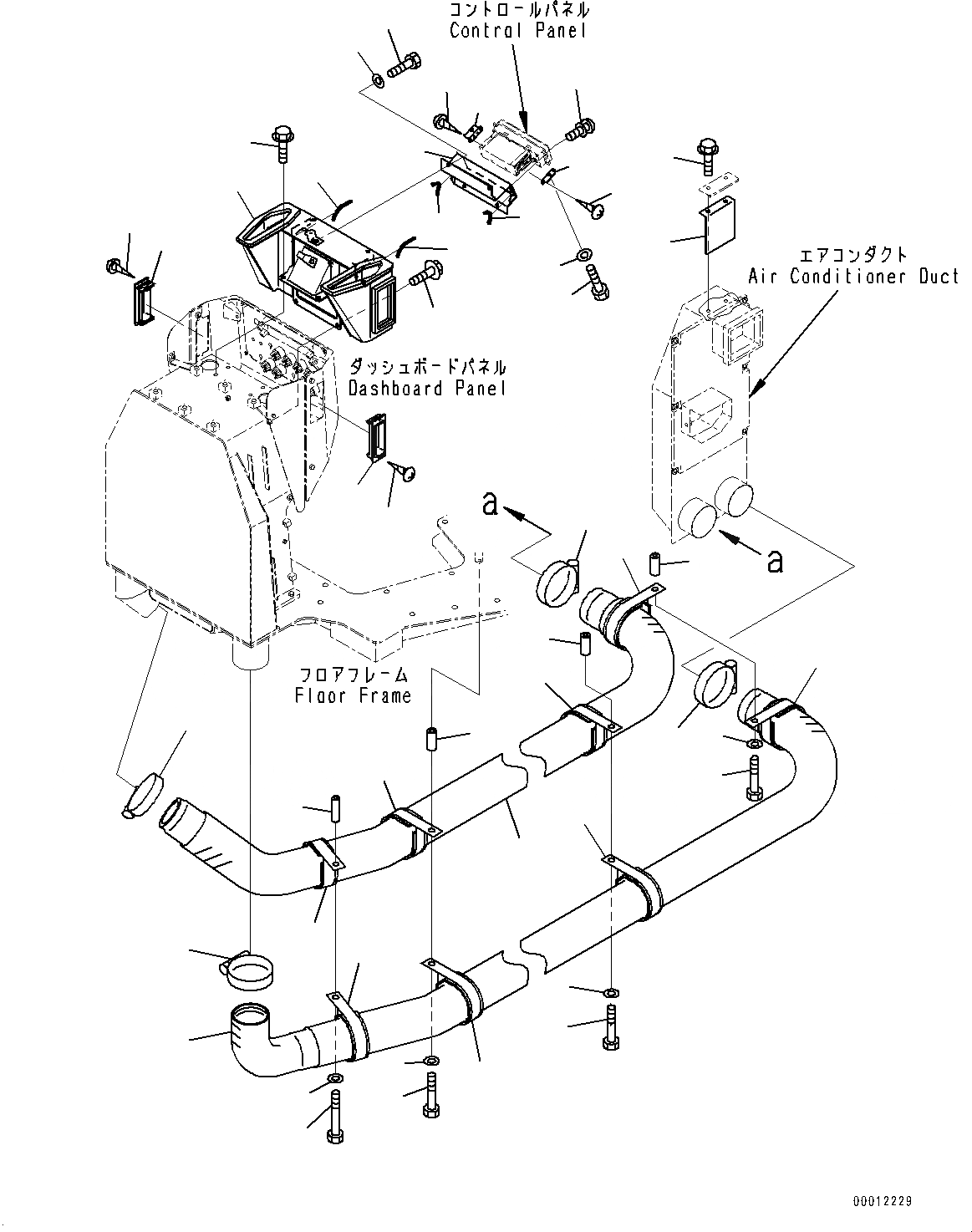
Артикул

Название

Примечание

Количество

1

198-911-6311

Duct

SN: 30147-UP

1шт.

2

198-911-6321

Duct

SN: 30147-UP

1шт.

3

07289-00105

Clamp

SN: 30147-UP

4шт.

4

198-911-7750

Clip

SN: 30147-UP

8шт.

5

01010-81075

Bolt

SN: 30147-UP

3шт.

6

01643-31032

Washer

SN: 30147-UP

3шт.

7

6152-51-5520

Spacer

SN: 30147-UP

3шт.

8

01011-81000

Bolt

SN: 30147-UP

1шт.

9

01643-31032

Washer

SN: 30147-UP

1шт.

10

6130-12-4571

Spacer

SN: 30147-UP

1шт.

11

198-911-6870

Rubber

SN: 30147-UP

1шт.

12

01435-40814

Bolt

SN: 30147-UP

2шт.

|$12

198-54-72921

Duct Assembly

SN: 30147-UP

1шт.

13

198-911-7970

Duct

SN: 30147-UP

1шт.

14

198-54-72890

Grommet

SN: 30147-UP

2шт.

15

01435-40820

Bolt

SN: 30147-UP

6шт.

16

17A-Z11-7161

Louver

SN: 30147-UP

2шт.

17

01370-10308

Screw

SN: 30147-UP

4шт.

18

198-54-72860

Bracket

SN: 30147-UP

1шт.

19

01023-10516

Screw

SN: 30147-UP

4шт.

20

198-54-72870

Bracket

SN: 30147-UP

1шт.

21

198-54-72880

Bracket

SN: 30147-UP

1шт.

22

01370-00410

Screw

SN: 30147-UP

4шт.

23

01010-80612

Bolt

SN: 30147-UP

2шт.

24

01643-30623

Washer

SN: 30147-UP

2шт.

25

01010-80816

Bolt

SN: 30147-UP

4шт.

26

01643-50823

Washer

SN: 30147-UP

4шт.

27

198-54-72890

Grommet

SN: 30147-UP

2шт.

Выбрано товаров: 28