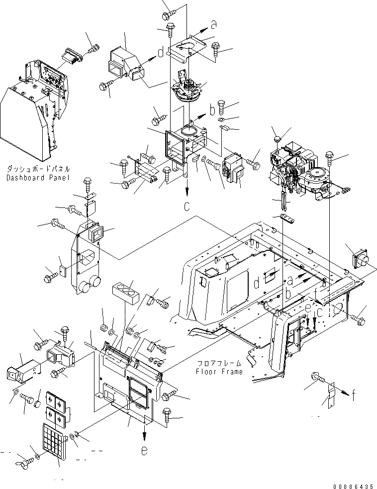
Запчасти Komatsu D475ASD-5E0 ОСНОВН. КОНСТРУКЦИЯ (КОНДИЦ. ВОЗДУХА) (ПОЛ ВОЗДУХОВОДЫ) (ДЛЯ ДОПОЛН. ОБОГРЕВАТ) КАБИНА ОПЕРАТОРА И СИСТЕМА УПРАВЛЕНИЯ

Схема запчастей Komatsu D475ASD-5E0 - ОСНОВН. КОНСТРУКЦИЯ (КОНДИЦ. ВОЗДУХА) (ПОЛ ВОЗДУХОВОДЫ) (ДЛЯ ДОПОЛН. ОБОГРЕВАТ) КАБИНА ОПЕРАТОРА И СИСТЕМА УПРАВЛЕНИЯ
1
1
2
3
4
5
6
6
7
8
9
10
10
10
10
11
12
13
13
14
14
15
15
16
16
17
17
18
19
20
21
22
23
24
24
25
26
27
28
28
29
30
30
31
32
32
32
33
34
35
36
37
38
38
39
39
40
41
42
43
44
45
46
47
48
49
50
FIT
1:1
100%

Артикул

Название

Примечание

Количество

1

20Y-979-6741

BLOWER

SN: 30001-UP

1шт.

2

198-911-6720

DUCT ASS'Y

SN: 30001-UP

1шт.

3

198-911-6880

DUCT ASS'Y

SN: 30001-UP

1шт.

4

203-979-6960

CAP

SN: 30001-UP

1шт.

5

08034-20310

BAND

SN: 30001-UP

1шт.

6

20Y-979-6281

HOSE

SN: 30001-UP

2шт.

7

20Y-54-65130

GROMMET

SN: 30001-UP

1шт.

8

01023-10516

SCREW

SN: 30001-UP

4шт.

9

01435-41020

BOLT

SN: 30001-UP

6шт.

10

01435-40814

BOLT

SN: 30001-UP

10шт.

11

198-911-6581

COVER

SN: 30001-UP

1шт.

12

198-911-6760

CUSHION

SN: 30001-UP

1шт.

13

198-Z11-2850

HANDLE

SN: 30001-UP

1шт.

14

198-911-6890

CATCHER

SN: 30001-UP

2шт.

15

01023-70316

SCREW

SN: 30001-UP

8шт.

16

01580-20302

NUT

SN: 30001-UP

8шт.

17

01640-20305

WASHER

SN: 30001-UP

8шт.

18

20Y-979-6261

FILTER

SN: 30001-UP

2шт.

19

198-911-7660

COVER

SN: 30001-UP

1шт.

20

198-911-6970

BOLT

SN: 30001-UP

2шт.

21

01643-70623

WASHER

SN: 30001-UP

2шт.

22

198-911-6990

RING

SN: 30001-UP

2шт.

23

01640-20610

WASHER

SN: 30001-UP

2шт.

24

01435-41016

BOLT

SN: 30001-UP

6шт.

25

198-911-6520

DUCT

SN: 30001-UP

1шт.

26

01435-41016

BOLT

SN: 30001-UP

2шт.

27

198-911-6560

DUCT

SN: 30001-UP

1шт.

28

01435-41016

BOLT

SN: 30001-UP

4шт.

29

198-911-6620

BRACKET

SN: 30001-UP

1шт.

30

01435-41016

BOLT

SN: 30001-UP

4шт.

31

198-911-6460

DUCT

SN: 30001-UP

1шт.

32

01435-40816

BOLT

SN: 30001-UP

5шт.

33

198-911-7940

DUCT

SN: 30001-UP

1шт.

34

09415-02110

CAP

SN: 30001-UP

4шт.

35

01010-B0816

BOLT

SN: 30001-UP

4шт.

36

01643-50823

WASHER

SN: 30001-UP

4шт.

37

04435-51008

CLIP

SN: 30001-UP

2шт.

38

01010-80816

BOLT

SN: 30001-UP

2шт.

39

01643-30823

WASHER

SN: 30001-UP

2шт.

40

198-911-6980

BRACKET

SN: 30001-UP

1шт.

41

01435-41016

BOLT

SN: 30001-UP

2шт.

42

04434-51010

CLIP

SN: 30001-UP

1шт.

43

198-911-7870

DUCT

SN: 30001-UP

1шт.

44

01435-41020

BOLT

SN: 30001-UP

5шт.

45

01435-41025

BOLT

SN: 30001-UP

1шт.

46

198-911-6550

PLATE

SN: 30001-UP

1шт.

47

01435-41016

BOLT

SN: 30001-UP

1шт.

48

198-911-6590

DUCT

SN: 30001-UP

1шт.

49

01435-41020

BOLT

SN: 30001-UP

4шт.

50

198-911-6860

PLATE

SN: 30001-UP

1шт.

Выбрано товаров: 50