Запчасти Komatsu D475ASD-5E0 РЫХЛИТЕЛЬ (BEAM И РУКОЯТЬ) (ДЛЯ УДАЛЕНН. РЫХЛИТЕЛЬ СМАЗ.)(№-) РАБОЧЕЕ ОБОРУДОВАНИЕ

Схема запчастей Komatsu D475ASD-5E0 - РЫХЛИТЕЛЬ (BEAM И РУКОЯТЬ) (ДЛЯ УДАЛЕНН. РЫХЛИТЕЛЬ СМАЗ.)(№-) РАБОЧЕЕ ОБОРУДОВАНИЕ
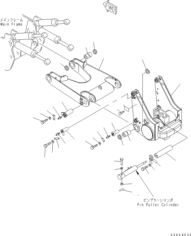
1
2
3
3
4
4
5
5
5
6
6
7
7
8
8
9
10
11
12
13
13
14
15
16
17
18
18
19
20
21
22
23
24
FIT
1:1
100%

Артикул

Название

Примечание

Количество

1

198-79-61110

BEAM

SN: 30001-@

1шт.

2

198-78-21130

BUSHING

SN: 30001-@

2шт.

3

198-50-11171

SEAL

SN: 30001-@

4шт.

4

198-78-21190

PIN

SN: 30001-@

4шт.

5

07020-00000

FITTING

SN: 30001-@

2шт.

6

205-70-61560

PLATE

SN: 30001-@

4шт.

7

01010-82045

BOLT

SN: 30001-@

8шт.

8

01643-32060

WASHER

SN: 30001-@

8шт.

9

198-79-22120

PIN

SN: 30001-@

1шт.

10

198-79-22130

PLATE

SN: 30001-@

2шт.

11

01010-81030

BOLT

SN: 30001-@

4шт.

12

01643-31032

WASHER

SN: 30001-@

4шт.

13

195-79-52110

COLLAR

SN: 30001-@

2шт.

14

175-79-61210

PIN

SN: 30001-@

1шт.

15

04050-16040

PIN

SN: 30001-@

1шт.

16

198-78-61510

ARM

SN: 30001-@

1шт.

17

198-78-21130

BUSHING

SN: 30001-@

2шт.

18

198-50-11171

SEAL

SN: 30001-@

4шт.

19

198-78-61520

PIN

SN: 30001-@

2шт.

20

195-78-21171

PLATE

SN: 30001-@

2шт.

21

01010-82040

BOLT

SN: 30001-@

4шт.

22

01643-32060

WASHER

SN: 30001-@

4шт.

23

0

PLATE, NAME

SN: 30001-30134

1шт.

24

04418-13060

SCREW

SN: 30001-30134

4шт.

Выбрано товаров: 24