Запчасти Komatsu D475ASD-5E0 СИЛОВАЯ ПЕРЕДАЧА (/)¤ ФИЛЬТР И НАСОС СИЛОВОЙ ЛИНИИ СИЛОВАЯ ПЕРЕДАЧА И КОНЕЧНАЯ ПЕРЕДАЧА

Схема запчастей Komatsu D475ASD-5E0 - СИЛОВАЯ ПЕРЕДАЧА (/)¤ ФИЛЬТР И НАСОС СИЛОВОЙ ЛИНИИ СИЛОВАЯ ПЕРЕДАЧА И КОНЕЧНАЯ ПЕРЕДАЧА
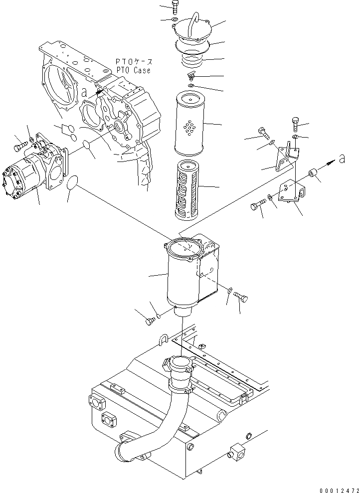
1
2
3
4
5
6
7
8
9
10
11
12
13
14
15
16
17
18
19
20
21
22
23
23
24
25
26
27
28
FIT
1:1
100%

Артикул

Название

Примечание

Количество

|$2

198-22-60002

POWER TRAIN ASS'Y

SN: 30002-UP

1шт.

|$3

0

POWER TRAIN ASS'Y

SN: 30001-30001

1шт.

|$$3

THESE ASSEMBLIES CONSIST OF ALL PARTS SHOWN IN FIGS.F2300-51A0 TO F2300-64A0.

-1шт.

1

198-49-62811

CASE

SN: 30001-UP

1шт.

2

07040-11007

PLUG

SN: 30001-UP

1шт.

3

07002-61023

O-RING

SN: 30001-UP

1шт.

4

198-49-33141

MAGNET ASS'Y

SN: 30001-UP

1шт.

5

198-49-43120

SCREEN

SN: 30001-UP

1шт.

6

195-49-35151

BOLT

SN: 30001-UP

1шт.

7

01643-32060

WASHER

SN: 30001-UP

1шт.

8

21T-60-13650

SPRING

SN: 30001-UP

1шт.

9

198-49-33131

COVER

SN: 30001-UP

1шт.

10

07000-35190

O-RING

SN: 30001-UP

1шт.

11

01010-81235

BOLT

SN: 30001-UP

3шт.

12

01643-31232

WASHER

SN: 30001-UP

3шт.

13

07000-E2100

O-RING

SN: 30001-UP

1шт.

14

01010-61650

BOLT

SN: 30001-UP

4шт.

15

01643-31645

WASHER

SN: 30001-UP

4шт.

16

198-49-62841

BRACKET

SN: 30001-UP

1шт.

17

01010-81265

BOLT

SN: 30001-UP

2шт.

18

01643-31232

WASHER

SN: 30001-UP

2шт.

19

6131-22-3750

BOSS

SN: 30001-UP

2шт.

20

198-49-62830

BRACKET

SN: 30001-UP

1шт.

21

01010-81240

BOLT

SN: 30001-UP

2шт.

22

01010-81235

BOLT

SN: 30001-UP

2шт.

23

175-54-34170

WASHER

SN: 30001-UP

4шт.

24

704-71-44071

PUMP ASS'Y

SN: 30001-UP

1шт.

25

07000-32070

O-RING

SN: 30001-UP

1шт.

26

07000-73040

O-RING

SN: 30001-UP

2шт.

27

01010-81240

BOLT

SN: 30001-UP

4шт.

28

01643-31232

WASHER

SN: 30001-UP

4шт.

Выбрано товаров: 31