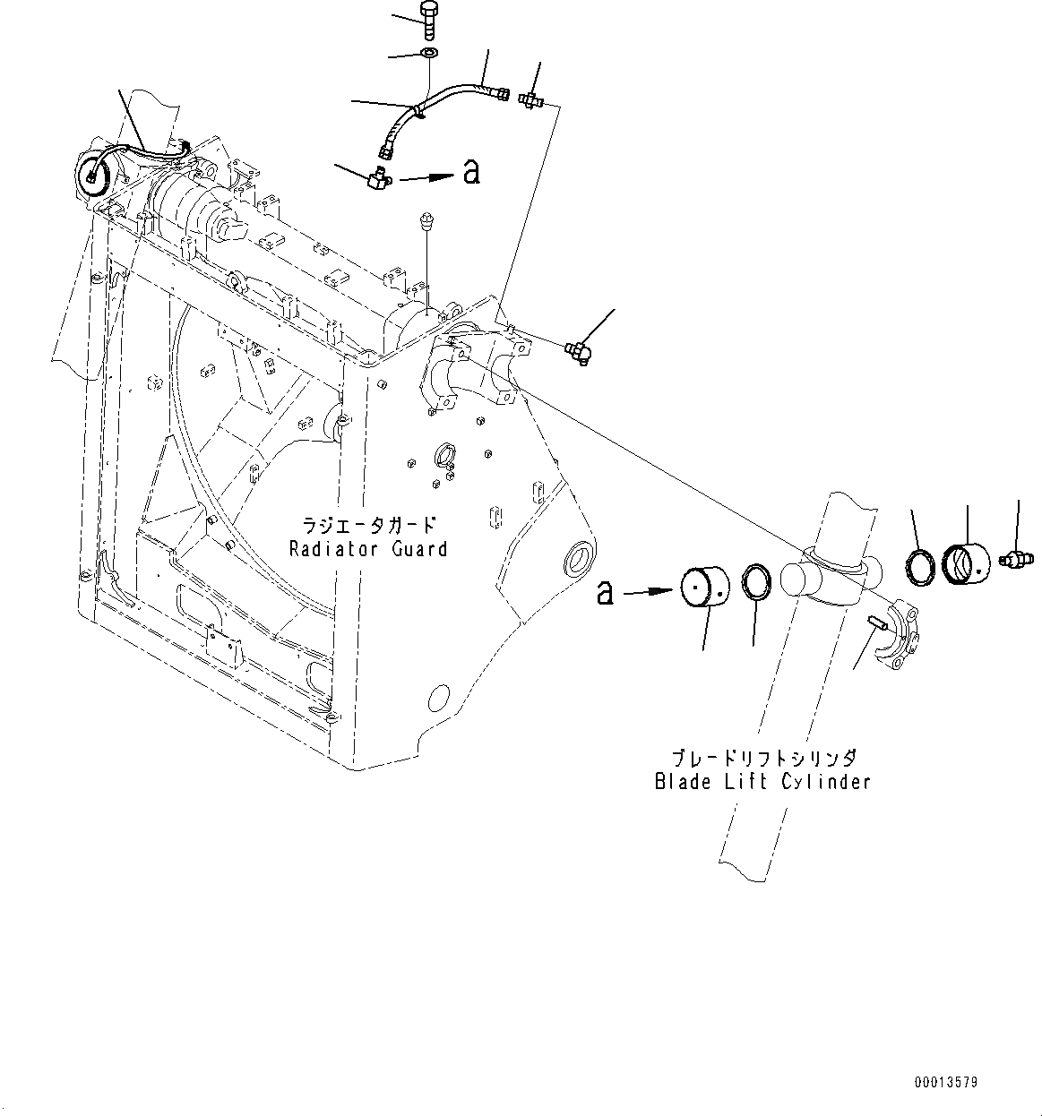
Запчасти Komatsu D475ASD-5E0 ЦИЛИНДР ПОДЪЕМА ОТВАЛА (№7-) ЦИЛИНДР ПОДЪЕМА ОТВАЛА

Схема запчастей Komatsu D475ASD-5E0 - ЦИЛИНДР ПОДЪЕМА ОТВАЛА (№7-) ЦИЛИНДР ПОДЪЕМА ОТВАЛА
1
2
3
2
1
5
5
6
10
4
9
8
7
11
FIT
1:1
100%

Артикул

Название

Примечание

Количество

1

19M-61-11161

Bushing

SN: 30147-UP

4шт.

2

19M-09-11472

Seal

SN: 30147-UP

4шт.

3

04020-01638

Pin, Dowel

SN: 30147-UP

4шт.

4

202-62-21430

Elbow

SN: 30147-UP

2шт.

5

21K-62-18170

Hose

SN: 30147-UP

2шт.

6

203-62-21740

Nipple

SN: 30147-UP

2шт.

7

07020-00000

Fitting, Grease

SN: 30147-UP

2шт.

8

198-904-4280

Clip

SN: 30147-UP

2шт.

9

01010-81225

Bolt

SN: 30147-UP

2шт.

10

01643-31232

Washer

SN: 30147-UP

2шт.

11

07020-00675

Fitting, Grease

SN: 30147-UP

2шт.

Выбрано товаров: 11