Запчасти Komatsu D475ASD-5E0 КАПОТ И БОКОВ. КРЫШКА ГРУППА, ПРЕФИЛЬТР ТРУБЫ (№7-) КАПОТ И БОКОВ. КРЫШКА ГРУППА, ДЛЯ EXTRA BAD ТОПЛИВН. И ПЛОХ. ТОПЛИВО СПЕЦ-ЯIFICATION, ВОДН.+DUST, ДОПОЛН. ФИЛЬТР.

Схема запчастей Komatsu D475ASD-5E0 - КАПОТ И БОКОВ. КРЫШКА ГРУППА, ПРЕФИЛЬТР ТРУБЫ (№7-) КАПОТ И БОКОВ. КРЫШКА ГРУППА, ДЛЯ EXTRA BAD ТОПЛИВН. И ПЛОХ. ТОПЛИВО СПЕЦ-ЯIFICATION, ВОДН.+DUST, ДОПОЛН. ФИЛЬТР.
40
41
39
40
41
39
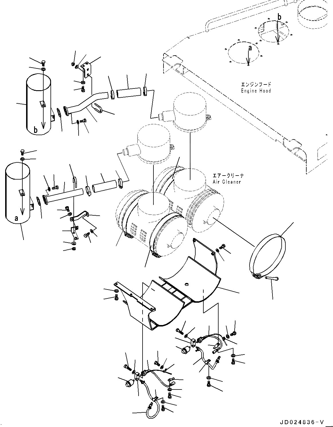
1
2
2
2
2
17
18
18
17
8
8
19
19
5
5
4
4
9
9
7
6
13
14
14
13
15
16
16
15
10
10
11
12
12
11
3
20
21
21
20
24
24
25
27
28
27
28
30
32
32
33
33
34
34
22
22
23
23
23
23
26
31
36
35
29
37
38
38
37
FIT
1:1
100%

Артикул

Название

Примечание

Количество

1

198-54-78321

Bracket

SN: 30147-UP

1шт.

2

6240-11-9910

Band

SN: 30147-UP

4шт.

3

6643-11-4641

Bolt

SN: 30147-UP

4шт.

4

08672-01000

Indicator

SN: 30147-UP

2шт.

5

7861-93-1422

Sensor

SN: 30196-UP

2шт.

5

7861-93-1421

Sensor

SN: 30147-30195

2шт.

6

08671-70080

Hose

SN: 30147-UP

1шт.

7

08671-70100

Hose

SN: 30147-UP

1шт.

8

08193-20012

Clip

SN: 30147-UP

2шт.

9

04434-51412

Clip

SN: 30147-UP

2шт.

10

04434-50510

Clip

SN: 30147-UP

2шт.

11

01010-81020

Bolt

SN: 30147-UP

2шт.

12

01643-31032

Washer

SN: 30147-UP

2шт.

13

01010-81220

Bolt

SN: 30147-UP

2шт.

14

01643-31232

Washer

SN: 30147-UP

2шт.

15

01010-81230

Bolt

SN: 30147-UP

2шт.

16

01643-31232

Washer

SN: 30147-UP

2шт.

17

01010-81235

Bolt

SN: 30147-UP

5шт.

18

01643-31232

Washer

SN: 30147-UP

5шт.

19

198-54-78460

Block

SN: 30147-UP

2шт.

20

01010-81245

Bolt

SN: 30147-UP

2шт.

21

01643-31232

Washer

SN: 30147-UP

2шт.

22

198-11-71260

Hose

SN: 30147-UP

2шт.

23

07289-00070

Clamp

SN: 30147-UP

4шт.

24

6162-13-5611

Gasket

SN: 30147-UP

2шт.

25

198-11-71110

Tube

SN: 30147-UP

1шт.

26

198-11-71221

Tube

SN: 30147-UP

1шт.

27

01010-81025

Bolt

SN: 30147-UP

4шт.

28

01643-31032

Washer

SN: 30147-UP

4шт.

29

198-11-71230

Bracket

SN: 30147-UP

1шт.

30

198-11-71240

Bracket

SN: 30147-UP

1шт.

31

198-11-71150

Bracket

SN: 30147-UP

1шт.

32

07283-35150

Clip

SN: 30147-UP

2шт.

33

01643-31032

Washer

SN: 30147-UP

4шт.

34

01597-01009

Nut

SN: 30147-UP

4шт.

35

01010-81225

Bolt

SN: 30147-UP

2шт.

36

01643-31232

Washer

SN: 30147-UP

2шт.

37

01010-81230

Bolt

SN: 30147-UP

2шт.

38

01643-31232

Washer

SN: 30147-UP

2шт.

39

198-01-62150

Duct

SN: 30147-UP

2шт.

40

01010-81230

Bolt

SN: 30147-UP

4шт.

41

175-54-34170

Washer

SN: 30147-UP

4шт.

Выбрано товаров: 0