Запчасти Komatsu D475ASD-5E0 КРЫЛО КОМПОНЕНТЫ, ЗАДН. СУППОРТ И КОНДИЦ. ВОЗДУХА ФИЛЬТР. И ШЛАНГИ (№7-) КРЫЛО КОМПОНЕНТЫ, EXTRA BAD ТОПЛИВН. И ПЛОХ. ТОПЛИВО СПЕЦ-ЯIFICATION, ВОДН.+DUST, ДОПОЛН. ФИЛЬТР.

Схема запчастей Komatsu D475ASD-5E0 - КРЫЛО КОМПОНЕНТЫ, ЗАДН. СУППОРТ И КОНДИЦ. ВОЗДУХА ФИЛЬТР. И ШЛАНГИ (№7-) КРЫЛО КОМПОНЕНТЫ, EXTRA BAD ТОПЛИВН. И ПЛОХ. ТОПЛИВО СПЕЦ-ЯIFICATION, ВОДН.+DUST, ДОПОЛН. ФИЛЬТР.
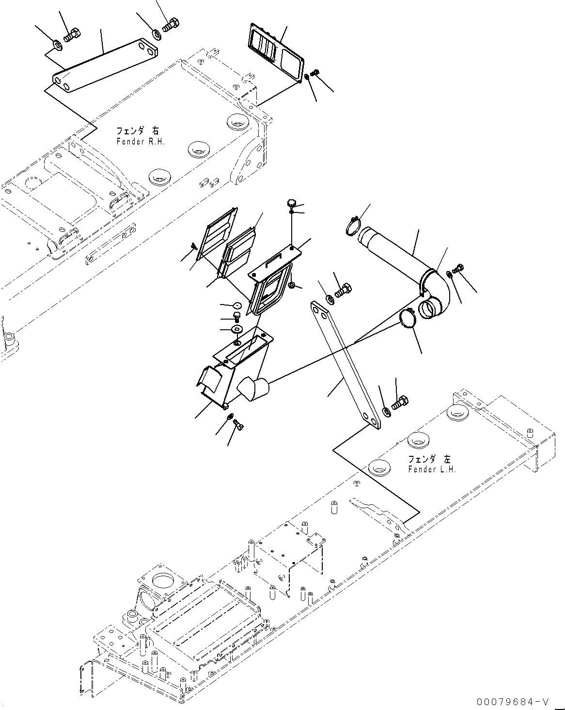
27
26
25
5
5
6
6
4
2
2
3
3
1
20
22
23
21
21
17
18
7
19
9
9
8
10
13
12
14
11
15
16
24
FIT
1:1
100%

Артикул

Название

Примечание

Количество

1

198-54-75411

Plate

SN: 30147-UP

1шт.

2

01010-83070

Bolt

SN: 30147-UP

4шт.

3

01643-33080

Washer

SN: 30147-UP

4шт.

4

198-54-75231

Plate

SN: 30147-UP

1шт.

5

01010-83375

Bolt

SN: 30147-UP

4шт.

6

01643-33380

Washer

SN: 30147-UP

4шт.

7

198-54-77350

Case

SN: 30147-UP

1шт.

8

198-911-7480

Bracket

SN: 30147-UP

1шт.

9

14X-911-7750

Filter

SN: 30147-UP

2шт.

10

17A-911-4220

Bracket

SN: 30147-UP

1шт.

11

01434-00412

Bolt, Wing

SN: 30147-UP

4шт.

12

195-54-68760

Knob

SN: 30147-UP

2шт.

13

01640-21016

Washer

SN: 30147-UP

2шт.

14

01594-01008

Nut

SN: 30147-UP

2шт.

15

01010-81225

Bolt

SN: 30147-UP

4шт.

16

01643-31232

Washer

SN: 30147-UP

4шт.

17

130-43-64260

Collar

SN: 30147-UP

1шт.

18

01010-81225

Bolt

SN: 30147-UP

1шт.

19

195-54-42981

Cap

SN: 30147-UP

1шт.

20

198-911-7980

Hose

SN: 30147-UP

1шт.

21

14X-911-7670

Clamp

SN: 30147-UP

2шт.

22

198-911-7750

Clip

SN: 30147-UP

1шт.

23

01010-81220

Bolt

SN: 30147-UP

1шт.

24

01643-31232

Washer

SN: 30147-UP

1шт.

25

195-54-77340

Cover

SN: 30147-UP

1шт.

26

01010-80825

Bolt

SN: 30147-UP

4шт.

27

01643-30823

Washer

SN: 30147-UP

4шт.

Выбрано товаров: 27