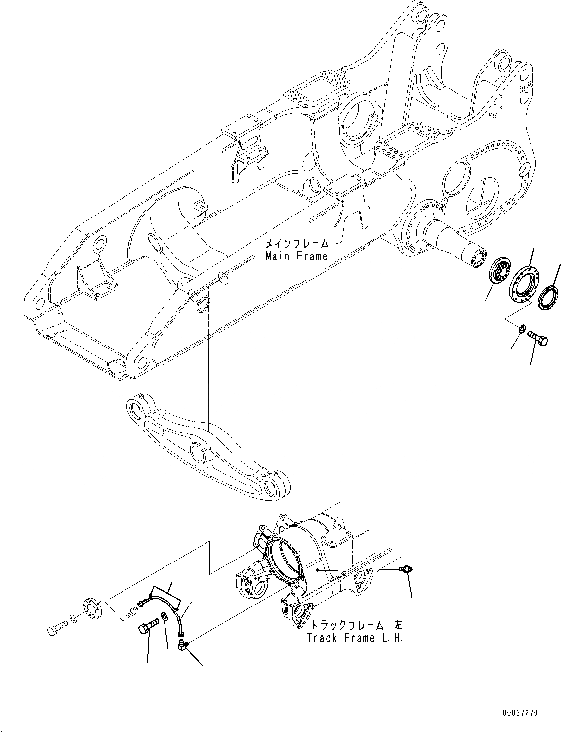
/ / / / / / / ГУСЕНИЧНАЯ РАМА, БАЛКА БАЛАНСИРА СМАЗКА, ЛЕВ. (№7-7)
Запчасти Komatsu D475ASD-5E0 ГУСЕНИЧНАЯ РАМА, БАЛКА БАЛАНСИРА СМАЗКА, ЛЕВ. (№7-7) ГУСЕНИЧНАЯ РАМА, С ЗАЩИТА ОПОРНЫХ КАТКОВ, ДЛЯ ХОЛОДН. AREA СПЕЦ-ЯIFICATION A (- DEG C) 3
4
6
1
2
5
7
8
9
10
11
1
198-50-62331
Tube
SN: 30147-30167
1шт.
2
566-16-11970
Clip
SN: 30147-30167
2шт.
3
01010-81020
Bolt
SN: 30147-30167
2шт.
4
01643-31032
Washer
SN: 30147-30167
2шт.
5
20D-68-11780
Elbow
SN: 30147-30167
1шт.
6
07020-00000
Fitting, Grease
SN: 30147-30167
1шт.
7
198-50-31160
Washer
SN: 30147-30167
1шт.
8
198-50-52171
Washer
SN: 30147-30167
1шт.
9
198-50-31241
Seal
SN: 30147-30167
1шт.
10
01010-81665
Bolt
SN: 30147-30167
3шт.
11
01643-31645
Washer
SN: 30147-30167
3шт.
Выбрано товаров: 0
Добавить в заказ