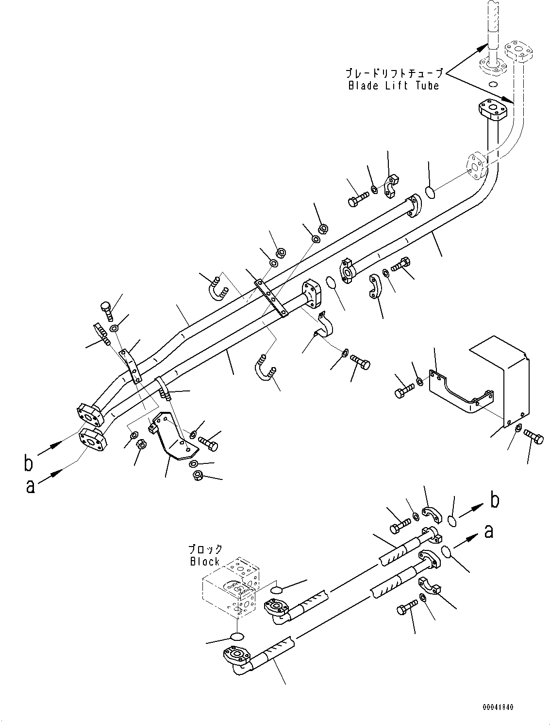
Запчасти Komatsu D475ASD-5E0 ПОДЪЕМ. ОТВАЛА ТРУБЫ, (/) (№7-) ПОДЪЕМ. ОТВАЛА ТРУБЫ

Схема запчастей Komatsu D475ASD-5E0 - ПОДЪЕМ. ОТВАЛА ТРУБЫ, (/) (№7-) ПОДЪЕМ. ОТВАЛА ТРУБЫ
39
37
38
40
36
29
28
34
35
33
27
32
26
30
31
43
41
42
19
18
12
11
23
24
25
16
17
14
15
13
21
22
20
10
4
7
6
1
2
5
3
7
2
8
9
44
47
46
48
49
45
FIT
1:1
100%

Артикул

Название

Примечание

Количество

1

07098-014A9

Hose, Flange Type

SN: 30147-UP

1шт.

2

07000-F3048

O-ring

SN: 30147-UP

2шт.

3

07371-51470

Flange, Split

SN: 30147-UP

4шт.

4

01010-81455

Bolt

SN: 30147-UP

8шт.

5

01643-31445

Washer, Flat

SN: 30147-UP

8шт.

6

07098-014A7

Hose, Flange Type

SN: 30147-UP

1шт.

7

07000-F3048

O-ring

SN: 30147-UP

2шт.

8

07371-51470

Flange, Split

SN: 30147-UP

4шт.

9

01010-81455

Bolt

SN: 30147-UP

8шт.

10

01643-31445

Washer, Flat

SN: 30147-UP

8шт.

11

198-61-61210

Tube

SN: 30147-UP

1шт.

12

198-61-61241

Bracket

SN: 30147-UP

1шт.

13

07283-34354

Clip, Pipe

SN: 30147-UP

1шт.

14

01597-01009

Nut

SN: 30147-UP

2шт.

15

01643-31032

Washer

SN: 30147-UP

2шт.

16

01010-81225

Bolt

SN: 30147-UP

2шт.

17

01643-31232

Washer

SN: 30147-UP

2шт.

18

198-61-61191

Tube

SN: 30147-UP

1шт.

19

07000-F3048

O-ring

SN: 30147-UP

1шт.

20

198-61-61251

Plate

SN: 30147-UP

1шт.

21

01010-81230

Bolt

SN: 30147-UP

1шт.

22

01643-31232

Washer

SN: 30147-UP

1шт.

23

07283-34354

Clip, Pipe

SN: 30147-UP

1шт.

24

01597-01009

Nut

SN: 30147-UP

2шт.

25

01643-31032

Washer

SN: 30147-UP

2шт.

26

198-61-61230

Plate

SN: 30147-UP

1шт.

27

07283-34354

Clip, Pipe

SN: 30147-UP

1шт.

28

01597-01009

Nut

SN: 30147-UP

2шт.

29

01643-31032

Washer

SN: 30147-UP

2шт.

30

07283-34354

Clip, Pipe

SN: 30147-UP

1шт.

31

01597-01009

Nut

SN: 30147-UP

2шт.

32

01643-31032

Washer

SN: 30147-UP

2шт.

33

198-03-52570

Plate

SN: 30147-UP

1шт.

34

01010-81225

Bolt

SN: 30147-UP

2шт.

35

01643-31232

Washer

SN: 30147-UP

2шт.

36

07371-51470

Flange, Split

SN: 30147-UP

2шт.

37

01010-81455

Bolt

SN: 30147-UP

4шт.

38

01643-31445

Washer, Flat

SN: 30147-UP

4шт.

39

198-61-61170

Tube

SN: 30147-UP

1шт.

40

07000-F3048

O-ring

SN: 30147-UP

1шт.

41

07371-51470

Flange, Split

SN: 30147-UP

2шт.

42

01010-81455

Bolt

SN: 30147-UP

4шт.

43

01643-31445

Washer, Flat

SN: 30147-UP

4шт.

44

198-03-72230

Cover

SN: 30147-UP

1шт.

45

198-03-72221

Bracket

SN: 30147-UP

1шт.

46

01010-81230

Bolt

SN: 30147-UP

2шт.

47

01643-31232

Washer

SN: 30147-UP

2шт.

48

01010-81230

Bolt

SN: 30147-UP

2шт.

49

01643-31232

Washer

SN: 30147-UP

2шт.

Выбрано товаров: 0