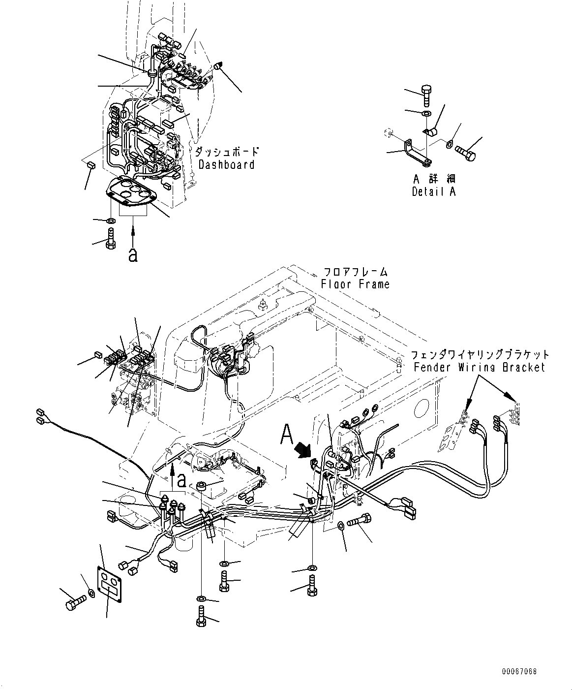
Запчасти Komatsu D475ASD-5E0 ОСНОВН. КОНСТРУКЦИЯ, ПОЛ, ПРОВОДКА (/) (№7-) ОСНОВН. КОНСТРУКЦИЯ, MINING СПЕЦ-ЯIFICATION

Схема запчастей Komatsu D475ASD-5E0 - ОСНОВН. КОНСТРУКЦИЯ, ПОЛ, ПРОВОДКА (/) (№7-) ОСНОВН. КОНСТРУКЦИЯ, MINING СПЕЦ-ЯIFICATION
25
25
26
27
28
29
30
31
32
33
34
35
36
25
1
3
24
23
7
6
5
4
10
8
9
11
14
14
15
19
20
38
39
37
42
41
40
16
17
12
18
1
13
22
21
2
FIT
1:1
100%

Артикул

Название

Примечание

Количество

1

198-06-71611

Wiring Harness

SN: 30147-UP

1шт.

2

198-06-72260

Bracket

SN: 30147-UP

1шт.

3

198-06-72281

Plate

SN: 30147-UP

1шт.

4

20Y-62-22790

Band, Red

SN: 30147-UP

2шт.

5

20Y-62-22810

Band, Yellow

SN: 30147-UP

2шт.

6

20Y-62-22820

Band, Blue

SN: 30147-UP

2шт.

7

20Y-62-22830

Band, White

SN: 30147-UP

2шт.

8

20Y-62-22840

Band, Black

SN: 30147-UP

2шт.

9

20Y-62-22850

Band, Green

SN: 30147-UP

2шт.

10

20Y-62-22860

Band, Brown

SN: 30147-UP

2шт.

11

198-98-62550

Plate

SN: 30147-UP

1шт.

12

19M-06-31720

Resistor

SN: 30147-UP

1шт.

13

Connector Body Assembly

SN: 30147-UP

4шт.

14

08192-12100

Connector Assembly

SN: 30147-UP

9шт.

15

08191-26995

Connector Body Assembly

SN: 30147-UP

1шт.

16

08055-00481

Connector Body Assembly, Male

SN: 30147-UP

2шт.

17

08027-11410

Connector Assembly

SN: 30147-UP

2шт.

18

08037-03620

Grommet

SN: 30147-UP

1шт.

19

08037-11425

Grommet

SN: 30147-UP

2шт.

20

08037-13550

Grommet

SN: 30147-UP

4шт.

21

01010-81040

Bolt

SN: 30147-UP

4шт.

22

01643-31032

Washer

SN: 30147-UP

4шт.

23

01010-81025

Bolt

SN: 30147-UP

4шт.

24

01643-31032

Washer

SN: 30147-UP

4шт.

25

04434-53410

Clip

SN: 30147-UP

7шт.

26

23S-43-53140

Spacer

SN: 30147-UP

2шт.

27

01010-81035

Bolt

SN: 30147-UP

2шт.

28

01643-31032

Washer

SN: 30147-UP

2шт.

29

01010-81020

Bolt

SN: 30147-UP

2шт.

30

01643-31032

Washer

SN: 30147-UP

2шт.

31

01010-81025

Bolt

SN: 30147-UP

3шт.

32

01643-31032

Washer

SN: 30147-UP

3шт.

33

20Y-62-15951

Clip

SN: 30147-UP

1шт.

34

6152-51-5520

Spacer

SN: 30147-UP

1шт.

35

01010-81075

Bolt

SN: 30147-UP

1шт.

36

01643-31032

Washer

SN: 30147-UP

1шт.

37

198-61-44320

Bracket

SN: 30147-UP

1шт.

38

01010-81235

Bolt

SN: 30147-UP

1шт.

39

01643-31232

Washer

SN: 30147-UP

1шт.

40

04434-53412

Clip

SN: 30147-UP

1шт.

41

01010-81225

Bolt

SN: 30147-UP

1шт.

42

01643-31232

Washer

SN: 30147-UP

1шт.

Выбрано товаров: 0