Запчасти Komatsu D475ASD-5E0 ОСНОВН. КОНСТРУКЦИЯ, ПОЛ ВОЗДУХОВОДЫ (№7-) ОСНОВН. КОНСТРУКЦИЯ, MINING СПЕЦ-ЯIFICATION

Схема запчастей Komatsu D475ASD-5E0 - ОСНОВН. КОНСТРУКЦИЯ, ПОЛ ВОЗДУХОВОДЫ (№7-) ОСНОВН. КОНСТРУКЦИЯ, MINING СПЕЦ-ЯIFICATION
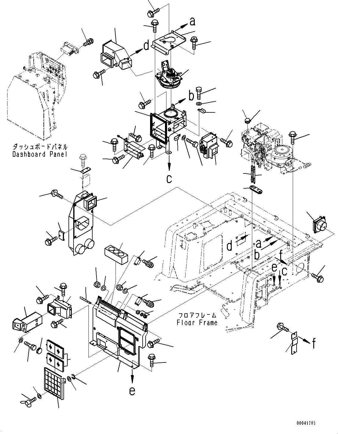
49
48
47
45
44
43
41
40
46
10
10
10
3
30
27
30
1
8
26
28
1
25
28
29
24
36
33
31
24
23
22
21
20
19
17
16
15
14
13
11
13
18
32
32
17
14
15
16
32
12
35
34
39
38
42
10
2
39
38
37
9
7
6
6
4
5
FIT
1:1
100%

Артикул

Название

Примечание

Количество

1

20Y-979-6741

Blower

SN: 30147-UP

1шт.

2

198-911-6720

Duct Assembly

SN: 30147-UP

1шт.

3

198-911-6880

Duct Assembly

SN: 30147-UP

1шт.

4

203-979-6960

Cap

SN: 30147-UP

1шт.

5

08034-20310

Band, Black

SN: 30147-UP

1шт.

6

20Y-979-6281

Hose

SN: 30147-UP

2шт.

7

20Y-54-65130

Grommet

SN: 30147-UP

1шт.

8

01023-10516

Screw

SN: 30147-UP

4шт.

9

01435-41020

Bolt

SN: 30147-UP

6шт.

10

01435-40814

Bolt

SN: 30147-UP

10шт.

11

198-911-6581

Cover

SN: 30147-UP

1шт.

12

198-911-6760

Cushion

SN: 30147-UP

1шт.

13

198-Z11-2850

Handle

SN: 30147-UP

1шт.

14

198-911-6890

Catcher

SN: 30147-UP

2шт.

15

01023-70316

Screw

SN: 30147-UP

8шт.

16

01580-20302

Nut

SN: 30147-UP

8шт.

17

01640-20305

Washer, Flat

SN: 30147-UP

8шт.

18

20Y-979-6261

Filter

SN: 30147-UP

2шт.

19

198-911-7660

Cover

SN: 30147-UP

1шт.

20

198-911-6970

Bolt

SN: 30147-UP

2шт.

21

01643-70623

Washer

SN: 30147-UP

2шт.

22

198-911-6990

Ring, Snap

SN: 30147-UP

2шт.

23

01640-20610

Washer

SN: 30147-UP

2шт.

24

01435-41016

Bolt

SN: 30147-UP

6шт.

25

198-911-6520

Duct

SN: 30147-UP

1шт.

26

01435-41016

Bolt

SN: 30147-UP

2шт.

27

198-911-6560

Duct

SN: 30147-UP

1шт.

28

01435-41016

Bolt

SN: 30147-UP

4шт.

29

198-911-6620

Bracket

SN: 30147-UP

1шт.

30

01435-41016

Bolt

SN: 30147-UP

4шт.

31

198-911-6460

Duct

SN: 30147-UP

1шт.

32

01435-40816

Bolt

SN: 30147-UP

5шт.

33

198-911-7940

Duct

SN: 30147-UP

1шт.

34

09415-02110

Cap

SN: 30147-UP

4шт.

35

01010-80816

Bolt

SN: 30147-UP

4шт.

36

01643-50823

Washer

SN: 30147-UP

4шт.

37

04435-51008

Clip

SN: 30147-UP

2шт.

38

01010-80816

Bolt

SN: 30147-UP

2шт.

39

01643-30823

Washer

SN: 30147-UP

2шт.

40

198-911-6980

Bracket

SN: 30147-UP

1шт.

41

01435-41016

Bolt

SN: 30147-UP

2шт.

42

04434-51010

Clip

SN: 30147-UP

1шт.

43

198-911-6540

Duct

SN: 30147-UP

1шт.

44

01435-41020

Bolt

SN: 30147-UP

6шт.

45

198-911-6550

Plate

SN: 30147-UP

1шт.

46

01435-41016

Bolt

SN: 30147-UP

1шт.

47

198-911-6590

Duct

SN: 30147-UP

1шт.

48

01435-41020

Bolt

SN: 30147-UP

4шт.

49

198-911-6860

Plate

SN: 30147-UP

1шт.

Выбрано товаров: 49