Запчасти Komatsu D475ASD-5E0 КАПОТ И БОКОВ. КРЫШКА ГРУППА, БОКОВ. КРЫШКА (/) (№7-) КАПОТ И БОКОВ. КРЫШКА ГРУППА, MINING, RIO TINTO СПЕЦ-ЯIFICATION, С PRE-CREANER

Схема запчастей Komatsu D475ASD-5E0 - КАПОТ И БОКОВ. КРЫШКА ГРУППА, БОКОВ. КРЫШКА (/) (№7-) КАПОТ И БОКОВ. КРЫШКА ГРУППА, MINING, RIO TINTO СПЕЦ-ЯIFICATION, С PRE-CREANER
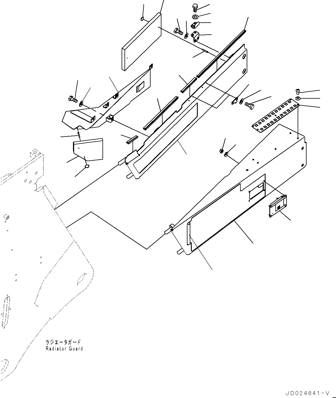
25
24
29
30
31
22
21
20
23
18
19
6
7
8
9
5
10
12
13
11
28
27
26
17
14
3
4
2
1
16
15
FIT
1:1
100%

Артикул

Название

Примечание

Количество

|$0

198-54-78631

Cover Assembly,L.H.

SN: 30147-UP

1шт.

1

Cover,L.H.

SN: 30147-UP

1шт.

2

124-A62-1910

Stud,Welded

SN: 30147-UP

2шт.

3

198-54-78671

Sheet

SN: 30147-UP

1шт.

4

124-A62-1920

Cap

SN: 30147-UP

2шт.

5

198-54-79390

Bracket

SN: 30147-UP

2шт.

6

01010-81020

Bolt

SN: 30147-UP

4шт.

7

01643-31032

Washer

SN: 30147-UP

4шт.

8

01010-81025

Bolt

SN: 30147-UP

4шт.

9

01643-31032

Washer

SN: 30147-UP

4шт.

10

198-54-72520

Bracket

SN: 30147-UP

2шт.

11

205-54-53550

Dovetail

SN: 30147-UP

2шт.

12

01010-80616

Bolt

SN: 30147-UP

4шт.

13

01643-30623

Washer

SN: 30147-UP

4шт.

|$14

198-54-78651

Duct Assembly,L.H.

SN: 30147-UP

1шт.

14

124-A62-1920

Cap

SN: 30147-UP

2шт.

15

Duct,L.H.

SN: 30147-UP

1шт.

16

124-A62-1910

Stud,Welded

SN: 30147-UP

2шт.

17

198-54-78661

Sheet

SN: 30147-UP

1шт.

18

01010-81225

Bolt

SN: 30147-UP

5шт.

19

01643-31232

Washer

SN: 30147-UP

5шт.

20

198-54-73860

Seal

SN: 30147-UP

1шт.

21

198-54-73870

Seal

SN: 30147-UP

1шт.

22

198-54-73880

Seal

SN: 30147-UP

1шт.

23

198-54-73890

Seal

SN: 30147-UP

1шт.

24

198-54-78613

Cover,L.H.

SN: 30147-UP

1шт.

25

09457-10220

Hinge,Welded

SN: 30147-UP

1шт.

26

198-54-55991

Lock

SN: 30300-UP

1шт.

26

198-54-55990

Lock

SN: 30147-30299

1шт.

27

01643-30823

Washer

SN: 30147-UP

4шт.

28

01580-10806

Nut

SN: 30147-UP

4шт.

29

198-54-78881

Plate

SN: 30147-UP

1шт.

30

01245-00816

Screw

SN: 30147-UP

5шт.

31

01643-70823

Washer

SN: 30147-UP

5шт.

Выбрано товаров: 34