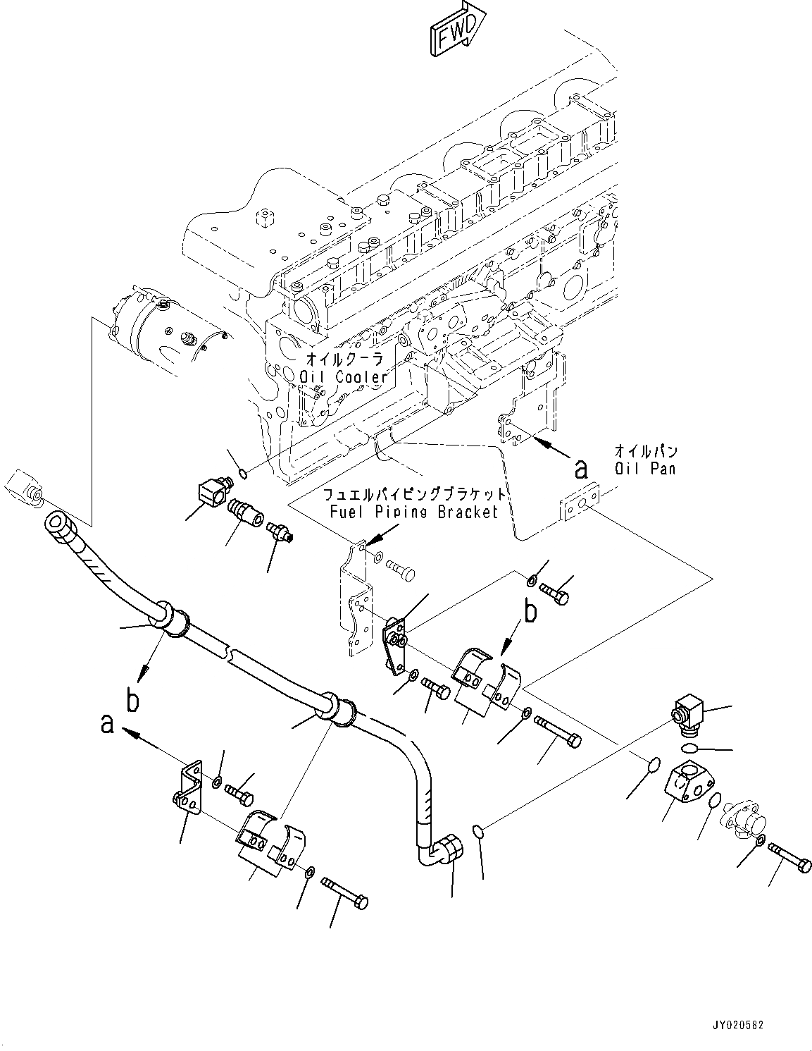
Запчасти Komatsu SAA12V140E-3A PRE СМАЗЫВАЮЩ. ЛИНИЯ, (№7-) PRE СМАЗЫВАЮЩ. ЛИНИЯ

Схема запчастей Komatsu SAA12V140E-3A - PRE СМАЗЫВАЮЩ. ЛИНИЯ, (№7-) PRE СМАЗЫВАЮЩ. ЛИНИЯ
14
17
20
19
18
22
18
21
17
9
5
26
25
4
23
6
8
4
1
2
3
24
7
15
16
13
12
10
11
14
17
20
19
18
22
18
21
17
9
5
26
25
4
23
6
8
4
1
2
3
24
7
15
16
13
12
10
11
FIT
1:1
100%

Артикул

Название

Примечание

Количество

1

6215-51-5130

Plate

SN: 502249-UP

1шт.

2

01010-81075

Bolt

SN: 502249-UP

2шт.

3

01643-31032

Washer

SN: 502249-UP

2шт.

4

07000-73028

O-ring

SN: 502249-UP

2шт.

5

569-43-84720

Elbow

SN: 502249-UP

1шт.

6

07000-E3029

O-ring

SN: 505571-UP

1шт.

7

198-01-61220

Hose

SN: 502249-UP

1шт.

8

6743-51-9950

O-ring

SN: 505571-UP

1шт.

9

6219-51-5920

Bracket

SN: 502249-UP

1шт.

10

01010-81050

Bolt

SN: 505571-UP

1шт.

11

01643-31032

Washer

SN: 505571-UP

1шт.

12

01010-81050

Bolt

SN: 505571-UP

1шт.

13

01640-21016

Washer

SN: 505571-UP

1шт.

14

198-01-61242

Bracket

SN: 502249-UP

1шт.

15

01010-81030

Bolt

SN: 502249-UP

2шт.

16

01643-31032

Washer

SN: 502249-UP

2шт.

17

07094-11024

Clamp

SN: 502249-UP

4шт.

18

07095-01034

Cushion

SN: 502249-UP

2шт.

19

01010-81285

Bolt

SN: 502249-UP

2шт.

20

01643-31232

Washer

SN: 502249-UP

2шт.

21

01010-81280

Bolt

SN: 502249-UP

2шт.

22

01643-31232

Washer

SN: 502249-UP

2шт.

23

6215-51-5160

Elbow

SN: 502249-UP

1шт.

24

07002-22034

O-ring

SN: 502249-UP

1шт.

25

6215-51-3200

Valve

SN: 502249-UP

1шт.

26

6215-51-5120

Nipple

SN: 502249-UP

1шт.

1

6215-51-5130

Plate

SN: 502249-UP

1шт.

2

01010-81075

Bolt

SN: 502249-UP

2шт.

3

01643-31032

Washer

SN: 502249-UP

2шт.

4

07000-73028

O-ring

SN: 502249-UP

2шт.

5

569-43-84720

Elbow

SN: 502249-UP

1шт.

6

07000-E3029

O-ring

SN: 505571-UP

1шт.

7

198-01-61220

Hose

SN: 502249-UP

1шт.

8

6743-51-9950

O-ring

SN: 505571-UP

1шт.

9

6219-51-5920

Bracket

SN: 502249-UP

1шт.

10

01010-81050

Bolt

SN: 505571-UP

1шт.

11

01643-31032

Washer

SN: 505571-UP

1шт.

12

01010-81050

Bolt

SN: 505571-UP

1шт.

13

01640-21016

Washer

SN: 505571-UP

1шт.

14

198-01-61242

Bracket

SN: 502249-UP

1шт.

15

01010-81030

Bolt

SN: 502249-UP

2шт.

16

01643-31032

Washer

SN: 502249-UP

2шт.

17

07094-11024

Clamp

SN: 502249-UP

4шт.

18

07095-01034

Cushion

SN: 502249-UP

2шт.

19

01010-81285

Bolt

SN: 502249-UP

2шт.

20

01643-31232

Washer

SN: 502249-UP

2шт.

21

01010-81280

Bolt

SN: 502249-UP

2шт.

22

01643-31232

Washer

SN: 502249-UP

2шт.

23

6215-51-5160

Elbow

SN: 502249-UP

1шт.

24

07002-22034

O-ring

SN: 502249-UP

1шт.

25

6215-51-3200

Valve

SN: 502249-UP

1шт.

26

6215-51-5120

Nipple

SN: 502249-UP

1шт.

Выбрано товаров: 52