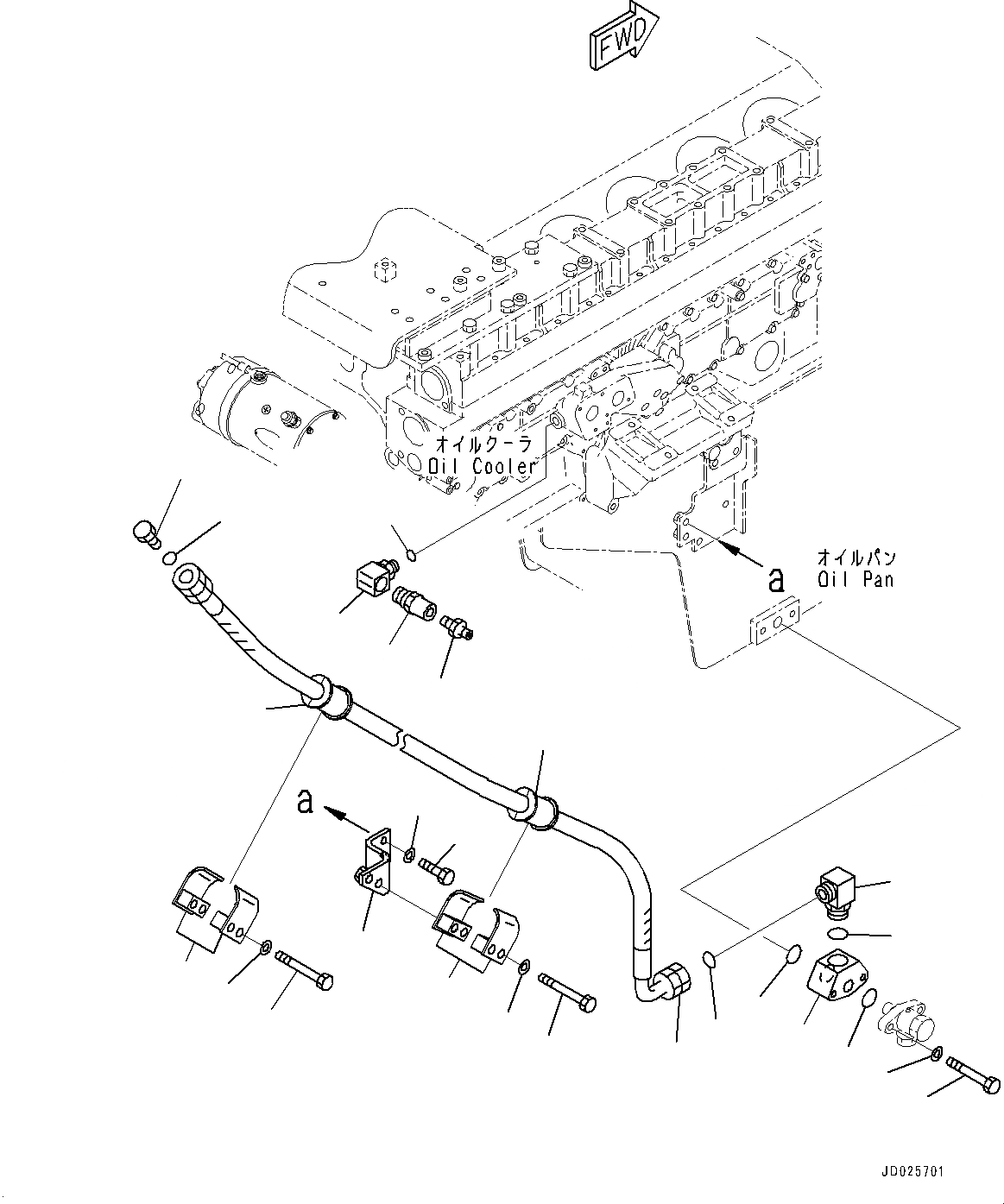
Запчасти Komatsu SAA12V140E-3A PRE СМАЗЫВАЮЩ. ЛИНИЯ (№9-) PRE СМАЗЫВАЮЩ. ЛИНИЯ, ДЛЯ EXTRA BAD ТОПЛИВН. И ПЛОХ. ТОПЛИВО СПЕЦ-ЯIFICATION, ВОДН.+DUST, ДОПОЛН. ФИЛЬТР.

Схема запчастей Komatsu SAA12V140E-3A - PRE СМАЗЫВАЮЩ. ЛИНИЯ (№9-) PRE СМАЗЫВАЮЩ. ЛИНИЯ, ДЛЯ EXTRA BAD ТОПЛИВН. И ПЛОХ. ТОПЛИВО СПЕЦ-ЯIFICATION, ВОДН.+DUST, ДОПОЛН. ФИЛЬТР.
7
18
3
2
1
4
8
6
17
4
19
20
5
13
15
14
16
14
15
16
13
10
11
12
8
9
7
18
3
2
1
4
8
6
17
4
19
20
5
13
15
14
16
14
15
16
13
10
11
12
8
9
FIT
1:1
100%

Артикул

Название

Примечание

Количество

1

6215-51-5130

Plate

SN: 502249-UP

1шт.

2

01010-81075

Bolt

SN: 502249-UP

2шт.

3

01643-31032

Washer

SN: 502249-UP

2шт.

4

07000-73028

O-ring

SN: 502249-UP

1шт.

5

569-43-84720

Elbow

SN: 502249-UP

1шт.

6

07000-E3029

O-ring

SN: 505631-UP

1шт.

6

22X-62-11140

O-ring

SN: 502249-505630

1шт.

7

198-01-61220

Hose

SN: 502249-UP

1шт.

8

6743-51-9950

O-ring

SN: 502249-UP

2шт.

9

21W-62-99895

Plug

SN: 502249-UP

1шт.

10

198-01-61242

Bracket

SN: 502249-UP

1шт.

11

01010-81030

Bolt

SN: 502249-UP

2шт.

12

01643-31032

Washer

SN: 502249-UP

2шт.

13

07094-11024

Clamp

SN: 502249-UP

4шт.

14

07095-01034

Cushion

SN: 502249-UP

2шт.

15

01010-81285

Bolt

SN: 502249-UP

4шт.

16

01643-31232

Washer

SN: 502249-UP

4шт.

17

6215-51-5160

Elbow

SN: 502249-UP

1шт.

18

07002-22034

O-ring

SN: 502249-UP

1шт.

19

6215-51-3200

Valve

SN: 502249-UP

1шт.

20

6215-51-5120

Nipple

SN: 502249-UP

1шт.

1

6215-51-5130

Plate

SN: 502249-UP

1шт.

2

01010-81075

Bolt

SN: 502249-UP

2шт.

3

01643-31032

Washer

SN: 502249-UP

2шт.

4

07000-73028

O-ring

SN: 502249-UP

1шт.

5

569-43-84720

Elbow

SN: 502249-UP

1шт.

6

07000-E3029

O-ring

SN: 505631-UP

1шт.

6

22X-62-11140

O-ring

SN: 502249-505630

1шт.

7

198-01-61220

Hose

SN: 502249-UP

1шт.

8

6743-51-9950

O-ring

SN: 502249-UP

2шт.

9

21W-62-99895

Plug

SN: 502249-UP

1шт.

10

198-01-61242

Bracket

SN: 502249-UP

1шт.

11

01010-81030

Bolt

SN: 502249-UP

2шт.

12

01643-31032

Washer

SN: 502249-UP

2шт.

13

07094-11024

Clamp

SN: 502249-UP

4шт.

14

07095-01034

Cushion

SN: 502249-UP

2шт.

15

01010-81285

Bolt

SN: 502249-UP

4шт.

16

01643-31232

Washer

SN: 502249-UP

4шт.

17

6215-51-5160

Elbow

SN: 502249-UP

1шт.

18

07002-22034

O-ring

SN: 502249-UP

1шт.

19

6215-51-3200

Valve

SN: 502249-UP

1шт.

20

6215-51-5120

Nipple

SN: 502249-UP

1шт.

Выбрано товаров: 42