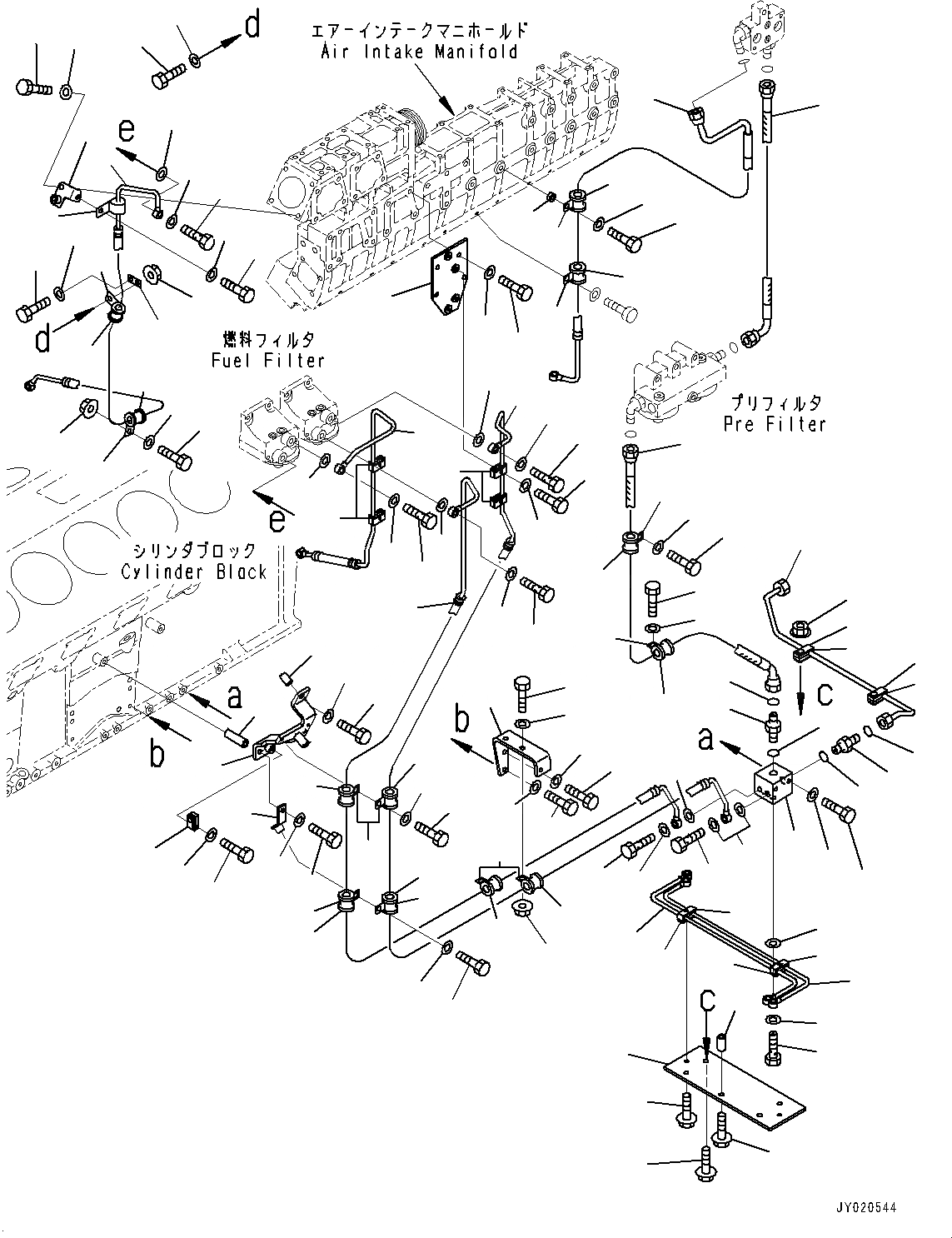
Запчасти Komatsu SAA12V140E-3A ТОПЛИВОПРОВОД., ЛЕВ. ГРУПП. (/) (№-) ТОПЛИВОПРОВОД., ДЛЯ ХОЛОДН. AREA СПЕЦ-ЯIFICATION A (- DEG C), ПОДДОН ДВИГ-ЛЯ И ПОДОГРЕВАТЕЛЬ ХЛАДАГЕНТА

Схема запчастей Komatsu SAA12V140E-3A - ТОПЛИВОПРОВОД., ЛЕВ. ГРУПП. (/) (№-) ТОПЛИВОПРОВОД., ДЛЯ ХОЛОДН. AREA СПЕЦ-ЯIFICATION A (- DEG C), ПОДДОН ДВИГ-ЛЯ И ПОДОГРЕВАТЕЛЬ ХЛАДАГЕНТА
14
15
17
57
56
55
54
10
9
53
52
51
67
66
65
64
63
62
61
60
59
58
50
49
44
43
42
39
38
37
36
34
33
32
31
30
28
27
26
24
23
20
19
18
17
16
16
13
10
9
8
7
6
5
4
3
2
1
14
15
50
49
68
22
21
25
29
45
50
49
49
50
50
49
65
45
44
64
65
49
50
50
44
45
49
50
36
12
11
12
11
8
11
12
59
58
12
12
11
12
12
12
45
65
44
64
67
65
66
50
49
50
60
45
44
50
49
47
46
40
49
50
45
44
48
41
35
14
15
17
57
56
55
54
10
9
53
52
51
67
66
65
64
63
62
61
60
59
58
50
49
44
43
42
39
38
37
36
34
33
32
31
30
28
27
26
24
23
20
19
18
17
16
16
13
10
9
8
7
6
5
4
3
2
1
14
15
50
49
68
22
21
25
29
45
50
49
49
50
50
49
65
45
44
64
65
49
50
50
44
45
49
50
36
12
11
12
11
8
11
12
59
58
12
12
11
12
12
12
45
65
44
64
67
65
66
50
49
50
60
45
44
50
49
47
46
40
49
50
45
44
48
41
35
FIT
1:1
100%

Артикул

Название

Примечание

Количество

1

6219-71-4710

Hose

SN: 502249-@

1шт.

2

6219-71-4720

Hose

SN: 502249-@

1шт.

3

6219-71-4750

Hose

SN: 502249-@

1шт.

4

6219-71-4760

Hose

SN: 502249-@

1шт.

5

6219-71-4870

Hose

SN: 502249-@

1шт.

6

6219-71-4880

Hose

SN: 502249-@

1шт.

7

6219-71-4630

Hose

SN: 502249-@

1шт.

8

02781-00420

Union

SN: 502249-@

2шт.

9

07002-11823

O-ring

SN: 502249-@

2шт.

10

02896-11012

O-ring

SN: 502249-@

2шт.

11

07206-31014

Bolt, Joint

SN: 502249-@

6шт.

12

07005-01412

Seal, Washer

SN: 502249-@

12шт.

13

6219-71-4770

Bracket

SN: 502249-@

1шт.

14

01010-81030

Bolt

SN: 502249-@

2шт.

15

01643-31032

Washer

SN: 502249-@

2шт.

16

01010-81025

Bolt

SN: 502249-@

2шт.

17

01643-31032

Washer

SN: 502249-@

2шт.

18

01584-01008

Nut

SN: 502249-@

2шт.

19

6219-71-4780

Bracket

SN: 502249-@

1шт.

20

6166-11-5391

Spacer

SN: 502249-@

1шт.

21

01010-81060

Bolt

SN: 502249-@

1шт.

22

01643-31032

Washer

SN: 502249-@

1шт.

23

6211-11-9790

Spacer

SN: 502249-@

1шт.

24

01011-81000

Bolt

SN: 502249-@

1шт.

25

01643-31032

Washer

SN: 502249-@

1шт.

26

6219-71-4670

Bracket

SN: 502249-@

1шт.

27

6934-52-6810

Clamp

SN: 502249-@

2шт.

28

01010-81035

Bolt

SN: 502249-@

1шт.

29

01643-31032

Washer

SN: 502249-@

1шт.

30

6202-83-6780

Spacer

SN: 502249-@

1шт.

31

01010-81030

Bolt

SN: 502249-@

1шт.

32

01643-31032

Washer

SN: 502249-@

1шт.

33

6219-71-4790

Bracket

SN: 502249-@

1шт.

34

01010-81030

Bolt

SN: 505063-505255

4шт.

35

01643-31032

Washer

SN: 505063-505255

4шт.

36

6166-75-6821

Clamp, half

SN: 502249-@

8шт.

37

01010-80835

Bolt

SN: 502249-@

4шт.

38

01643-30823

Washer

SN: 502249-@

4шт.

39

6219-71-7620

Bracket

SN: 502249-@

1шт.

40

6150-81-8980

Plate

SN: 502249-@

1шт.

41

01010-81035

Bolt

SN: 502249-@

1шт.

42

01643-31032

Washer

SN: 502249-@

1шт.

43

04434-51010

Clip

SN: 502249-@

1шт.

44

01010-81020

Bolt

SN: 502249-@

6шт.

45

01643-31032

Washer

SN: 502249-@

6шт.

46

01010-81070

Bolt

SN: 502249-@

1шт.

47

01643-31032

Washer

SN: 502249-@

1шт.

48

01584-01008

Nut

SN: 502249-@

1шт.

49

04434-52511

Clip

SN: 502249-@

12шт.

50

07095-20318

Cushion

SN: 502249-@

12шт.

51

6219-71-4920

Joint

SN: 502249-@

1шт.

52

01010-81090

Bolt

SN: 502249-@

2шт.

53

01643-31032

Washer

SN: 502249-@

2шт.

54

6219-71-4820

Tube

SN: 502249-@

1шт.

55

6219-71-4940

Plate

SN: 502249-@

1шт.

56

6206-11-4490

Spacer

SN: 502249-@

3шт.

57

01435-01065

Bolt

SN: 502249-@

3шт.

58

6240-71-6520

Clamp

SN: 502249-@

2шт.

59

6240-71-6510

Clamp

SN: 502249-@

2шт.

60

01584-01008

Nut

SN: 502249-@

2шт.

61

01435-01045

Bolt

SN: 502249-@

2шт.

62

6219-71-4890

Tube

SN: 502249-@

1шт.

63

6219-71-4860

Tube

SN: 502249-@

1шт.

64

07206-31014

Bolt, Joint

SN: 502249-@

4шт.

65

07005-01412

Seal, Washer

SN: 502249-@

8шт.

66

6166-75-6821

Clamp, half

SN: 502249-@

2шт.

67

6261-51-9481

Clamp, half

SN: 502249-@

2шт.

68

01435-00840

Bolt

SN: 502249-@

2шт.

1

6219-71-4710

Hose

SN: 502249-@

1шт.

2

6219-71-4720

Hose

SN: 502249-@

1шт.

3

6219-71-4750

Hose

SN: 502249-@

1шт.

4

6219-71-4760

Hose

SN: 502249-@

1шт.

5

6219-71-4870

Hose

SN: 502249-@

1шт.

6

6219-71-4880

Hose

SN: 502249-@

1шт.

7

6219-71-4630

Hose

SN: 502249-@

1шт.

8

02781-00420

Union

SN: 502249-@

2шт.

9

07002-11823

O-ring

SN: 502249-@

2шт.

10

02896-11012

O-ring

SN: 502249-@

2шт.

11

07206-31014

Bolt, Joint

SN: 502249-@

6шт.

12

07005-01412

Seal, Washer

SN: 502249-@

12шт.

13

6219-71-4770

Bracket

SN: 502249-@

1шт.

14

01010-81030

Bolt

SN: 502249-@

2шт.

15

01643-31032

Washer

SN: 502249-@

2шт.

16

01010-81025

Bolt

SN: 502249-@

2шт.

17

01643-31032

Washer

SN: 502249-@

2шт.

18

01584-01008

Nut

SN: 502249-@

2шт.

19

6219-71-4780

Bracket

SN: 502249-@

1шт.

20

6166-11-5391

Spacer

SN: 502249-@

1шт.

21

01010-81060

Bolt

SN: 502249-@

1шт.

22

01643-31032

Washer

SN: 502249-@

1шт.

23

6211-11-9790

Spacer

SN: 502249-@

1шт.

24

01011-81000

Bolt

SN: 502249-@

1шт.

25

01643-31032

Washer

SN: 502249-@

1шт.

26

6219-71-4670

Bracket

SN: 502249-@

1шт.

27

6934-52-6810

Clamp

SN: 502249-@

2шт.

28

01010-81035

Bolt

SN: 502249-@

1шт.

29

01643-31032

Washer

SN: 502249-@

1шт.

30

6202-83-6780

Spacer

SN: 502249-@

1шт.

31

01010-81030

Bolt

SN: 502249-@

1шт.

32

01643-31032

Washer

SN: 502249-@

1шт.

33

6219-71-4790

Bracket

SN: 502249-@

1шт.

34

01010-81030

Bolt

SN: 505063-505255

4шт.

35

01643-31032

Washer

SN: 505063-505255

4шт.

36

6166-75-6821

Clamp, half

SN: 502249-@

8шт.

37

01010-80835

Bolt

SN: 502249-@

4шт.

38

01643-30823

Washer

SN: 502249-@

4шт.

39

6219-71-7620

Bracket

SN: 502249-@

1шт.

40

6150-81-8980

Plate

SN: 502249-@

1шт.

41

01010-81035

Bolt

SN: 502249-@

1шт.

42

01643-31032

Washer

SN: 502249-@

1шт.

43

04434-51010

Clip

SN: 502249-@

1шт.

44

01010-81020

Bolt

SN: 502249-@

6шт.

45

01643-31032

Washer

SN: 502249-@

6шт.

46

01010-81070

Bolt

SN: 502249-@

1шт.

47

01643-31032

Washer

SN: 502249-@

1шт.

48

01584-01008

Nut

SN: 502249-@

1шт.

49

04434-52511

Clip

SN: 502249-@

12шт.

50

07095-20318

Cushion

SN: 502249-@

12шт.

51

6219-71-4920

Joint

SN: 502249-@

1шт.

52

01010-81090

Bolt

SN: 502249-@

2шт.

53

01643-31032

Washer

SN: 502249-@

2шт.

54

6219-71-4820

Tube

SN: 502249-@

1шт.

55

6219-71-4940

Plate

SN: 502249-@

1шт.

56

6206-11-4490

Spacer

SN: 502249-@

3шт.

57

01435-01065

Bolt

SN: 502249-@

3шт.

58

6240-71-6520

Clamp

SN: 502249-@

2шт.

59

6240-71-6510

Clamp

SN: 502249-@

2шт.

60

01584-01008

Nut

SN: 502249-@

2шт.

61

01435-01045

Bolt

SN: 502249-@

2шт.

62

6219-71-4890

Tube

SN: 502249-@

1шт.

63

6219-71-4860

Tube

SN: 502249-@

1шт.

64

07206-31014

Bolt, Joint

SN: 502249-@

4шт.

65

07005-01412

Seal, Washer

SN: 502249-@

8шт.

66

6166-75-6821

Clamp, half

SN: 502249-@

2шт.

67

6261-51-9481

Clamp, half

SN: 502249-@

2шт.

68

01435-00840

Bolt

SN: 502249-@

2шт.

Выбрано товаров: 136