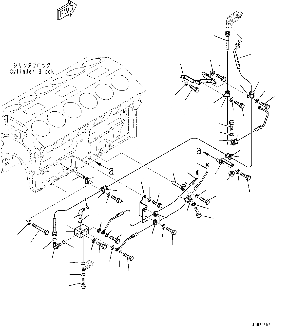
Запчасти Komatsu SAA12V140E-3A ТОПЛИВОПРОВОД., ПРАВ. ГРУПП. (/) (№9-9) ТОПЛИВОПРОВОД., ДЛЯ ХОЛОДН. AREA СПЕЦ-ЯIFICATION A (- DEG C), ПОДДОН ДВИГ-ЛЯ И ПОДОГРЕВАТЕЛЬ ХЛАДАГЕНТА

Схема запчастей Komatsu SAA12V140E-3A - ТОПЛИВОПРОВОД., ПРАВ. ГРУПП. (/) (№9-9) ТОПЛИВОПРОВОД., ДЛЯ ХОЛОДН. AREA СПЕЦ-ЯIFICATION A (- DEG C), ПОДДОН ДВИГ-ЛЯ И ПОДОГРЕВАТЕЛЬ ХЛАДАГЕНТА
1
3
6
7
8
9
10
11
12
13
14
15
18
20
21
22
19
24
26
27
28
29
30
31
32
33
34
35
36
14
23
23
25
36
36
13
14
36
36
36
13
14
36
28
2
4
5
36
13
14
13
12
12
12
11
11
12
31
14
13
9
10
8
12
17
16
23
1
3
6
7
8
9
10
11
12
13
14
15
18
20
21
22
19
24
26
27
28
29
30
31
32
33
34
35
36
14
23
23
25
36
36
13
14
36
36
36
13
14
36
28
2
4
5
36
13
14
13
12
12
12
11
11
12
31
14
13
9
10
8
12
17
16
23
FIT
1:1
100%

Артикул

Название

Примечание

Количество

1

6219-71-4930

Joint

SN: 502249-@

1шт.

2

02764-00409

Hose, Face Seal Type

SN: 502249-@

1шт.

3

6219-71-4840

Hose

SN: 502249-@

1шт.

4

6219-71-4850

Hose

SN: 502249-@

1шт.

5

6219-71-4910

Hose

SN: 502249-@

1шт.

6

01010-81090

Bolt

SN: 502249-@

2шт.

7

01643-31032

Washer

SN: 502249-@

2шт.

8

02782-10420

Elbow

SN: 502249-@

2шт.

9

07002-11823

O-ring

SN: 502249-@

2шт.

10

02896-11012

O-ring

SN: 502249-@

2шт.

11

07206-31014

Bolt, Joint

SN: 502249-506069

4шт.

12

07005-01412

Seal, Washer

SN: 502249-506069

8шт.

13

04434-52511

Clip

SN: 502249-@

6шт.

14

07095-20318

Cushion

SN: 502249-@

6шт.

15

6130-12-4571

Spacer

SN: 502249-@

1шт.

16

01011-81000

Bolt

SN: 502249-@

1шт.

17

426-06-11570

Bracket

SN: 502249-@

1шт.

18

01010-81020

Bolt

SN: 502249-@

1шт.

19

01643-31032

Washer

SN: 502249-@

1шт.

20

6219-71-4970

Bracket

SN: 502249-@

1шт.

21

01010-81075

Bolt

SN: 502249-506069

1шт.

22

01010-81030

Bolt

SN: 502249-@

1шт.

23

01643-31032

Washer

SN: 502249-@

3шт.

24

01584-01008

Nut

SN: 502249-@

1шт.

25

6219-71-5240

Nut

SN: 502249-@

1шт.

26

01010-81095

Bolt

SN: 502249-@

1шт.

27

01010-81045

Bolt

SN: 502249-@

1шт.

28

01010-81020

Bolt

SN: 502249-@

2шт.

29

6219-51-5910

Bracket

SN: 502249-@

1шт.

30

01010-81025

Bolt

SN: 502249-506069

2шт.

31

6934-52-6810

Clamp

SN: 502249-@

4шт.

32

01010-81045

Bolt

SN: 504951-@

2шт.

32

01010-81040

Bolt

SN: 502249-504950

2шт.

33

6219-71-4980

Bracket

SN: 502249-@

1шт.

34

01011-81055

Bolt

SN: 504951-@

1шт.

34

01010-81055

Bolt

SN: 502249-504950

1шт.

35

01010-81020

Bolt

SN: 502249-@

1шт.

36

01643-31032

Washer

SN: 502249-506069

12шт.

1

6219-71-4930

Joint

SN: 502249-@

1шт.

2

02764-00409

Hose, Face Seal Type

SN: 502249-@

1шт.

3

6219-71-4840

Hose

SN: 502249-@

1шт.

4

6219-71-4850

Hose

SN: 502249-@

1шт.

5

6219-71-4910

Hose

SN: 502249-@

1шт.

6

01010-81090

Bolt

SN: 502249-@

2шт.

7

01643-31032

Washer

SN: 502249-@

2шт.

8

02782-10420

Elbow

SN: 502249-@

2шт.

9

07002-11823

O-ring

SN: 502249-@

2шт.

10

02896-11012

O-ring

SN: 502249-@

2шт.

11

07206-31014

Bolt, Joint

SN: 502249-506069

4шт.

12

07005-01412

Seal, Washer

SN: 502249-506069

8шт.

13

04434-52511

Clip

SN: 502249-@

6шт.

14

07095-20318

Cushion

SN: 502249-@

6шт.

15

6130-12-4571

Spacer

SN: 502249-@

1шт.

16

01011-81000

Bolt

SN: 502249-@

1шт.

17

426-06-11570

Bracket

SN: 502249-@

1шт.

18

01010-81020

Bolt

SN: 502249-@

1шт.

19

01643-31032

Washer

SN: 502249-@

1шт.

20

6219-71-4970

Bracket

SN: 502249-@

1шт.

21

01010-81075

Bolt

SN: 502249-506069

1шт.

22

01010-81030

Bolt

SN: 502249-@

1шт.

23

01643-31032

Washer

SN: 502249-@

3шт.

24

01584-01008

Nut

SN: 502249-@

1шт.

25

6219-71-5240

Nut

SN: 502249-@

1шт.

26

01010-81095

Bolt

SN: 502249-@

1шт.

27

01010-81045

Bolt

SN: 502249-@

1шт.

28

01010-81020

Bolt

SN: 502249-@

2шт.

29

6219-51-5910

Bracket

SN: 502249-@

1шт.

30

01010-81025

Bolt

SN: 502249-506069

2шт.

31

6934-52-6810

Clamp

SN: 502249-@

4шт.

32

01010-81045

Bolt

SN: 504951-@

2шт.

32

01010-81040

Bolt

SN: 502249-504950

2шт.

33

6219-71-4980

Bracket

SN: 502249-@

1шт.

34

01011-81055

Bolt

SN: 504951-@

1шт.

34

01010-81055

Bolt

SN: 502249-504950

1шт.

35

01010-81020

Bolt

SN: 502249-@

1шт.

36

01643-31032

Washer

SN: 502249-506069

12шт.

Выбрано товаров: 76