Запчасти Komatsu SAA12V140E-3A ТОПЛИВОПРОВОД., ЛЕВ. ГРУПП. (/) (№9-) ТОПЛИВОПРОВОД., ДЛЯ EXTRA BAD ТОПЛИВН. И ПЛОХ. ТОПЛИВО СПЕЦ-ЯIFICATION, ВОДН.+DUST, ДОПОЛН. ФИЛЬТР.

Схема запчастей Komatsu SAA12V140E-3A - ТОПЛИВОПРОВОД., ЛЕВ. ГРУПП. (/) (№9-) ТОПЛИВОПРОВОД., ДЛЯ EXTRA BAD ТОПЛИВН. И ПЛОХ. ТОПЛИВО СПЕЦ-ЯIFICATION, ВОДН.+DUST, ДОПОЛН. ФИЛЬТР.
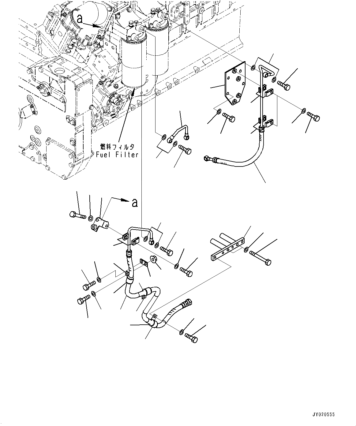
1
2
3
4
5
7
6
9
8
10
11
12
13
14
15
16
17
18
19
20
21
23
24
25
26
22
21
22
21
26
28
27
10
11
8
9
8
9
22
1
2
3
4
5
7
6
9
8
10
11
12
13
14
15
16
17
18
19
20
21
23
24
25
26
22
21
22
21
26
28
27
10
11
8
9
8
9
22
FIT
1:1
100%

Артикул

Название

Примечание

Количество

1

6219-71-7690

Hose

SN: 502249-@

1шт.

2

6219-71-7140

Bracket

SN: 502249-@

1шт.

3

01011-81025

Bolt

SN: 502249-@

2шт.

4

01643-31032

Washer

SN: 502249-@

2шт.

5

6219-71-7620

Bracket

SN: 502249-@

1шт.

6

01010-81035

Bolt

SN: 502249-@

1шт.

7

01643-31032

Washer

SN: 502249-@

1шт.

8

04434-52511

Clip

SN: 502249-@

3шт.

9

07095-20318

Cushion

SN: 502249-@

3шт.

10

01010-81020

Bolt

SN: 502249-@

3шт.

11

01643-31032

Washer

SN: 502249-@

3шт.

12

01584-01008

Nut

SN: 502249-@

1шт.

13

6150-81-8980

Plate

SN: 502249-@

1шт.

14

01010-81070

Bolt

SN: 502249-@

1шт.

15

01643-31032

Washer

SN: 502249-@

1шт.

16

6934-52-6810

Clamp

SN: 502249-@

2шт.

17

01010-81040

Bolt

SN: 502249-@

1шт.

18

01643-31032

Washer

SN: 502249-@

1шт.

19

6219-71-7680

Tube

SN: 502249-@

1шт.

20

6219-71-7740

Hose

SN: 502249-@

1шт.

21

07206-31014

Bolt, Joint

SN: 502249-@

4шт.

22

07005-01412

Seal, Washer

SN: 502249-@

8шт.

23

6219-71-4790

Bracket

SN: 502249-@

1шт.

24

01010-81030

Bolt

SN: 502249-505255

4шт.

25

01643-31032

Washer

SN: 502249-505255

4шт.

26

6934-52-6810

Clamp

SN: 502249-@

4шт.

27

01010-80835

Bolt

SN: 502249-@

2шт.

28

01643-30823

Washer

SN: 502249-@

2шт.

1

6219-71-7690

Hose

SN: 502249-@

1шт.

2

6219-71-7140

Bracket

SN: 502249-@

1шт.

3

01011-81025

Bolt

SN: 502249-@

2шт.

4

01643-31032

Washer

SN: 502249-@

2шт.

5

6219-71-7620

Bracket

SN: 502249-@

1шт.

6

01010-81035

Bolt

SN: 502249-@

1шт.

7

01643-31032

Washer

SN: 502249-@

1шт.

8

04434-52511

Clip

SN: 502249-@

3шт.

9

07095-20318

Cushion

SN: 502249-@

3шт.

10

01010-81020

Bolt

SN: 502249-@

3шт.

11

01643-31032

Washer

SN: 502249-@

3шт.

12

01584-01008

Nut

SN: 502249-@

1шт.

13

6150-81-8980

Plate

SN: 502249-@

1шт.

14

01010-81070

Bolt

SN: 502249-@

1шт.

15

01643-31032

Washer

SN: 502249-@

1шт.

16

6934-52-6810

Clamp

SN: 502249-@

2шт.

17

01010-81040

Bolt

SN: 502249-@

1шт.

18

01643-31032

Washer

SN: 502249-@

1шт.

19

6219-71-7680

Tube

SN: 502249-@

1шт.

20

6219-71-7740

Hose

SN: 502249-@

1шт.

21

07206-31014

Bolt, Joint

SN: 502249-@

4шт.

22

07005-01412

Seal, Washer

SN: 502249-@

8шт.

23

6219-71-4790

Bracket

SN: 502249-@

1шт.

24

01010-81030

Bolt

SN: 502249-505255

4шт.

25

01643-31032

Washer

SN: 502249-505255

4шт.

26

6934-52-6810

Clamp

SN: 502249-@

4шт.

27

01010-80835

Bolt

SN: 502249-@

2шт.

28

01643-30823

Washer

SN: 502249-@

2шт.

Выбрано товаров: 56