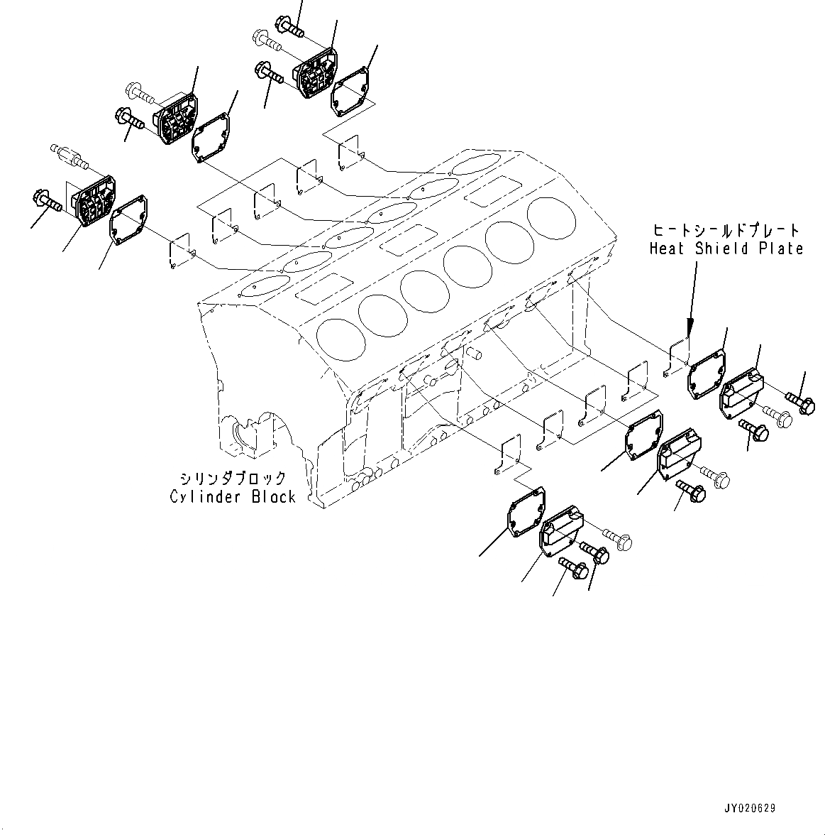
Запчасти Komatsu SAA12V140E-3A КРЫШКА ТОЛКАТЕЛЕЙ КЛАПАНА (№9-) КРЫШКА ТОЛКАТЕЛЕЙ КЛАПАНА

Схема запчастей Komatsu SAA12V140E-3A - КРЫШКА ТОЛКАТЕЛЕЙ КЛАПАНА (№9-) КРЫШКА ТОЛКАТЕЛЕЙ КЛАПАНА
3
1
2
3
2
1
3
3
1
2
3
3
1
2
3
1
2
3
1
2
3
3
1
2
3
2
1
3
3
1
2
3
3
1
2
3
1
2
3
1
2
3
FIT
1:1
100%

Артикул

Название

Примечание

Количество

1

6215-21-6420

Cover

SN: 505944-UP

12шт.

2

6215-21-6431

Gasket

SN: 505944-UP

12шт.

3

6215-21-6450

Bolt

SN: 505944-UP

47шт.

1

6215-21-6420

Cover

SN: 505944-UP

12шт.

2

6215-21-6431

Gasket

SN: 505944-UP

12шт.

3

6215-21-6450

Bolt

SN: 505944-UP

47шт.

Выбрано товаров: 6