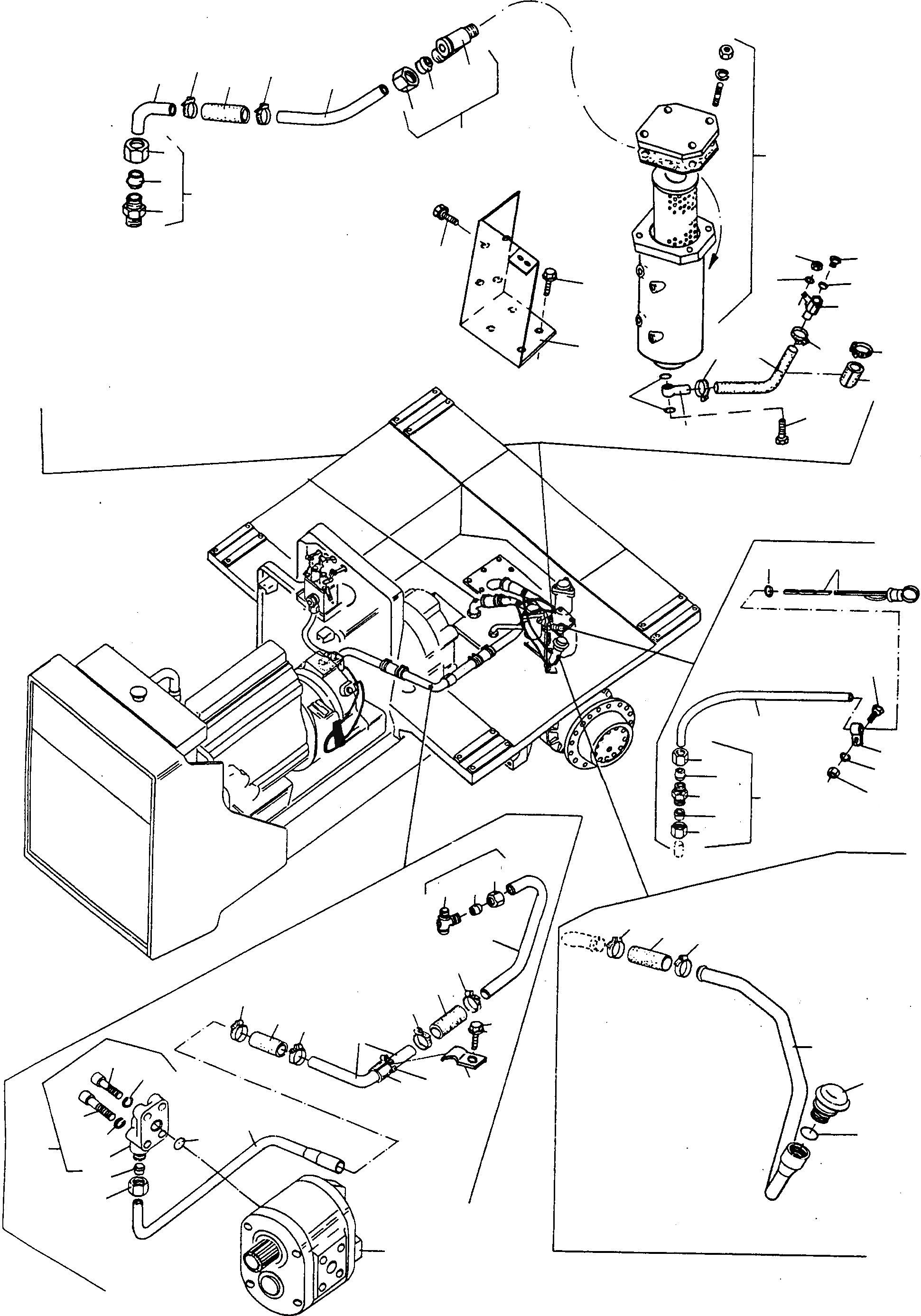
Запчасти Komatsu D500E Turbo ВСАСЫВ. PIPES ДЛЯ РУЛЕВ. УПРАВЛЕНИЕ ASSEMBLY СИСТЕМАУПРАВЛЕНИЯ ПОВОРОТОМ, ПЕРЕДНИЙ МОСТ, ТОРМОЗ. СИСТЕМА

Схема запчастей Komatsu D500E Turbo - ВСАСЫВ. PIPES ДЛЯ РУЛЕВ. УПРАВЛЕНИЕ ASSEMBLY СИСТЕМАУПРАВЛЕНИЯ ПОВОРОТОМ, ПЕРЕДНИЙ МОСТ, ТОРМОЗ. СИСТЕМА
3
12
10
14
49
13
7
51
7
5
6
52A
48
8
41
38
34
11
34
33
35
44
12
10
9
17
24
4
26
52B
1
2
54
57
15
55
15
56
53
52
51
50
42
37
36
35
39
40
32
9
11
44
43
16
7
6
7
7
6
7
15
45
28
29
7
46
20
18
27
19
47
29
30
23
25
31
FIT
1:1
100%

Артикул

Название

Примечание

Количество

1

3002303X91

UNION

DeutschDesc: VERSCHRAUBUNG

1шт.

2

UNION

EnglischBem: ORDER 3002 303 X91

1шт.

3

3004128X1

OLIVE

DeutschDesc: SCHNEIDRING

1шт.

4

3004123X1

BOXNUT

DeutschDesc: UEBERWURFMUTTER

1шт.

5

2986522M1

TUBE

DeutschDesc: ROHR

1шт.

6

2964733M2

HOSE

DeutschDesc: SCHLAUCH

3шт.

7

1444840X1

CLIP

EnglischBem: REPAIRS AND REPLACES 1440 840 X1

13шт.

8

2989647M1

TUBE

DeutschDesc: ROHR

1шт.

9

3002469X91

UNION

DeutschDesc: VERSCHRAUBUNG

2шт.

10

UNION

EnglischBem: ORDER 3002 469 X91

2шт.

11

3004128X1

OLIVE

DeutschDesc: SCHNEIDRING

2шт.

12

3004123X1

BOXNUT

DeutschDesc: UEBERWURFMUTTER

2шт.

13

4021331M92

FILTER

DeutschDesc: FILTER

1шт.

|$60

FILTER

DeutschDesc: FILTER

-3шт.

14

2989845M91

BRACKET

DeutschDesc: HALTER

1шт.

15

1444132X1

SCREW

DeutschDesc: SCHRAUBE

8шт.

16

2989648M1

TUBE

DeutschDesc: ROHR

1шт.

17

2986519M1

TUBE

DeutschDesc: ROHR

1шт.

18

3000950X1

HOSE

DeutschDesc: SCHLAUCH

1шт.

19

2986521M1

TUBE

DeutschDesc: ROHR

1шт.

20

NOT USED

DeutschDesc: NICHT VERWENDET

-1шт.

21

NOT USED

DeutschDesc: NICHT VERWENDET

-1шт.

22

NOT USED

DeutschDesc: NICHT VERWENDET

-1шт.

23

3089912M91

UNION

DeutschDesc: VERSCHRAUBUNG

1шт.

24

FLANGE

EnglischBem: ORDER 3089 912 M91

1шт.

25

1443842X1

OLIVE

DeutschDesc: SCHNEIDRING

1шт.

26

1443838X1

BOXNUT

DeutschDesc: UEBERWURFMUTTER

1шт.

27

3002043X1

SCREW

DeutschDesc: SCHRAUBE

2шт.

28

391979X1

SCREW

DeutschDesc: SCHRAUBE

2шт.

29

1443791X1

SPRING WASHER

DeutschDesc: FEDERRING

4шт.

30

1444803X1

O-RING

DeutschDesc: O-RING

1шт.

31

2979468M91

STEERING PUMP

DeutschDesc: LENKPUMPE

1шт.

|$61

STEERING PUMP

DeutschDesc: LENKPUMPE

-3шт.

32

390063X91

UNION

DeutschDesc: VERSCHRAUBUNG

1шт.

33

UNION

EnglischBem: ORDER 390 063 X91

1шт.

34

1443840X1

OLIVE

DeutschDesc: SCHNEIDRING

2шт.

35

339995X1

BOXNUT

DeutschDesc: UEBERWURFMUTTER

2шт.

36

2989653M1

TUBE

DeutschDesc: ROHR

1шт.

37

1444133X1

SCREW

DeutschDesc: SCHRAUBE

1шт.

38

2885148M1

CLIP

DeutschDesc: SCHELLE

1шт.

39

1443790X1

SPRING WASHER

DeutschDesc: FEDERRING

1шт.

40

339402X1

NUT

DeutschDesc: MUTTER

1шт.

41

2986545M91

OIL DIPSTICK

DeutschDesc: OELMESSSTAB

1шт.

42

2871668M1

GASKET

DeutschDesc: DICHTUNG

1шт.

43

3092511M1

HOSE

DeutschDesc: SCHLAUCH

1шт.

44

1444840X1

CLIP

DeutschDesc: SCHELLE

2шт.

45

2989649M91

TUBE

DeutschDesc: ROHR

1шт.

46

2869474M1

FILTER

DeutschDesc: FILTER

1шт.

47

1444794X1

O-RING

DeutschDesc: O-RING

1шт.

48

2999668M1

BANJO BOLT

DeutschDesc: HOHLSCHRAUBE

1шт.

49

1440997X1

SEAL

DeutschDesc: DICHTRING

2шт.

50

4001812M91

TUBE

DeutschDesc: ROHR

1шт.

51

2995123X1

CLIP

DeutschDesc: SCHELLE

2шт.

52

2995428X1

HOSE

EnglischBem: REPAIRS AND REPLACES 2995 852 X1 GOODS SOLD BY THE METER 2995 42

1шт.

52A

2995076X1

CLIP

DeutschDesc: SCHELLE

2шт.

52B

1443897X1

HOSE

DeutschDesc: SCHLAUCH

1шт.

53

4001810M91

CONNECTOR

DeutschDesc: ANSCHLUSS

1шт.

54

1444316X1

NUT

DeutschDesc: MUTTER

1шт.

55

390972X1

PLAIN WASHER

DeutschDesc: UNTERLEGSCHEIBE

1шт.

56

391312X1

SEAL

DeutschDesc: DICHTRING

1шт.

57

3005643X1

PLUG

DeutschDesc: VERSCHLUSSSTOPFEN

1шт.

Выбрано товаров: 61