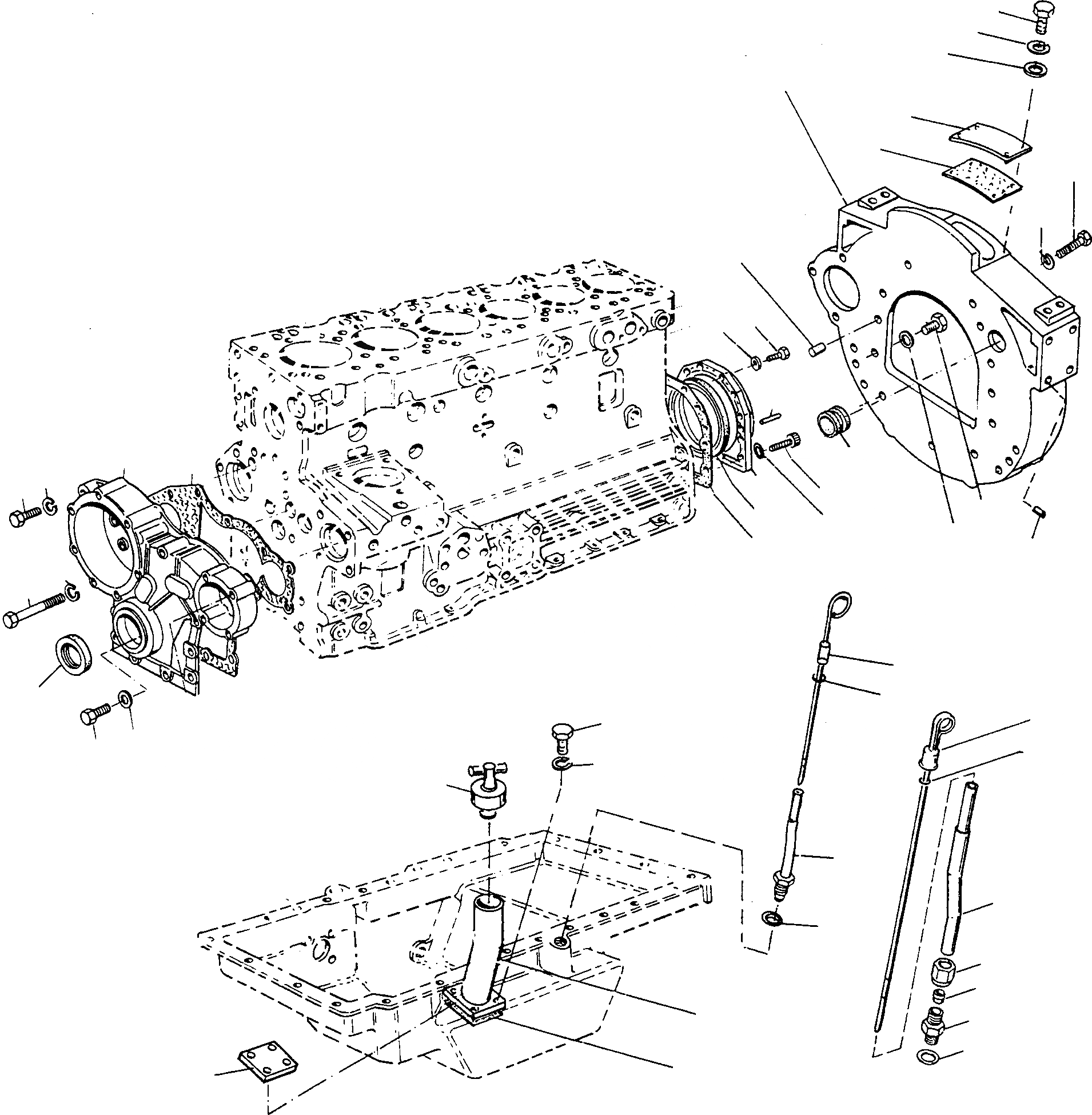
Запчасти Komatsu D500E Turbo TIMING КОРПУС ШЕСТЕРЕНН. ПЕРЕДАЧИ И КАРТЕР МАХОВИКА ДВИГАТЕЛЬ, АКСЕССУАРЫ И ЭЛЕКТРИЧ. СИСТЕМА

Схема запчастей Komatsu D500E Turbo - TIMING КОРПУС ШЕСТЕРЕНН. ПЕРЕДАЧИ И КАРТЕР МАХОВИКА ДВИГАТЕЛЬ, АКСЕССУАРЫ И ЭЛЕКТРИЧ. СИСТЕМА
28
31A
29
30
18
26
27
24
25
21
14
15
13
1
3
20
5
4
16
10
17
22
11
23
12
19
7
6
38
2
39
45
33
9
46
8
34
35
36
40
37
43
42
31
41
44
32
FIT
1:1
100%

Артикул

Название

Примечание

Количество

1

4908633M1

HOUSING

DeutschDesc: GEHAEUSE

1шт.

2

4906659M1

SEAL

DeutschDesc: DICHTRING

1шт.

3

4908637M1

GASKET

DeutschDesc: DICHTUNG

1шт.

4

4905376M1

SCREW

DeutschDesc: SCHRAUBE

8шт.

5

4905353M1

SPRING WASHER

DeutschDesc: FEDERRING

8шт.

6

4906182M1

SCREW

DeutschDesc: SCHRAUBE

1шт.

7

4905353M1

SPRING WASHER

DeutschDesc: FEDERRING

1шт.

8

4908639M1

PLUG

DeutschDesc: VERSCHLUSSSTOPFEN

1шт.

9

4908641M1

DISC

DeutschDesc: SCHEIBE

1шт.

10

4906648M91

HOUSING

DeutschDesc: GEHAEUSE

1шт.

11

4906649M1

SEAL

DeutschDesc: DICHTRING

1шт.

12

4906650M1

GASKET

DeutschDesc: DICHTUNG

1шт.

13

4906652M1

DOWEL

DeutschDesc: ZYLINDERSTIFT

2шт.

14

4906651M1

SCREW

DeutschDesc: SCHRAUBE

10шт.

15

4905377M1

PLAIN WASHER

DeutschDesc: UNTERLEGSCHEIBE

10шт.

16

357987X1

SCREW

DeutschDesc: SCHRAUBE

2шт.

17

4906654M1

PLAIN WASHER

DeutschDesc: UNTERLEGSCHEIBE

2шт.

18

4909195M1

HOUSING

DeutschDesc: GEHAEUSE

1шт.

19

NOT USED

DeutschDesc: NICHT VERWENDET

-1шт.

20

4906667M1

PLUG

DeutschDesc: VERSCHLUSSSTOPFEN

1шт.

21

4906669M1

DOWEL

DeutschDesc: ZYLINDERSTIFT

2шт.

22

353540X1

SCREW

DeutschDesc: SCHRAUBE

6шт.

23

4908651M1

DISC

DeutschDesc: SCHEIBE

6шт.

24

4909196M1

SCREW

DeutschDesc: SCHRAUBE

2шт.

25

4905545M1

DISC

DeutschDesc: SCHEIBE

2шт.

26

4908654M1

PLATE

DeutschDesc: PLATTE

2шт.

27

NOT USED

DeutschDesc: NICHT VERWENDET

-1шт.

28

4908656M1

SCREW

DeutschDesc: SCHRAUBE

8шт.

29

4906623M1

PLAIN WASHER

DeutschDesc: UNTERLEGSCHEIBE

8шт.

30

4906625M1

SPRING WASHER

DeutschDesc: FEDERRING

8шт.

31

2988833M91

STUD

DeutschDesc: STUTZEN

1шт.

32

4908819M1

GASKET

DeutschDesc: DICHTUNG

1шт.

33

4905354M1

SCREW

DeutschDesc: SCHRAUBE

4шт.

34

4905353M1

SPRING WASHER

DeutschDesc: FEDERRING

4шт.

35

2867625M91

CAP

DeutschDesc: KAPPE

1шт.

36

4909197M1

TUBE

EnglischBem: SN: - 725080L

1шт.

37

4909200M1

DISC

EnglischBem: SN: - 725080L

1шт.

38

4909199M91

OIL DIPSTICK

EnglischBem: SN: - 725080L

1шт.

39

4909198M1

PLAIN WASHER

EnglischBem: SN: - 725080L

1шт.

40

4001377M1

TUBE

EnglischBem: SN: 725081L -

1шт.

41

4001376M1

STUD

EnglischBem: SN: 725081L -

1шт.

42

1443840X1

OLIVE

EnglischBem: SN: 725081L -

1шт.

43

339995X1

BOXNUT

EnglischBem: SN: 725081L -

1шт.

44

390839X1

SEAL

EnglischBem: SN: 725081L -

1шт.

45

4001368M91

OIL DIPSTICK

EnglischBem: SN: 725081L -

1шт.

46

2871668M1

GASKET

EnglischBem: SN: 725081L -

1шт.

Выбрано товаров: 46