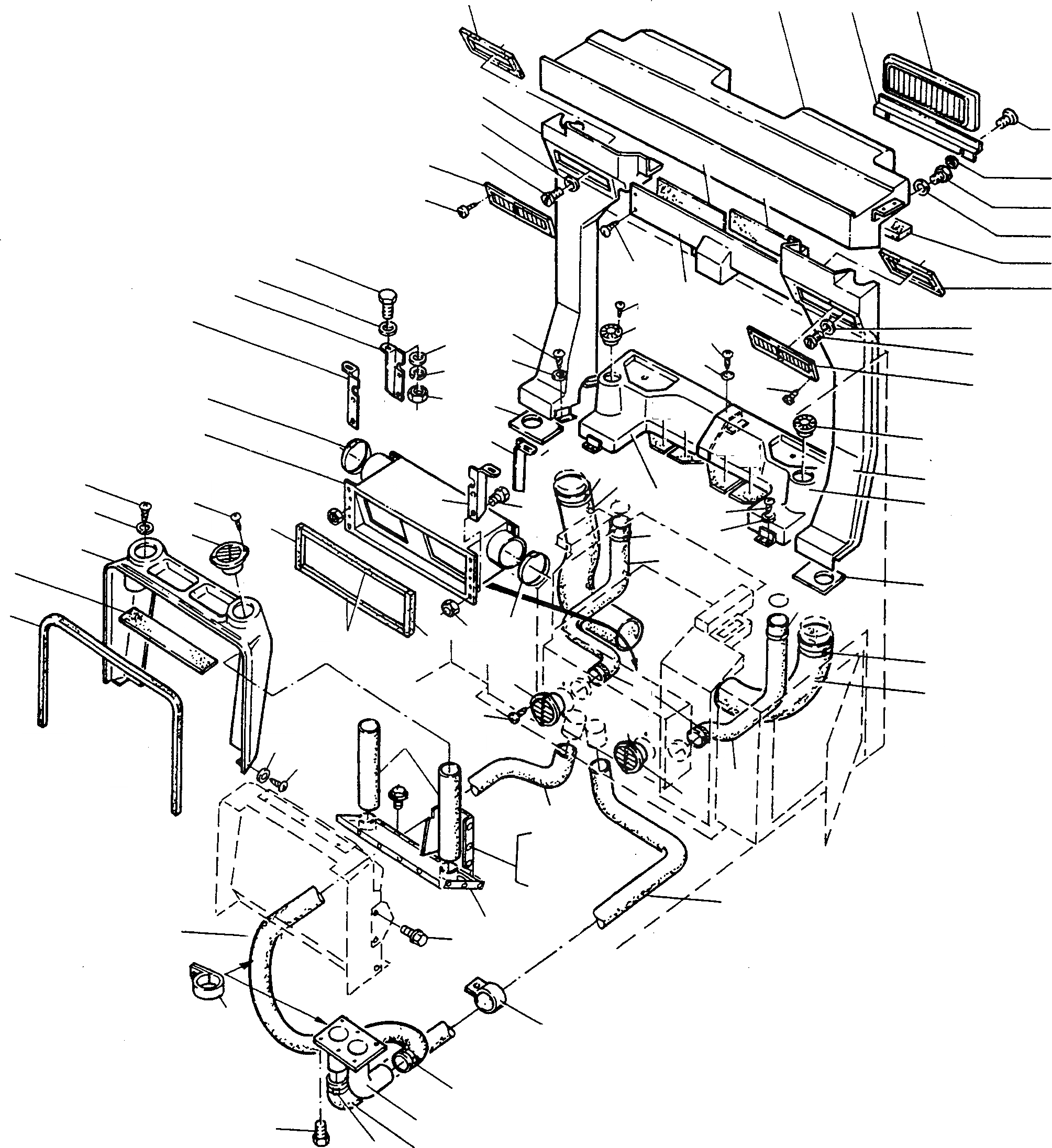
Запчасти Komatsu D500E Turbo ВЕНТИЛЯТОРILATION ШАССИ И SUPERSTRUCTURE

Схема запчастей Komatsu D500E Turbo - ВЕНТИЛЯТОРILATION ШАССИ И SUPERSTRUCTURE
28
19
21
20
45
27
47
46
33
43
38
22
38
39
32
40
15
34
15
23
15
14
44
53
62
64
35
7
24
25
8
18
9
28
4
5
42
33
30
40
9
32
41
31
10
34
35
13
11
29
39
1
5
42
13
26
12
63
37
4
68
36
6
3
41
67
14
61
29
60
13
3
2
13
16
12
17
16
56
66
65
55
51
57
58
50
54
51
59
53
52
48
49
50
52
FIT
1:1
100%

Артикул

Название

Примечание

Количество

1

2988579M91

BLOWER

DeutschDesc: GEBLAESE

1шт.

|$69

BLOWER

DeutschDesc: GEBLAESE

-3шт.

2

2988567M1

GASKET

DeutschDesc: DICHTUNG

2шт.

3

2988568M1

GASKET

DeutschDesc: DICHTUNG

2шт.

4

2988077M1

BRACKET

DeutschDesc: HALTER

2шт.

5

2988078M1

BRACKET

DeutschDesc: HALTER

2шт.

6

3000387X1

SCREW

DeutschDesc: SCHRAUBE

8шт.

7

1444325X1

NUT

DeutschDesc: MUTTER

8шт.

8

390991X1

SCREW

DeutschDesc: SCHRAUBE

4шт.

9

390972X1

PLAIN WASHER

DeutschDesc: UNTERLEGSCHEIBE

8шт.

10

1440313X1

SPRING WASHER

DeutschDesc: FEDERRING

4шт.

11

339169X1

NUT

DeutschDesc: MUTTER

4шт.

12

2988557M1

HOSE

DeutschDesc: SCHLAUCH

2шт.

13

1444844X1

CLIP

DeutschDesc: SCHELLE

4шт.

14

2988554M1

HOSE

DeutschDesc: SCHLAUCH

2шт.

15

1444675X1

CLIP

DeutschDesc: SCHELLE

4шт.

16

3093121M1

NOZZLE

DeutschDesc: DUESE

2шт.

17

3067316M8

SCREW

DeutschDesc: SCHRAUBE

4шт.

18

4020166M1

GASKET

DeutschDesc: DICHTUNG

1шт.

19

2990423M91

CASE

EnglischBem: REPAIRS AND REPLACES 2988 653 M91

1шт.

20

3093543M91

AIR FILTER

DeutschDesc: LUFTFILTER

2шт.

21

4002160M1

FRAME

EnglischBem: REPAIRS AND REPLACES 2988 569 M1

2шт.

22

2994737M1

JOURNAL

DeutschDesc: ZAPFEN

4шт.

23

2994739M1

FUSE

DeutschDesc: SICHERUNG ELEKTR.

4шт.

24

339761X1

SCREW

DeutschDesc: SCHRAUBE

4шт.

25

391039X1

PLAIN WASHER

DeutschDesc: UNTERLEGSCHEIBE

4шт.

26

2988654M91

INTAKE STACK

DeutschDesc: ANSAUGSTUTZEN

1шт.

27

2988655M91

INTAKE STACK

DeutschDesc: ANSAUGSTUTZEN

1шт.

28

4001842M1

GASKET

DeutschDesc: DICHTUNG

2шт.

29

4001843M1

GASKET

DeutschDesc: DICHTUNG

2шт.

30

3067666M8

SCREW

DeutschDesc: SCHRAUBE

8шт.

31

2997360M1

DISC

DeutschDesc: SCHEIBE

8шт.

32

3000387X1

SCREW

EnglischBem: REPAIRS AND REPLACES 3067 302 M8

2шт.

33

2997360M1

DISC

DeutschDesc: SCHEIBE

2шт.

34

2988518M1

SLIDER

DeutschDesc: SCHIEBER

2шт.

35

3005748X1

SCREW

DeutschDesc: SCHRAUBE

16шт.

36

2988656M91

CLADDING

DeutschDesc: VERKLEIDUNG

1шт.

37

2988657M91

CLADDING

DeutschDesc: VERKLEIDUNG

1шт.

38

2988717M1

INSULATING BOARD

DeutschDesc: DAEMMPAPPE

2шт.

39

2988718M1

INSULATING BOARD

DeutschDesc: DAEMMPAPPE

2шт.

40

3067666M8

SCREW

DeutschDesc: SCHRAUBE

12шт.

41

2997360M1

DISC

DeutschDesc: SCHEIBE

12шт.

42

2989413M91

AIR OUTLET

DeutschDesc: LUFTAUSSTROEMER

2шт.

43

3005745X1

SCREW

DeutschDesc: SCHRAUBE

8шт.

44

4001856M1

INSULATING BOARD

DeutschDesc: DAEMMPAPPE

1шт.

45

4001855M1

INSULATING BOARD

DeutschDesc: DAEMMPAPPE

1шт.

46

2988658M91

CLADDING

DeutschDesc: VERKLEIDUNG

1шт.

47

3005735X1

SCREW

DeutschDesc: SCHRAUBE

4шт.

48

2987205M91

MANIFOLD

DeutschDesc: KRUEMMER

1шт.

49

1444157X1

SCREW

DeutschDesc: SCHRAUBE

6шт.

50

2988555M1

HOSE

DeutschDesc: SCHLAUCH

1шт.

51

2988556M1

HOSE

DeutschDesc: SCHLAUCH

1шт.

52

2995076X1

CLIP

DeutschDesc: SCHELLE

4шт.

53

2994686M1

CLIP

DeutschDesc: SCHELLE

3шт.

54

2988729M91

SHEET

DeutschDesc: BLECH

1шт.

55

3000387X1

SCREW

DeutschDesc: SCHRAUBE

14шт.

56

2988728M1

HOSE

DeutschDesc: SCHLAUCH

2шт.

57

2988683M91

COVERING

EnglischBem: LEFT

1шт.

58

2988682M91

COVERING

EnglischBem: RIGHT

1шт.

59

3000387X1

SCREW

DeutschDesc: SCHRAUBE

10шт.

60

2986230M1

GASKET

DeutschDesc: DICHTUNG

1шт.

61

2989416M1

INSULATING BOARD

DeutschDesc: DAEMMPAPPE

1шт.

62

2988659M91

CLADDING

DeutschDesc: VERKLEIDUNG

1шт.

63

3008949X1

SCREW

DeutschDesc: SCHRAUBE

2шт.

64

2997360M1

DISC

DeutschDesc: SCHEIBE

2шт.

65

2995612X1

SCREW

EnglischBem: REPAIRS AND REPLACES 3067 302 M8

2шт.

66

2997360M1

DISC

DeutschDesc: SCHEIBE

2шт.

67

3093121M1

AIR OUTLET

DeutschDesc: LUFTAUSSTROEMER

2шт.

68

3008949X1

SCREW

DeutschDesc: SCHRAUBE

2шт.

Выбрано товаров: 69