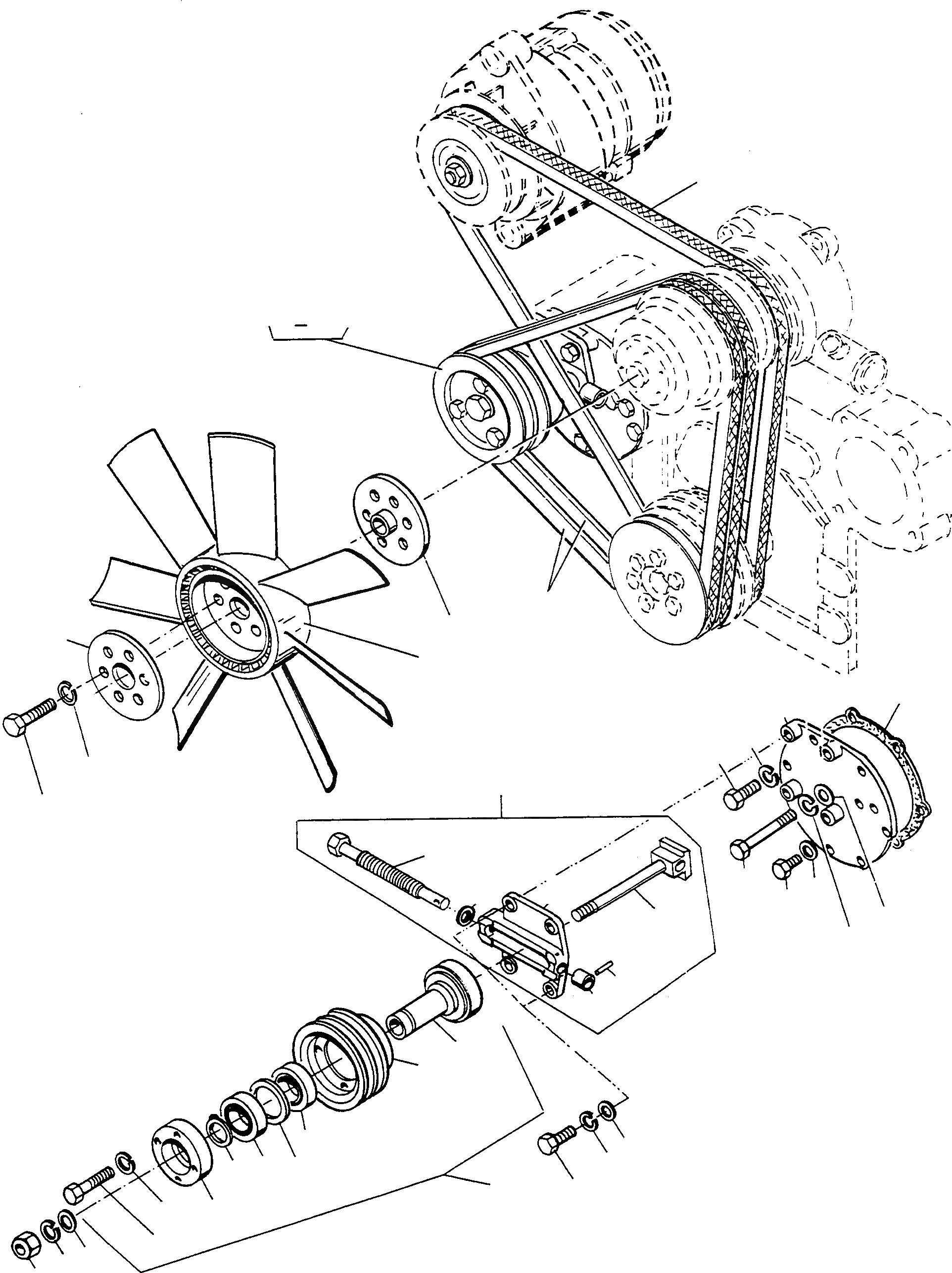
Запчасти Komatsu D500E Turbo ВЕНТИЛЯТОР, НАТЯЖИТЕЛЬ РЕМНЯ ДВИГАТЕЛЬ, АКСЕССУАРЫ И ЭЛЕКТРИЧ. СИСТЕМА

Схема запчастей Komatsu D500E Turbo - ВЕНТИЛЯТОР, НАТЯЖИТЕЛЬ РЕМНЯ ДВИГАТЕЛЬ, АКСЕССУАРЫ И ЭЛЕКТРИЧ. СИСТЕМА
24
38
31
1
32
34
35
33
2
1
7
6
37
10
36
13
3
9
12
14
8
4
11
5
16
15
21
25
22
18
19
22
23
20
17
26
27
28
29
30
31
FIT
1:1
100%

Артикул

Название

Примечание

Количество

1

4908615M1

PLATE

DeutschDesc: PLATTE

1шт.

2

4908614M1

GASKET

DeutschDesc: DICHTUNG

1шт.

3

4908759M1

SCREW

DeutschDesc: SCHRAUBE

2шт.

4

4905377M1

PLAIN WASHER

DeutschDesc: UNTERLEGSCHEIBE

1шт.

5

4905353M1

SPRING WASHER

DeutschDesc: FEDERRING

1шт.

6

4905376M1

SCREW

DeutschDesc: SCHRAUBE

5шт.

7

4905353M1

SPRING WASHER

DeutschDesc: FEDERRING

5шт.

8

4909383M1

SCREW

DeutschDesc: SCHRAUBE

2шт.

9

4909384M1

DISC

DeutschDesc: SCHEIBE

2шт.

10

4908616M91

BRACKET

DeutschDesc: HALTER

1шт.

11

4908617M1

PIN

DeutschDesc: BOLZEN

1шт.

12

4908625M1

BRACKET

DeutschDesc: HALTER

1шт.

13

4908626M1

SCREW

DeutschDesc: SCHRAUBE

1шт.

14

1440275X1

DISC

DeutschDesc: SCHEIBE

1шт.

15

4908627M1

BUSHING

DeutschDesc: BUCHSE

1шт.

16

4908628M1

COTTER

DeutschDesc: SPLINT

1шт.

17

4905465M1

SCREW

DeutschDesc: SCHRAUBE

4шт.

18

4906756M1

PLAIN WASHER

DeutschDesc: UNTERLEGSCHEIBE

4шт.

19

4905464M1

SPRING WASHER

DeutschDesc: FEDERRING

4шт.

20

4909059M91

PULLEY

DeutschDesc: RIEMENSCHEIBE

1шт.

21

4909060M1

SHAFT

DeutschDesc: WELLE

1шт.

22

4909061M1

BALL BEARING

DeutschDesc: KUGELLAGER

2шт.

23

4909062M1

DISC

DeutschDesc: SCHEIBE

1шт.

24

4909063M1

CIRCLIP

DeutschDesc: SICHERUNGSRING

1шт.

25

4909064M1

PULLEY

DeutschDesc: RIEMENSCHEIBE

1шт.

26

4909065M1

COVER

DeutschDesc: DECKEL

1шт.

27

4906625M1

SPRING WASHER

DeutschDesc: FEDERRING

4шт.

28

4909066M1

SCREW

DeutschDesc: SCHRAUBE

4шт.

29

4909067M1

DISC

DeutschDesc: SCHEIBE

1шт.

30

4909068M1

SPRING WASHER

DeutschDesc: FEDERRING

1шт.

31

4909069M1

NUT

DeutschDesc: MUTTER

1шт.

32

4909385M1

V-BELT

DeutschDesc: KEILRIEMEN

1шт.

33

2983867M1

FAN

DeutschDesc: LUEFTER

1шт.

34

4909386M1

DISC

DeutschDesc: SCHEIBE

1шт.

35

2983868M1

DISC

DeutschDesc: SCHEIBE

1шт.

36

4906771M1

SCREW

DeutschDesc: SCHRAUBE

6шт.

37

4905464M1

SPRING WASHER

DeutschDesc: FEDERRING

6шт.

38

2995464X1

V-BELT

EnglischBem: REPAIRS AND REPLACES 3097 070 M1

1шт.

Выбрано товаров: 38