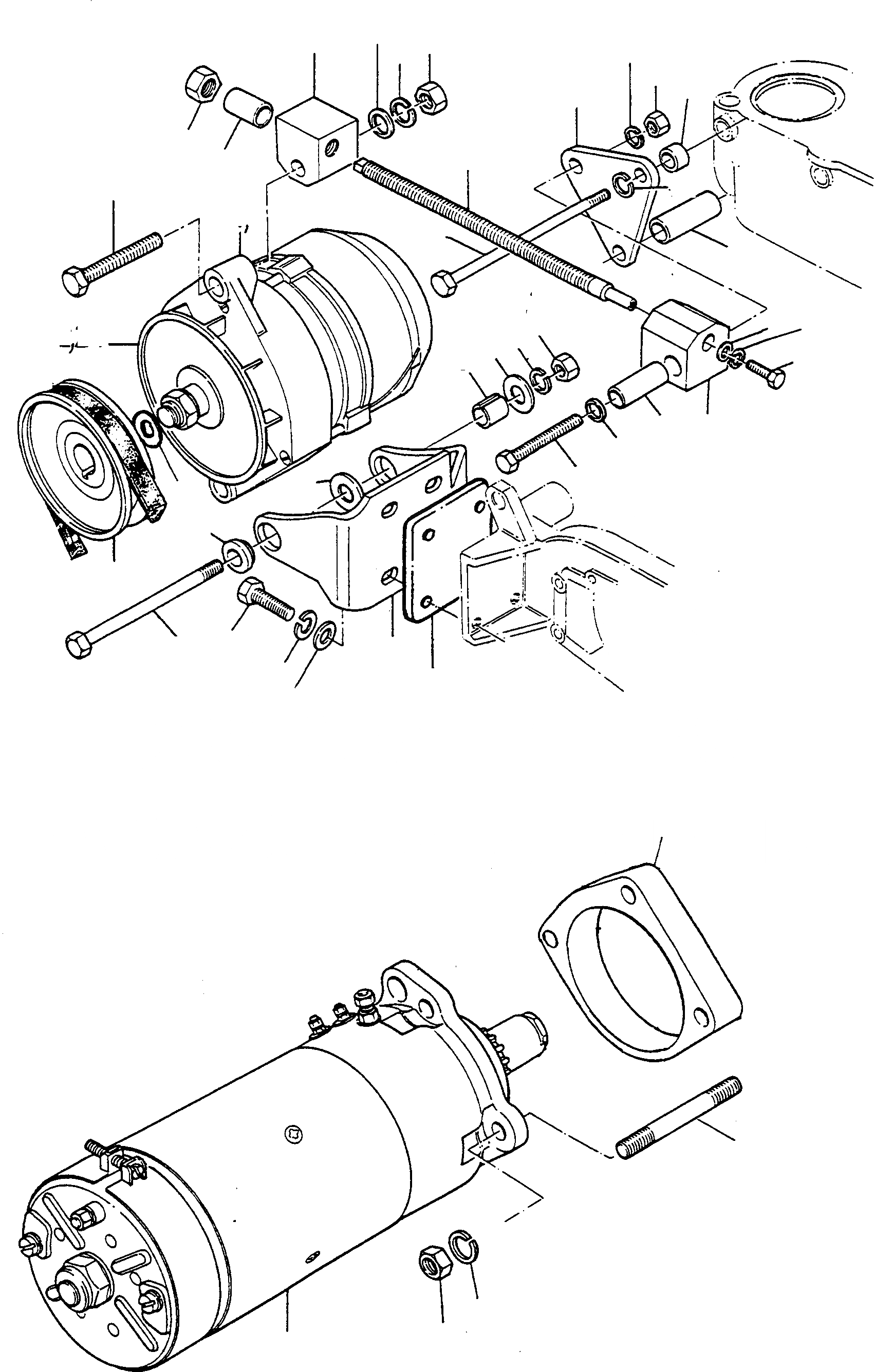
Запчасти Komatsu D500E Turbo ГЕНЕРАТОР И СТАРТЕР ДВИГАТЕЛЬ, АКСЕССУАРЫ И ЭЛЕКТРИЧ. СИСТЕМА

Схема запчастей Komatsu D500E Turbo - ГЕНЕРАТОР И СТАРТЕР ДВИГАТЕЛЬ, АКСЕССУАРЫ И ЭЛЕКТРИЧ. СИСТЕМА
19
2
18
2A
16
1
26
4
20
6A
25
9A
7A
28
3A
32A
24
14
27
36A
12
10
11
17
31
30
29
7
15
9
8
13
22
21
23
8
6
3
33
5
32
34
35
37
38
26
25
36
FIT
1:1
100%

Артикул

Название

Примечание

Количество

1

3093066M91

ALTERNATOR

EnglischBem: 35 A

1шт.

|$44

ALTERNATOR

DeutschDesc: LICHTM.DREHSTROM

-3шт.

2

2987716M1

FAN

DeutschDesc: LUEFTER

1шт.

2A

2992160M1

FAN

DeutschDesc: LUEFTER

1шт.

3

3093068M1

PULLEY

DeutschDesc: RIEMENSCHEIBE

1шт.

3A

4002596M1

DISC

DeutschDesc: SCHEIBE

1шт.

4

4000663M91

ALTERNATOR

EnglischBem: 55 A

1шт.

|$45

ALTERNATOR

DeutschDesc: LICHTM.DREHSTROM

-3шт.

5

3002812X1

SCREW

DeutschDesc: SCHRAUBE

1шт.

6

4910495M1

BUSHING

DeutschDesc: BUCHSE

1шт.

6A

4909029M1

BUSHING

DeutschDesc: BUCHSE

1шт.

7

339402X1

NUT

DeutschDesc: MUTTER

1шт.

8

4909030M1

DISC

DeutschDesc: SCHEIBE

2шт.

9

1443790X1

SPRING WASHER

DeutschDesc: FEDERRING

1шт.

10

4909031M1

SCREW

DeutschDesc: SCHRAUBE

1шт.

11

4909032M1

BUSHING

DeutschDesc: BUCHSE

1шт.

12

4909033M1

NUT

DeutschDesc: MUTTER

1шт.

13

4909034M1

SCREW

DeutschDesc: SCHRAUBE

1шт.

14

4906623M1

PLAIN WASHER

DeutschDesc: UNTERLEGSCHEIBE

1шт.

15

4906625M1

SPRING WASHER

DeutschDesc: FEDERRING

1шт.

16

4909035M1

JOURNAL

DeutschDesc: ZAPFEN

1шт.

17

4906772M1

SCREW

DeutschDesc: SCHRAUBE

1шт.

18

4905468M1

NUT

DeutschDesc: MUTTER

1шт.

19

4906756M1

PLAIN WASHER

DeutschDesc: UNTERLEGSCHEIBE

1шт.

20

4905464M1

SPRING WASHER

DeutschDesc: FEDERRING

1шт.

21

4909036M1

JOURNAL

DeutschDesc: ZAPFEN

1шт.

22

4909037M1

BUSHING

DeutschDesc: BUCHSE

1шт.

23

4909038M1

PIN

DeutschDesc: BOLZEN

1шт.

24

4906756M1

PLAIN WASHER

DeutschDesc: UNTERLEGSCHEIBE

1шт.

25

4905468M1

NUT

DeutschDesc: MUTTER

5шт.

26

4905464M1

SPRING WASHER

DeutschDesc: FEDERRING

5шт.

27

4909040M1

PLATE

DeutschDesc: PLATTE

1шт.

28

4909041M1

BUSHING

DeutschDesc: BUCHSE

1шт.

29

4909042M1

BUSHING

DeutschDesc: BUCHSE

1шт.

30

4909043M1

SCREW

DeutschDesc: SCHRAUBE

2шт.

31

4905353M1

SPRING WASHER

DeutschDesc: FEDERRING

2шт.

32

4909044M1

BRACKET

DeutschDesc: HALTER

1шт.

32A

2986598M1

PLATE

DeutschDesc: PLATTE

1шт.

33

4905359M1

SCREW

DeutschDesc: SCHRAUBE

4шт.

34

4905377M1

PLAIN WASHER

DeutschDesc: UNTERLEGSCHEIBE

1шт.

35

4905353M1

SPRING WASHER

DeutschDesc: FEDERRING

4шт.

36

2983830M91

STARTERMOTOR

EnglischBem: WATER PROTECTED

1шт.

|$46

STARTERMOTOR

DeutschDesc: ANLASSER

-3шт.

36A

3091293M92

STARTERMOTOR

DeutschDesc: ANLASSER

1шт.

|$47

STARTERMOTOR

DeutschDesc: ANLASSER

-3шт.

37

NOT USED

DeutschDesc: NICHT VERWENDET

-1шт.

38

4909046M1

STUD BOLT

DeutschDesc: STIFTSCHRAUBE

3шт.

Выбрано товаров: 0