Запчасти Komatsu D500E Turbo ДВИГАТЕЛЬ МАСЛ. ОХЛАЖД-Е ДВИГАТЕЛЬ, АКСЕССУАРЫ И ЭЛЕКТРИЧ. СИСТЕМА

Схема запчастей Komatsu D500E Turbo - ДВИГАТЕЛЬ МАСЛ. ОХЛАЖД-Е ДВИГАТЕЛЬ, АКСЕССУАРЫ И ЭЛЕКТРИЧ. СИСТЕМА
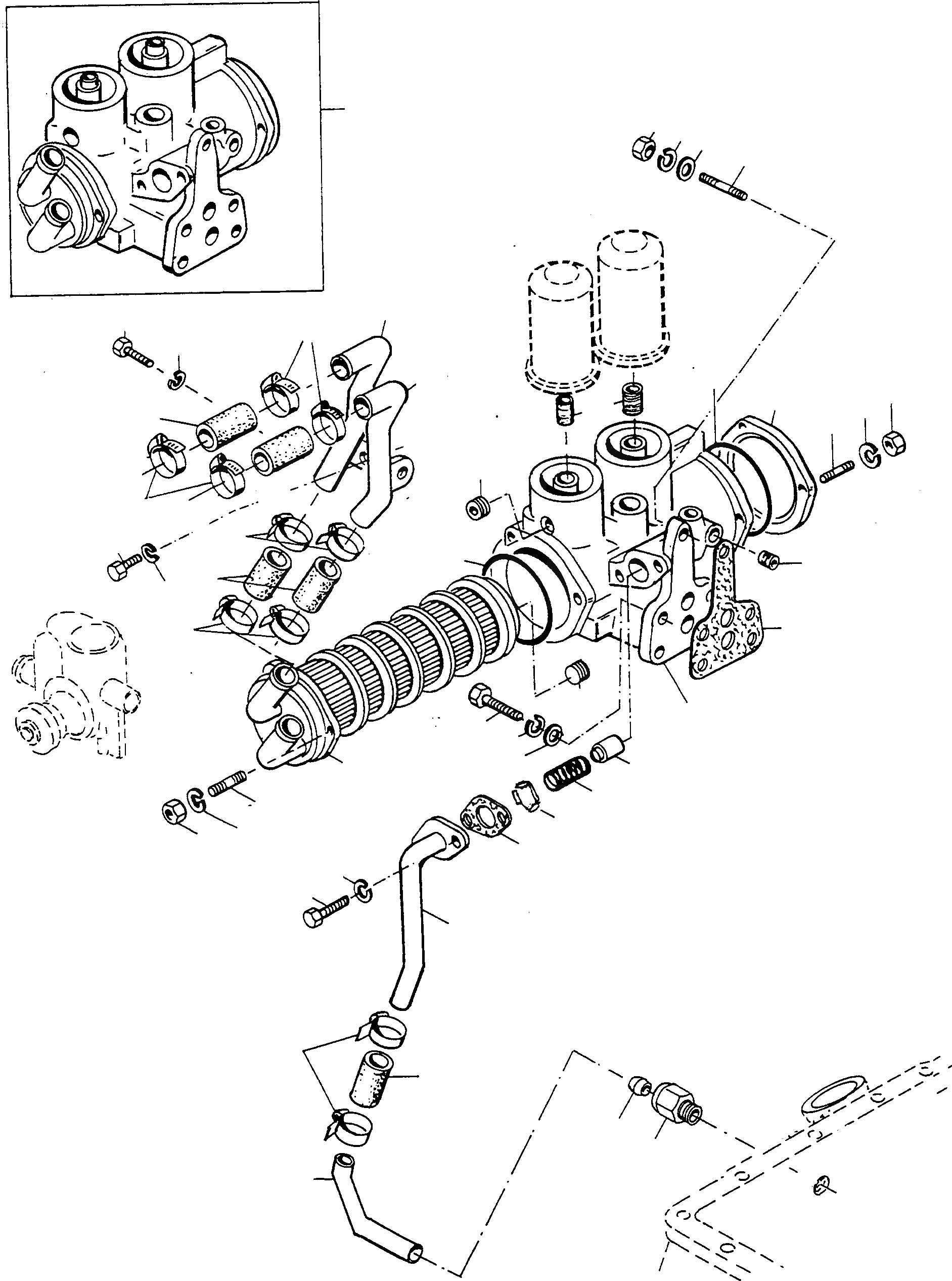
19
1
20
19
18
17
34
37
36
4
33
7
5
8
12
35
6
11
36
36
38
4
10
35
27
13
36
9
2
14
16
15
21
3
22
6
23
8
7
25
27
26
24
30
29
32
31
28
FIT
1:1
100%

Артикул

Название

Примечание

Количество

1

4909466M91

OIL COOLER

DeutschDesc: OELKUEHLER

1шт.

2

4909467M1

HOUSING

DeutschDesc: GEHAEUSE

1шт.

3

4909468M1

OIL COOLER

DeutschDesc: OELKUEHLER

1шт.

4

4909469M1

O-RING

DeutschDesc: O-RING

2шт.

5

4909470M1

RING

DeutschDesc: RING

1шт.

6

4909471M1

STUD BOLT

DeutschDesc: STIFTSCHRAUBE

6шт.

7

4909472M1

NUT

DeutschDesc: MUTTER

6шт.

8

4909473M1

DISC

DeutschDesc: SCHEIBE

6шт.

9

4906584M1

PLUG

DeutschDesc: VERSCHLUSSSTOPFEN

1шт.

10

4909474M1

PLUG

DeutschDesc: VERSCHLUSSSTOPFEN

1шт.

11

4909475M1

PLUG

DeutschDesc: VERSCHLUSSSTOPFEN

1шт.

12

4909476M1

THREADED PART

DeutschDesc: GEWINDESTUECK

2шт.

13

4909477M1

GASKET

DeutschDesc: DICHTUNG

1шт.

14

4908724M1

SCREW

DeutschDesc: SCHRAUBE

4шт.

15

1440275X1

DISC

DeutschDesc: SCHEIBE

4шт.

16

4906502M1

SPRING WASHER

DeutschDesc: FEDERRING

4шт.

17

4909478M1

STUD BOLT

DeutschDesc: STIFTSCHRAUBE

1шт.

18

4906756M1

PLAIN WASHER

DeutschDesc: UNTERLEGSCHEIBE

1шт.

19

4905464M1

SPRING WASHER

DeutschDesc: FEDERRING

2шт.

20

4905468M1

NUT

DeutschDesc: MUTTER

1шт.

21

4908688M1

PISTON

DeutschDesc: KOLBEN

1шт.

22

4908689M1

SPRING

DeutschDesc: FEDER

1шт.

23

4909479M1

TAB WASHER

DeutschDesc: SICHERUNGSBLECH

1шт.

24

4909480M1

TUBE

DeutschDesc: ROHR

1шт.

25

4905381M1

GASKET

DeutschDesc: DICHTUNG

1шт.

26

4909219M1

SCREW

DeutschDesc: SCHRAUBE

2шт.

27

4905353M1

SPRING WASHER

DeutschDesc: FEDERRING

3шт.

28

4909481M1

TUBE

DeutschDesc: ROHR

1шт.

29

4909482M1

HOSE

DeutschDesc: SCHLAUCH

1шт.

30

4909483M1

CLIP

DeutschDesc: SCHELLE

2шт.

31

4909484M1

NUT

DeutschDesc: MUTTER

1шт.

32

4909485M1

OLIVE

DeutschDesc: SCHNEIDRING

1шт.

33

4909486M1

TUBE

DeutschDesc: ROHR

1шт.

34

4909487M1

TUBE

DeutschDesc: ROHR

1шт.

35

4909323M91

HOSE

DeutschDesc: SCHLAUCHSATZ

4шт.

36

4909269M1

CLIP

DeutschDesc: SCHELLE

8шт.

37

4906661M1

SCREW

DeutschDesc: SCHRAUBE

1шт.

38

4906181M1

SCREW

DeutschDesc: SCHRAUBE

1шт.

Выбрано товаров: 38