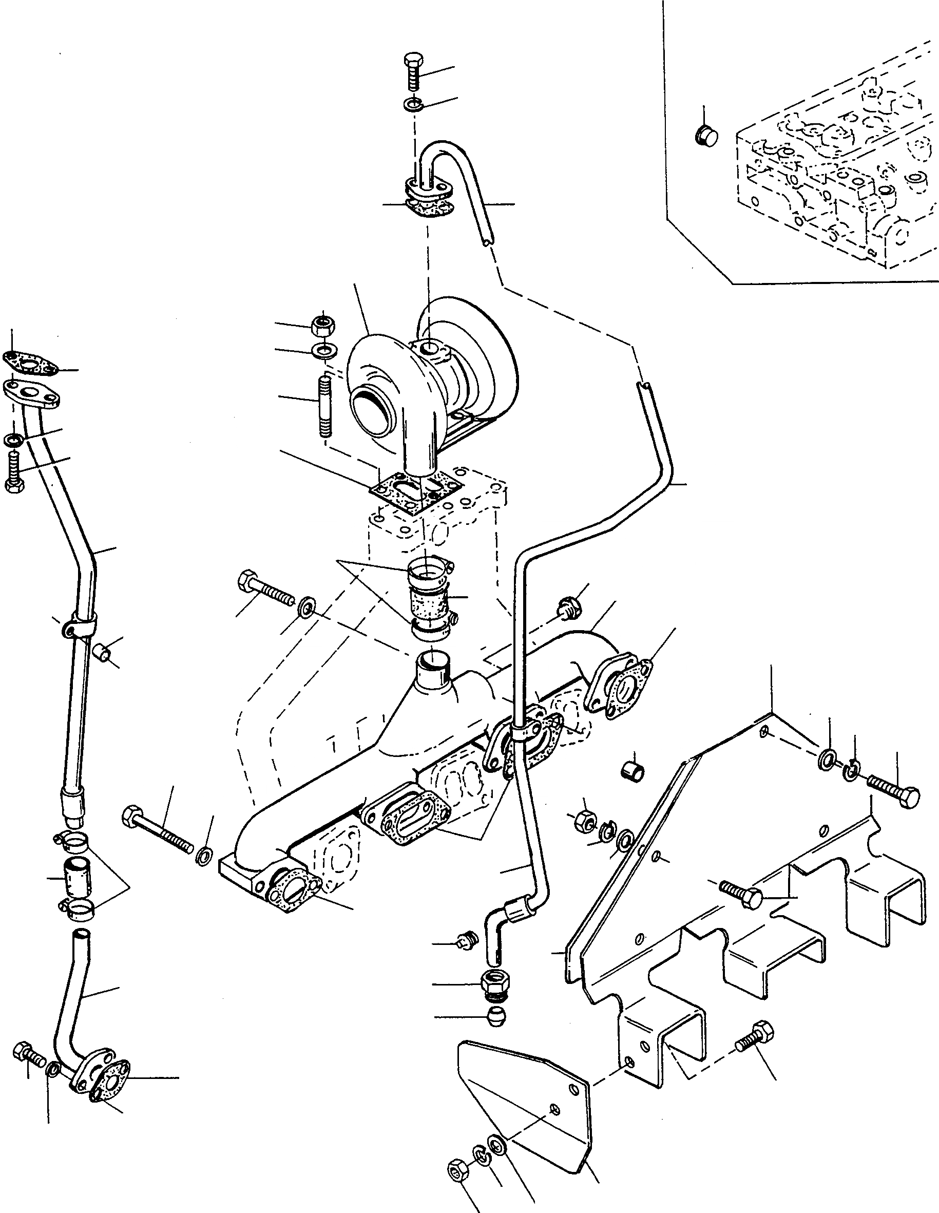
Запчасти Komatsu D500E Turbo INTAKE КОЛЛЕКТОР, ТУРБОНАГНЕТАТЕЛЬ ДВИГАТЕЛЬ, АКСЕССУАРЫ И ЭЛЕКТРИЧ. СИСТЕМА

Схема запчастей Komatsu D500E Turbo - INTAKE КОЛЛЕКТОР, ТУРБОНАГНЕТАТЕЛЬ ДВИГАТЕЛЬ, АКСЕССУАРЫ И ЭЛЕКТРИЧ. СИСТЕМА
5
1A
34
17
21
37
7
39
18
14
16
12
13
23
11
25
10
24
14
22
9
1
8
2
6
21
31
33
32
4
36
5
19
3
26
14
27
35
2
15
40
19
28
20
29
30
30
19
38
19
37
36
FIT
1:1
100%

Артикул

Название

Примечание

Количество

1

4909432M1

INTAKE MANIFOLD

DeutschDesc: ANSAUGKRUEMMER

1шт.

1A

4909433M1

PLUG

DeutschDesc: VERSCHLUSSSTOPFEN

1шт.

2

4909434M1

GASKET

DeutschDesc: DICHTUNG

2шт.

3

4909435M1

GASKET

DeutschDesc: DICHTUNG

2шт.

4

4909436M1

SCREW

DeutschDesc: SCHRAUBE

4шт.

5

4908651M1

DISC

DeutschDesc: SCHEIBE

8шт.

6

4909437M1

SCREW

DeutschDesc: SCHRAUBE

4шт.

7

4909438M91

TURBOCHARGER

DeutschDesc: TURBOLADER

1шт.

|$42

TURBOCHARGER

DeutschDesc: TURBOLADER

-3шт.

8

4909548M1

HOSE

EnglischBem: REPAIRS AND REPLACES 4909 439 M1

1шт.

9

4909440M1

CLIP

DeutschDesc: SCHELLE

2шт.

10

4908886M1

GASKET

DeutschDesc: DICHTUNG

1шт.

11

4909441M1

STUD BOLT

DeutschDesc: STIFTSCHRAUBE

4шт.

12

4906831M1

NUT

DeutschDesc: MUTTER

4шт.

13

4909071M1

PLAIN WASHER

DeutschDesc: UNTERLEGSCHEIBE

4шт.

14

4909442M1

TUBE

DeutschDesc: ROHR

1шт.

15

4908735M1

PLUG

EnglischBem: REPAIRS AND REPLACES 4909 162 M1

1шт.

16

4909443M1

GASKET

DeutschDesc: DICHTUNG

1шт.

17

2962811M1

SCREW

DeutschDesc: SCHRAUBE

2шт.

18

4905353M1

SPRING WASHER

DeutschDesc: FEDERRING

8шт.

19

4905399M1

BOXNUT

DeutschDesc: UEBERWURFMUTTER

1шт.

20

4905400M1

OLIVE

DeutschDesc: SCHNEIDRING

1шт.

21

4909445M1

SPACER

DeutschDesc: ABSTANDSTUECK

2шт.

22

4909561M91

PIPE

DeutschDesc: ROHRLEITUNG

1шт.

23

4909447M1

GASKET

DeutschDesc: DICHTUNG

1шт.

24

4909448M1

SCREW

DeutschDesc: SCHRAUBE

2шт.

25

4905464M1

SPRING WASHER

DeutschDesc: FEDERRING

2шт.

26

4909449M1

HOSE

DeutschDesc: SCHLAUCH

1шт.

27

4909450M1

CLIP

DeutschDesc: SCHELLE

2шт.

28

4909451M1

TUBE

DeutschDesc: ROHR

1шт.

29

4909452M1

GASKET

DeutschDesc: DICHTUNG

1шт.

30

4905354M1

SCREW

DeutschDesc: SCHRAUBE

4шт.

31

4909453M1

SHEET

DeutschDesc: BLECH

1шт.

32

4909454M1

SCREW

DeutschDesc: SCHRAUBE

3шт.

33

4909455M1

DISC

DeutschDesc: SCHEIBE

3шт.

34

4909456M1

DISC

DeutschDesc: SCHEIBE

3шт.

35

4905526M1

SCREW

DeutschDesc: SCHRAUBE

2шт.

36

4905364M1

NUT

DeutschDesc: MUTTER

2шт.

37

4905377M1

PLAIN WASHER

DeutschDesc: UNTERLEGSCHEIBE

2шт.

38

4909457M1

SHEET

DeutschDesc: BLECH

1шт.

39

4908595M1

PLUG

DeutschDesc: VERSCHLUSSSTOPFEN

1шт.

40

2989364M1

SHEET

DeutschDesc: BLECH

1шт.

Выбрано товаров: 42