Запчасти Komatsu D500E Turbo СИГН. ЗАДН. ХОДА, СПЕЦ. ОБОРУД-Е ДВИГАТЕЛЬ, АКСЕССУАРЫ И ЭЛЕКТРИЧ. СИСТЕМА

Схема запчастей Komatsu D500E Turbo - СИГН. ЗАДН. ХОДА, СПЕЦ. ОБОРУД-Е ДВИГАТЕЛЬ, АКСЕССУАРЫ И ЭЛЕКТРИЧ. СИСТЕМА
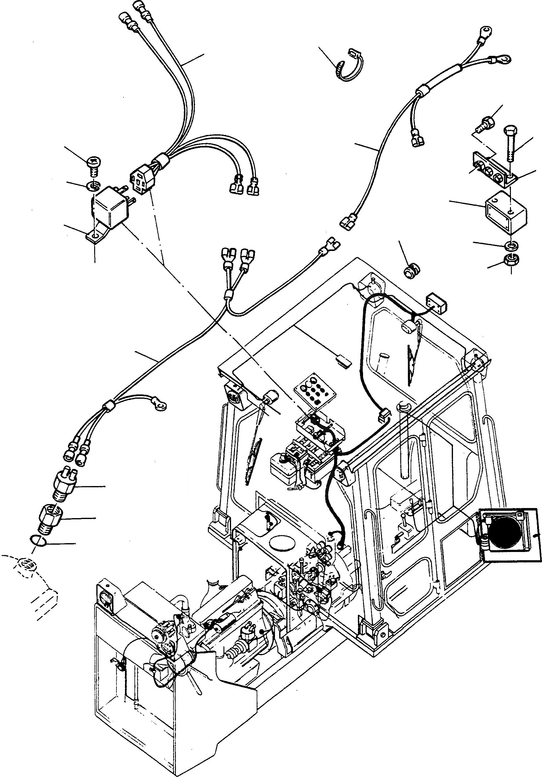
17
8
10
12
6
16
9
7
11
5
15
14
13
4
3
1
2
FIT
1:1
100%

Артикул

Название

Примечание

Количество

1

3002406X1

UNION

DeutschDesc: VERSCHRAUBUNG

1шт.

2

390839X1

SEAL

DeutschDesc: DICHTRING

1шт.

3

2951363M2

PRESSURE SWITCH

DeutschDesc: DRUCKSCHALTER

1шт.

4

2988845M91

HARNESS

DeutschDesc: KABELBAUM

1шт.

5

3097003M1

RELAY

DeutschDesc: RELAIS

1шт.

6

1444201X1

SCREW

DeutschDesc: SCHRAUBE

1шт.

7

1443793X1

SPRING WASHER

DeutschDesc: FEDERRING

1шт.

8

2988844M91

HARNESS

DeutschDesc: KABELBAUM

1шт.

9

2988854M91

BRACKET

DeutschDesc: HALTER

1шт.

10

1444137X1

SCREW

DeutschDesc: SCHRAUBE

3шт.

11

2984609M91

HORN

DeutschDesc: HUPE

1шт.

12

1443653X1

SCREW

DeutschDesc: SCHRAUBE

2шт.

13

1444329X1

NUT

DeutschDesc: MUTTER

2шт.

14

390972X1

PLAIN WASHER

DeutschDesc: UNTERLEGSCHEIBE

2шт.

15

2999510M1

SPOUT

DeutschDesc: TUELLE

1шт.

16

2988856M91

HARNESS

DeutschDesc: KABELBAUM

1шт.

17

2963655M1

BRACE

DeutschDesc: HALTEBAND

10шт.

Выбрано товаров: 17