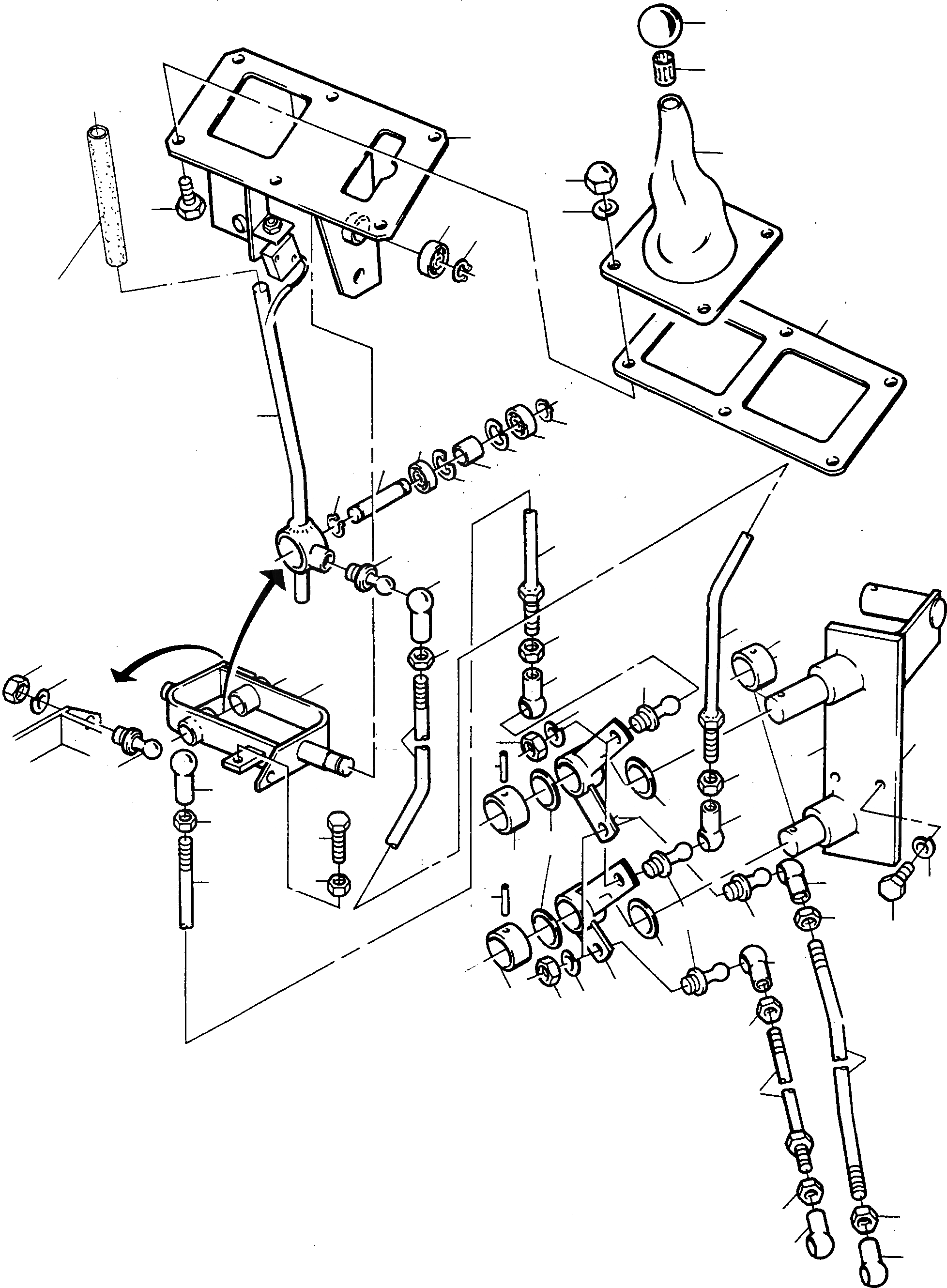
Запчасти Komatsu D500E Turbo ПРИВОД КОРПУС УПРАВЛ-Е ТРАНСМИССИЯ И ЗАДН. МОСТ

Схема запчастей Komatsu D500E Turbo - ПРИВОД КОРПУС УПРАВЛ-Е ТРАНСМИССИЯ И ЗАДН. МОСТ
12A
10
36
23
29
11
30
27
27
24
7
26
1
8
5
9
7
8
3
4
6
12
17
16
16
15
14
13
17
14
33
18
21
23
22
37
22
20
2
18
21
30
30
20
29
22
18
31
21
32
27
28
20
33
21
22
18
18
31
25
28
20
32
35
34
22
22
21
21
FIT
1:1
100%

Артикул

Название

Примечание

Количество

1

2989316M91

BED BRACKET

DeutschDesc: LAGERBOCK

1шт.

2

2989300M91

BEARING

DeutschDesc: LAGER

1шт.

3

2989307M1

BALL BEARING

DeutschDesc: KUGELLAGER

2шт.

4

1440474X1

CIRCLIP

DeutschDesc: SICHERUNGSRING

2шт.

5

2989334M91

BELLOWS

DeutschDesc: FALTENBALG

1шт.

6

2989333M1

RETAINING PLATE

DeutschDesc: HALTEPLATTE

1шт.

7

339401X1

SCREW

DeutschDesc: SCHRAUBE

8шт.

8

1443790X1

SPRING WASHER

DeutschDesc: FEDERRING

8шт.

9

2994623M1

SECURITY CAP

DeutschDesc: SCHUTZKAPPE

6шт.

10

1444596X1

BALL HEAD

DeutschDesc: KUGELKNOPF

1шт.

11

1444448X1

SLEEVE

DeutschDesc: HUELSE

1шт.

12

2987030M91

LEVER

DeutschDesc: HEBEL

1шт.

13

2989320M1

RING

DeutschDesc: RING

1шт.

14

339657X1

CIRCLIP

DeutschDesc: SICHERUNGSRING

2шт.

15

2989317M1

PIN

DeutschDesc: BOLZEN

1шт.

16

1442657X1

BALL BEARING

DeutschDesc: KUGELLAGER

2шт.

17

1441761X1

CIRCLIP

DeutschDesc: SICHERUNGSRING

2шт.

18

1443816X1

BALL PIVOT

DeutschDesc: KUGELZAPFEN

6шт.

19

NOT USED

DeutschDesc: NICHT VERWENDET

-1шт.

20

339169X1

NUT

DeutschDesc: MUTTER

6шт.

21

1444503X1

BALL SOCKET

DeutschDesc: KUGELPFANNE

6шт.

22

390679X1

NUT

DeutschDesc: MUTTER

6шт.

23

2987003M1

ROD

DeutschDesc: STANGE

1шт.

24

2985778M91

BEARING PLATE

DeutschDesc: LAGERPLATTE

1шт.

25

2985793M91

LEVER

DeutschDesc: HEBEL

1шт.

26

2985792M91

LEVER

DeutschDesc: HEBEL

1шт.

27

2903916M1

DISC

DeutschDesc: SCHEIBE

4шт.

28

2903950M1

BUSHING

DeutschDesc: BUCHSE

2шт.

29

1441573X1

GROOVE PIN

DeutschDesc: KERBSTIFT

2шт.

30

1443789X1

SPRING WASHER

DeutschDesc: FEDERRING

5шт.

31

1444507X1

BALL SOCKET

DeutschDesc: KUGELPFANNE

2шт.

32

1444305X1

NUT

DeutschDesc: MUTTER

2шт.

33

2987004M91

ROD

DeutschDesc: STANGE

1шт.

34

2987062M91

ROD

DeutschDesc: STANGE

1шт.

35

2989332M1

ROD

DeutschDesc: STANGE

1шт.

36

339761X1

SCREW

DeutschDesc: SCHRAUBE

1шт.

37

2999858M1

BUSHING

DeutschDesc: BUCHSE

2шт.

Выбрано товаров: 37