Запчасти Komatsu 4D130-1C-A СМАЗЫВ. НАСОС СИСТЕМА СМАЗКИ МАСЛ. СИСТЕМА

Схема запчастей Komatsu 4D130-1C-A - СМАЗЫВ. НАСОС СИСТЕМА СМАЗКИ МАСЛ. СИСТЕМА
FIT
1:1
100%

Артикул

Название

Примечание

Количество

|$0

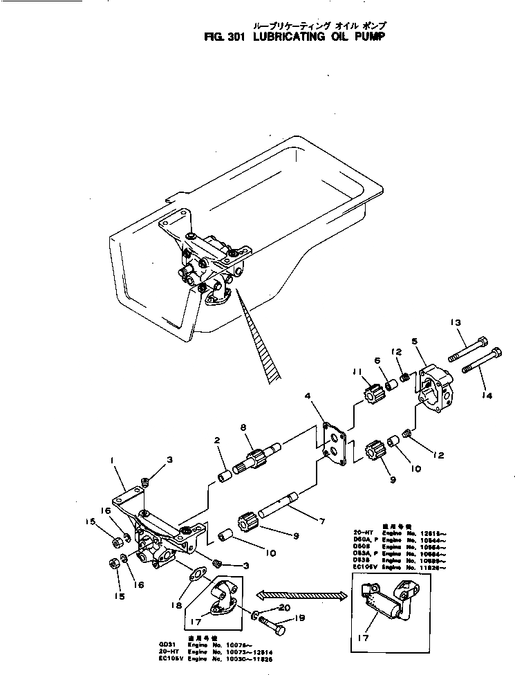
6114-51-1101

OIL PUMP ASS'Y

SN: 10544-UP

1шт.

1

0

BODY

SN: 10544-UP

1шт.

2

0

BUSHING

SN: 10544-UP

1шт.

3

07043-00312

PLUG

SN: 10544-UP

2шт.

4

6110-53-1122

PLATE

SN: 10544-UP

1шт.

5

0

BODY

SN: 10544-UP

1шт.

6

0

BUSHING

SN: 10544-UP

1шт.

7

6110-53-1162

SHAFT

SN: 10544-UP

1шт.

8

6114-51-1310

SHAFT

SN: 10544-UP

1шт.

|$9

6112-53-1500

GEAR ASS'Y

SN: 10544-UP

2шт.

9

0

GEAR

SN: 10544-UP

1шт.

10

0

BUSHING

SN: 10544-UP

1шт.

11

6110-53-1414

GEAR

SN: 10544-UP

1шт.

12

07043-00108

PLUG

SN: 10544-UP

2шт.

13

6110-53-1170

BOLT

SN: 10544-UP

3шт.

14

6110-53-1180

BOLT

SN: 10544-UP

1шт.

15

01582-01008

NUT

SN: 10544-UP

4шт.

16

01602-01030

WASHER

SN: 10544-UP

4шт.

17

6114-51-6310

PIPE

SN: 10544-UP

1шт.

18

6110-53-1720

GASKET (K2)

SN: 10544-UP

1шт.

19

01010-31050

BOLT

SN: 10544-UP

2шт.

20

01602-01030

WASHER

SN: 10544-UP

2шт.

|$0

6114-51-1101

OIL PUMP ASS'Y

SN: 10544-UP

1шт.

1

0

BODY

SN: 10544-UP

1шт.

2

0

BUSHING

SN: 10544-UP

1шт.

3

07043-00312

PLUG

SN: 10544-UP

2шт.

4

6110-53-1122

PLATE

SN: 10544-UP

1шт.

5

0

BODY

SN: 10544-UP

1шт.

6

0

BUSHING

SN: 10544-UP

1шт.

7

6110-53-1162

SHAFT

SN: 10544-UP

1шт.

8

6114-51-1310

SHAFT

SN: 10544-UP

1шт.

|$9

6112-53-1500

GEAR ASS'Y

SN: 10544-UP

2шт.

9

0

GEAR

SN: 10544-UP

1шт.

10

0

BUSHING

SN: 10544-UP

1шт.

11

6110-53-1414

GEAR

SN: 10544-UP

1шт.

12

07043-00108

PLUG

SN: 10544-UP

2шт.

13

6110-53-1170

BOLT

SN: 10544-UP

3шт.

14

6110-53-1180

BOLT

SN: 10544-UP

1шт.

15

01582-01008

NUT

SN: 10544-UP

4шт.

16

01602-01030

WASHER

SN: 10544-UP

4шт.

17

6114-51-6310

PIPE

SN: 10544-UP

1шт.

18

6110-53-1720

GASKET (K2)

SN: 10544-UP

1шт.

19

01010-31050

BOLT

SN: 10544-UP

2шт.

20

01602-01030

WASHER

SN: 10544-UP

2шт.

Выбрано товаров: 44