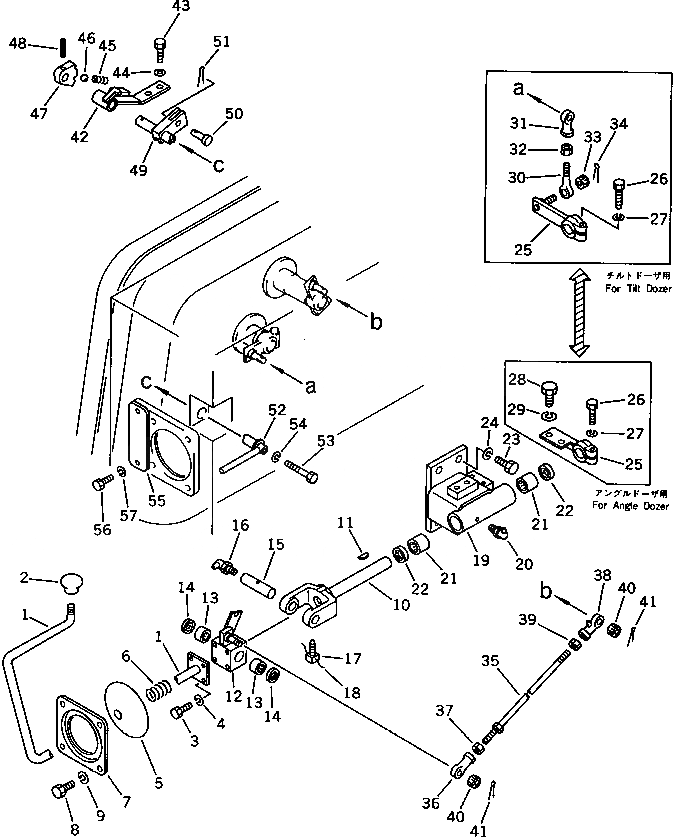
Запчасти Komatsu D50A-17 РЫЧАГ УПРАВЛЕНИЯ ОТВАЛОМ УПРАВЛ-Е РАБОЧИМ ОБОРУДОВАНИЕМ

Схема запчастей Komatsu D50A-17 - РЫЧАГ УПРАВЛЕНИЯ ОТВАЛОМ УПРАВЛ-Е РАБОЧИМ ОБОРУДОВАНИЕМ
FIT
1:1
100%

Артикул

Название

Примечание

Количество

1

130-43-72130

LEVER

SN: 80001-UP

1шт.

2

09304-01250

KNOB

SN: 80001-UP

1шт.

3

07372-21030

BOLT

SN: 80001-UP

3шт.

4

01602-21030

WASHER,SPRING

SN: 80001-UP

3шт.

5

130-43-62140

COVER

SN: 80001-UP

1шт.

6

09340-10130

SPRING

SN: 80001-UP

1шт.

7

120-43-37293

COVER

SN: 80001-UP

1шт.

8

01010-50820

BOLT

SN: 80001-UP

4шт.

9

01602-20825

WASHER,SPRING

SN: 80001-UP

4шт.

10

130-43-72110

SHAFT

SN: 80001-UP

1шт.

11

04010-00519

KEY

SN: 80001-UP

1шт.

12

130-43-72120

LEVER

SN: 80001-UP

1шт.

13

06120-01612

BEARING,NEEDLE

SN: 80001-UP

2шт.

14

06122-01603

SEAL,BEARING

SN: 80001-UP

2шт.

15

135-43-11171

SHAFT

SN: 80001-UP

1шт.

16

07020-00900

FITTING,GREASE

SN: 80001-UP

1шт.

17

01306-00616

SCREW

SN: 80001-UP

1шт.

18

04059-01012

WIRE

SN: 80001-UP

1шт.

19

130-43-62330

BRACKET

SN: 80001-UP

1шт.

20

07020-00900

FITTING,GREASE

SN: 80001-UP

1шт.

21

06120-02016

BEARING,NEEDLE

SN: 80001-UP

2шт.

22

06122-02004

SEAL,BEARING

SN: 80001-UP

2шт.

23

01010-51225

BOLT

SN: 80001-UP

4шт.

24

01602-21236

WASHER,SPRING

SN: 80001-UP

4шт.

25

144-43-16670

BRACKET,(FOR ANGLE DOZER)

SN: 80001-UP

1шт.

25

130-43-62340

LEVER,(FOR TILT DOZER)

SN: 80001-UP

1шт.

26

01010-50830

BOLT

SN: 80001-UP

1шт.

27

01602-20825

WASHER,SPRING

SN: 80001-UP

1шт.

28

01010-51020

BOLT,(FOR ANGLE DOZER)

SN: 80001-UP

2шт.

29

01602-21030

WASHER,SPRING (FOR ANGLE DOZER)

SN: 80001-UP

2шт.

30

04252-01061

END,(FOR TILT DOZER)

SN: 80001-UP

1шт.

31

04250-41056

END,(FOR TILT DOZER)

SN: 80001-UP

1шт.

32

01582-11008

NUT,(FOR TILT DOZER)

SN: 80001-UP

1шт.

33

01593-11008

NUT,(FOR TILT DOZER)

SN: 80001-UP

2шт.

34

04050-12018

PIN,COTTER (FOR TILT DOZER)

SN: 80001-UP

2шт.

35

04248-31032

ROD

SN: 80001-UP

1шт.

36

04250-41056

END,ROD

SN: 80001-UP

1шт.

37

01582-11008

NUT

SN: 80001-UP

1шт.

38

04250-61056

END,ROD, L.H. THREAD

SN: 80001-UP

1шт.

39

01508-21006

NUT,L.H. THREAD

SN: 80001-UP

1шт.

40

01593-11008

NUT

SN: 80001-UP

2шт.

41

04050-12018

PIN,COTTER

SN: 80001-UP

2шт.

42

130-43-62350

BRACKET

SN: 80001-UP

1шт.

43

01010-51025

BOLT

SN: 80001-UP

2шт.

44

01602-21030

WASHER,SPRING

SN: 80001-UP

2шт.

45

131-60-42160

SPRING

SN: 80001-UP

1шт.

46

04260-01270

BALL

SN: 80001-UP

1шт.

47

125-43-34521

NOTCH,(FOR ANGLE DOZER)

SN: 80001-UP

1шт.

47

120-43-37251

NOTCH,(FOR TILT DOZER)

SN: 80001-UP

1шт.

48

04025-00432

PIN,SPRING

SN: 80001-UP

1шт.

49

130-43-62360

SHAFT

SN: 80001-UP

1шт.

50

04205-10822

PIN

SN: 80001-UP

1шт.

51

04050-12012

PIN,COTTER

SN: 80001-UP

1шт.

52

120-43-37261

LEVER

SN: 80001-UP

1шт.

53

01010-50655

BOLT

SN: 80001-UP

1шт.

54

01602-20619

WASHER,SPRING

SN: 80001-UP

1шт.

55

120-54-33272

COVER

SN: 80001-UP

1шт.

56

01010-50816

BOLT

SN: 80001-UP

2шт.

57

01602-20825

WASHER,SPRING

SN: 80001-UP

2шт.

Выбрано товаров: 0